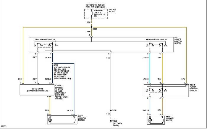
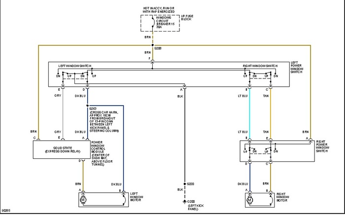
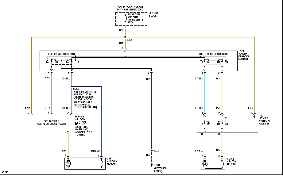
Thursday, April 7th, 2011 AT 3:22 PM
Donde se encuentran los relays que tienen que ver con las ventanas de mi camaro 97, por que se apagan las ventanas nadamas de repente ya no suven ni vajan y a la vez el estereo tambien para de trabajar. Y sin motivo alguno se enciende y aora si todo trabaja normal
