Change a shift solenoid

Tiny
ANONYMOUS
  • MEMBER
  • 1997 BUICK LESABRE
  • 219,000 MILES
How to change a shift solenoid?
Tuesday, January 22nd, 2013 AT 4:53 AM

1 Reply

Tiny
KEN L
  • MASTER CERTIFIED MECHANIC
  • 55,291 POSTS
Hello,

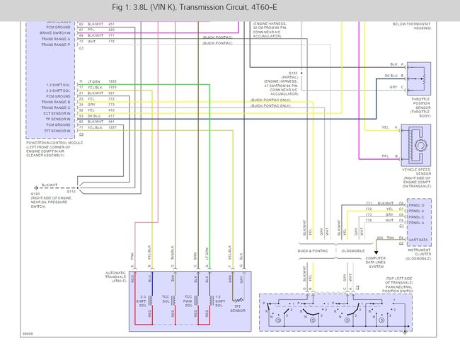
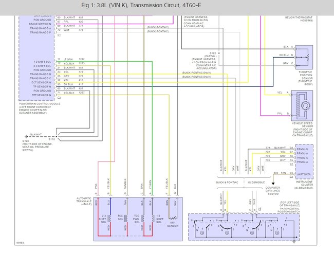
You must drop the pan and locate the solenoid (13, 23, 30 and 44) in the valve body, here is a wiring diagram so you can tell which is which and a picture of the valve body to help you with the repair. Check out the diagrams (Below). Please let us know if you need anything else to get the problem fixed.
Was this
answer
helpful?
Yes
No
Thursday, December 15th, 2016 AT 9:40 AM

Please login or register to post a reply.