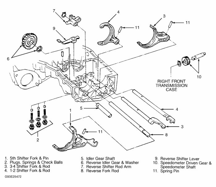
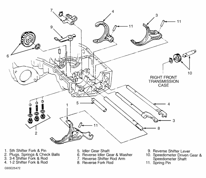
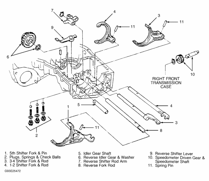
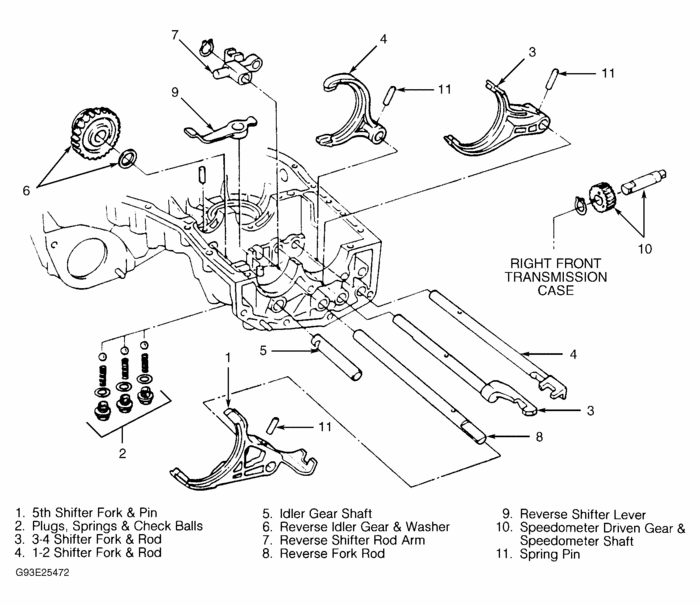
Monday, February 6th, 2012 AT 4:37 AM
Yesterday we tried driving back in reverse slowly and then it popped back into neutral but today I went to reverse and it has just been stuck since my uncle said the selectors or tightnin clutch im not sure please help


