Saturday, May 12th, 2012 AT 10:12 PM
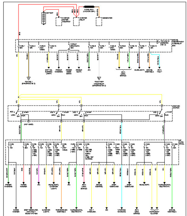
The problem I am having is when when I turn the key to the ON position the gauges and lights on the dashboard will not come on and the vehicle will crank, but not start. This problem does not happen all the time. Sometimes the lights and gauges will come on like normal and the vehicle will start just fine.



