Tow package wiring

Tiny
PETRIE917
  • MEMBER
  • 1996 JEEP GRAND CHEROKEE
  • 5.2L
  • V8
  • AWD
  • AUTOMATIC
  • 220,000 MILES
Hi, I'm wiring the tow package trailer light adaptor on my 1996 jeep grand Cherokee limited, I can't find a diagram showing the same colors as the wiring coming out
Thursday, October 29th, 2015 AT 10:27 AM

5 Replies

Tiny
CARADIODOC
  • MECHANIC
  • 34,489 POSTS
This should be a plug-in adapter with four relays built into it. As I recall, there is a cover to remove from under the vehicle, right behind the left rear tire.

If you look at the rear lights, I'm pretty sure you're going to find the brake light bulb is not the same as the turn signal bulb. That is where the problem comes in and you can't just splice in the older four-wire trailer harness. Trailers have the more common turn signal and brake functions being done by the same bulb. Splicing in that four-wire harness would short together the vehicle's brake lights to its separate signal lights so they'd all come on when any circuit is energized.

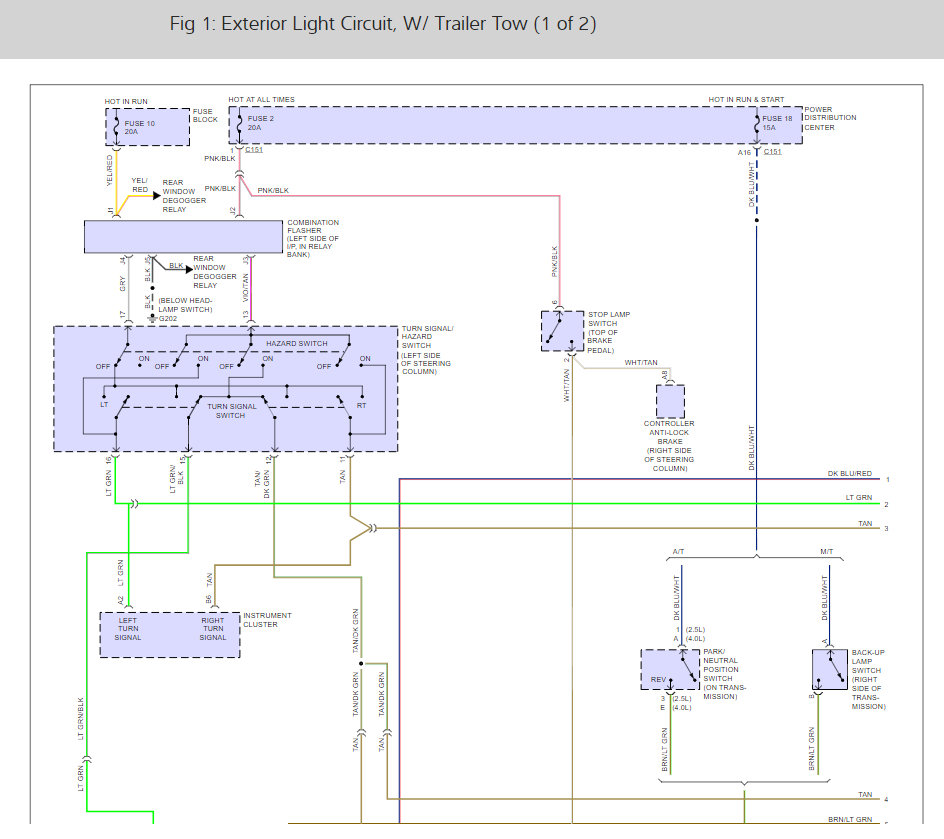
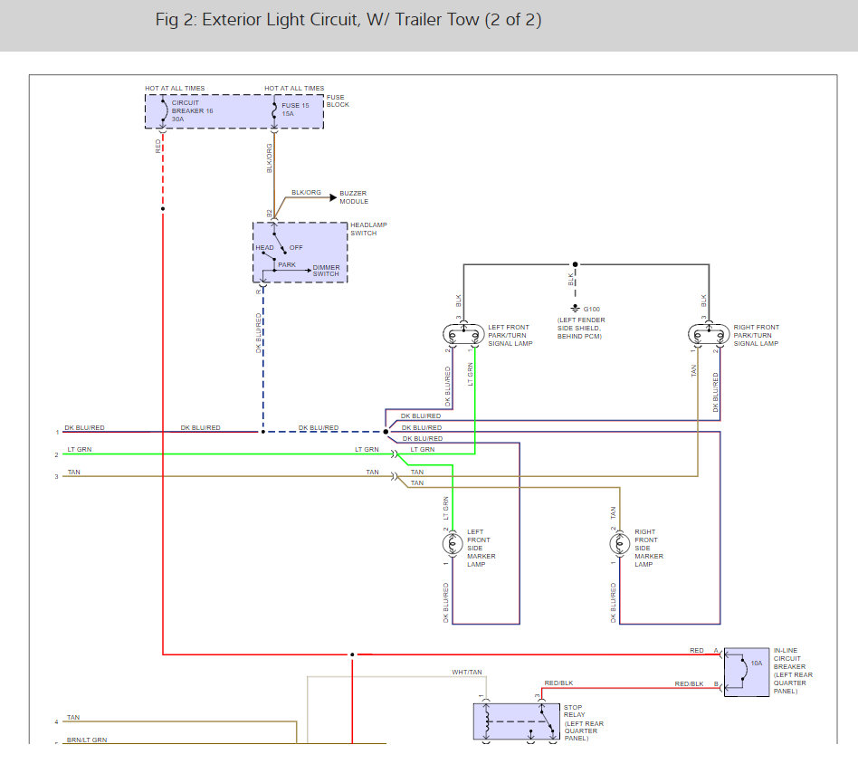
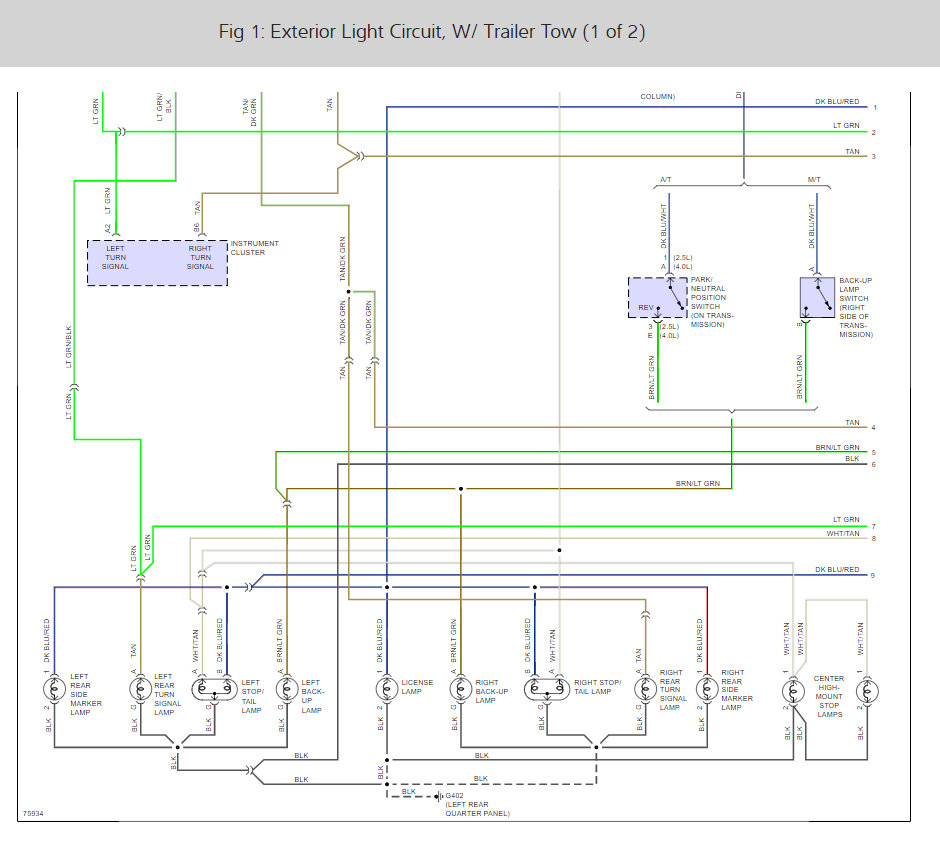
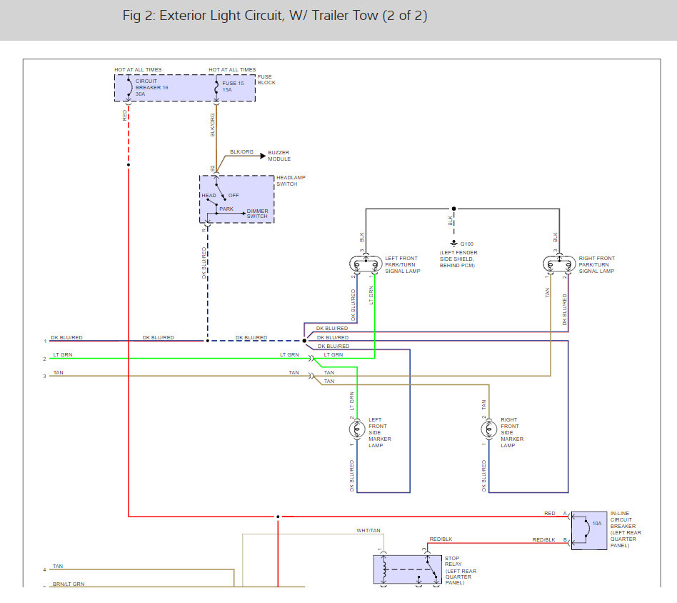
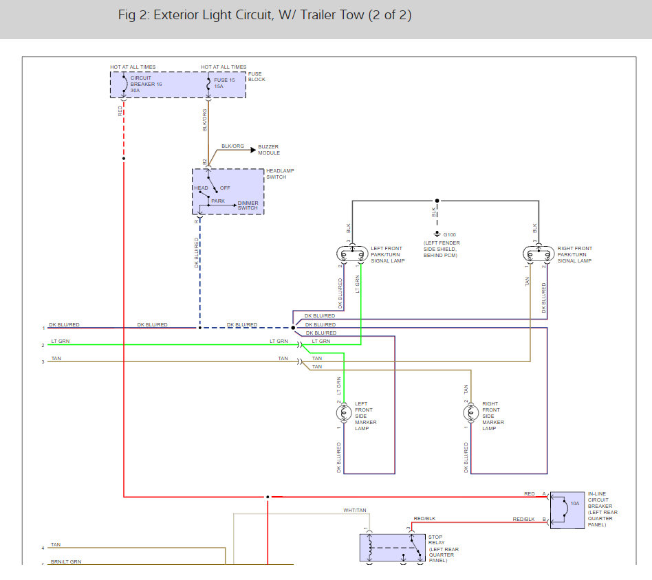
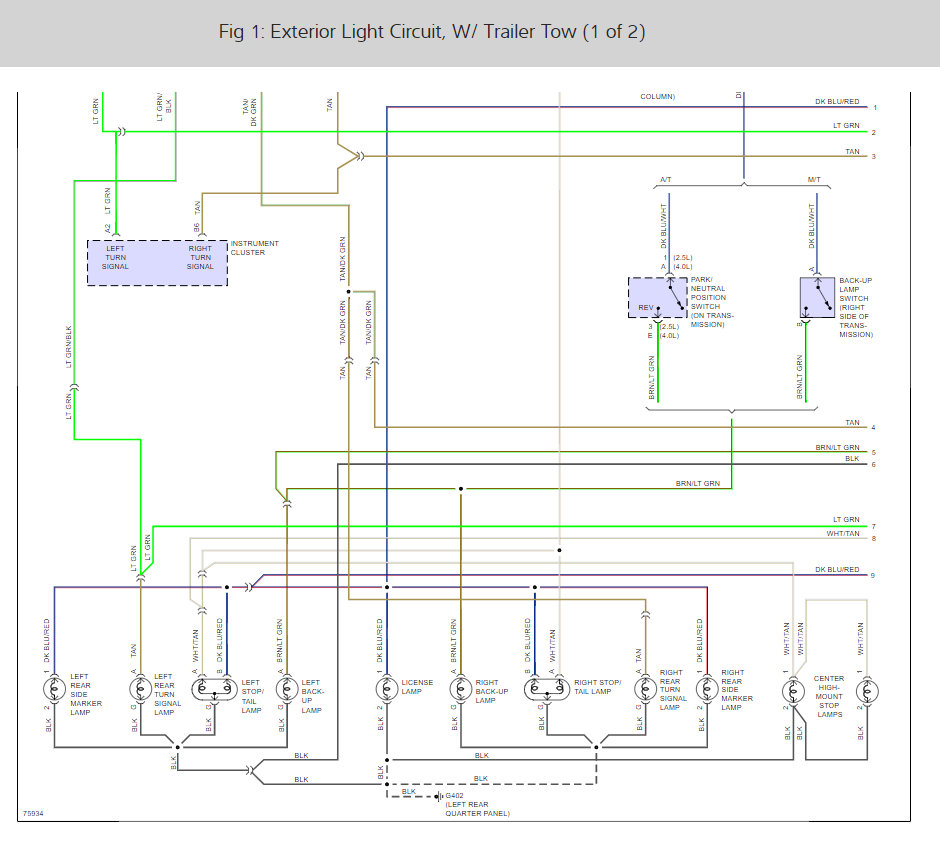
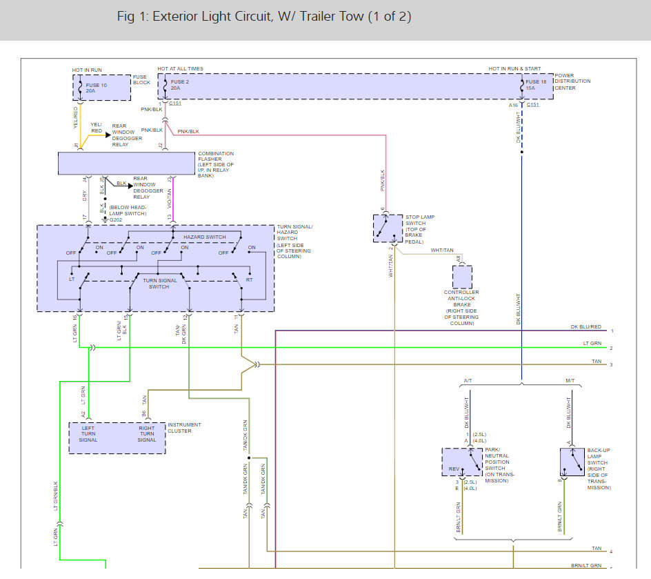
If my memory is wrong and you have a single lamp doing the brake and signal function on the vehicle, Here are the wiring diagram to find wire colors (below)

Check out the diagrams (Below)

Please let us know if you need anything else to get the problem fixed.

Cheers
Was this
answer
helpful?
Yes
No
Thursday, October 29th, 2015 AT 12:52 PM
Tiny
PETRIE917
  • MEMBER
  • 3 POSTS
I still have the wires coming out for the two package adaptor, I just need to know what colors go where, there's a black wire, blue, blue/pink, red/black, orange, Green, green/brown. I just need to know witch one is right turn, left turn ext. Thanks
Was this
answer
helpful?
Yes
No
Thursday, October 29th, 2015 AT 6:25 PM
Tiny
CARADIODOC
  • MECHANIC
  • 34,489 POSTS
What do you mean by "two package adapter"? Do you have the adapter harness that plugs in by the left rear tire? The wiring diagram shows two sets of wires for the trailer. One is listed as "aftermarket" connector and one is for "factory" connector.

The aftermarket connector has a pink / black wire that has 12 volts on it all the time. That suggests to me it is supplying relays that are in the adapter harness. There's a dark blue / red wire that goes to your license lamps, so that one is for the tail and running lights. The white / tan comes from the brake light switch. My guess is that one will turn on the relays for the two trailer brake lights. The last wire is tan. It's tied to the right turn signal circuit. Those are the only four wires. There's nothing for the left signal, so I don't know how they handle that.

In the factory connector, the white / tan, (brake lights), dark blue / red, (tail lights), and tan, (right signal) are the same. The pink / black, (12 volt constant), isn't there. There's two other wires though. The brown / light green is for the back-up lamps. (Never saw that before on a trailer). The light green is the left signal lamp. As I recall, the two signal lamp wires turn on two different relays for the signals. That's in addition to the two relays for the brake lights, so there should be four relays in the adapter harness.

Most of those colors don't agree with what you listed, so I'm guessing you're looking at wires coming out of the adapter. My diagram only shows the wires I listed as going into the adapter harness. That is not a big deal though. The easy way to figure out which wire is for what is to just activate a circuit, then test each wire with a test light. Turn on the left signal, then poke each wire until you find the one where the test light flashes.

Don't be alarmed if you find the trailer signal light flashes on when the vehicle's light flashes off, meaning they are in the opposite state when activated. I don't remember why, but that did occur on some vehicles and is normal.
Was this
answer
helpful?
Yes
No
Friday, October 30th, 2015 AT 3:15 AM
Tiny
PETRIE917
  • MEMBER
  • 3 POSTS
Sorry I meant tow package, I'm goona try uploading a image of the wires.
Was this
answer
helpful?
Yes
No
Friday, October 30th, 2015 AT 6:57 PM
Tiny
CARADIODOC
  • MECHANIC
  • 34,489 POSTS
I should have figured that out. Sorry.

If those wires are coming out of the adapter harness, just use a test light to see which function makes something happen on each wire. The vehicle's wires are shown on my diagram, but they don't show the adapter harness, probably because each aftermarket manufacturer is going to use their own wire colors, and they'll include that information on a sheet that comes with the assembly. Without that sheet, we would all be stuck with the test light to do what you're trying to do.
Was this
answer
helpful?
Yes
No
Friday, October 30th, 2015 AT 8:16 PM

Please login or register to post a reply.