Blower works intermittently

Tiny
KENROG
  • MEMBER
  • 1996 DODGE RAM
  • 6 CYL
  • 2WD
  • AUTOMATIC
  • 176,000 MILES
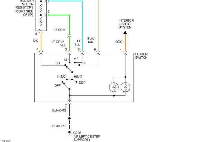
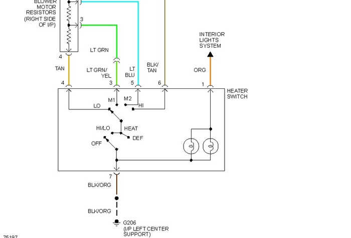
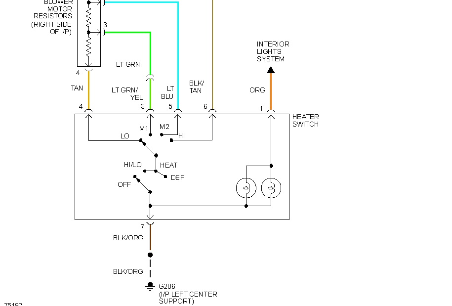
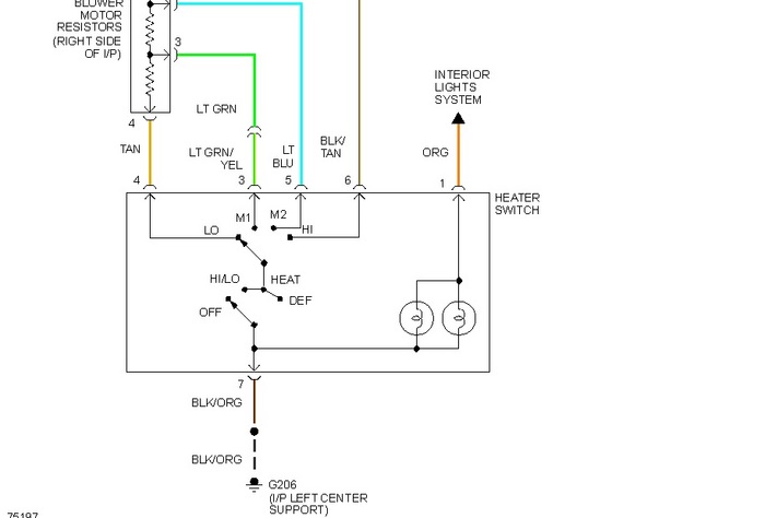
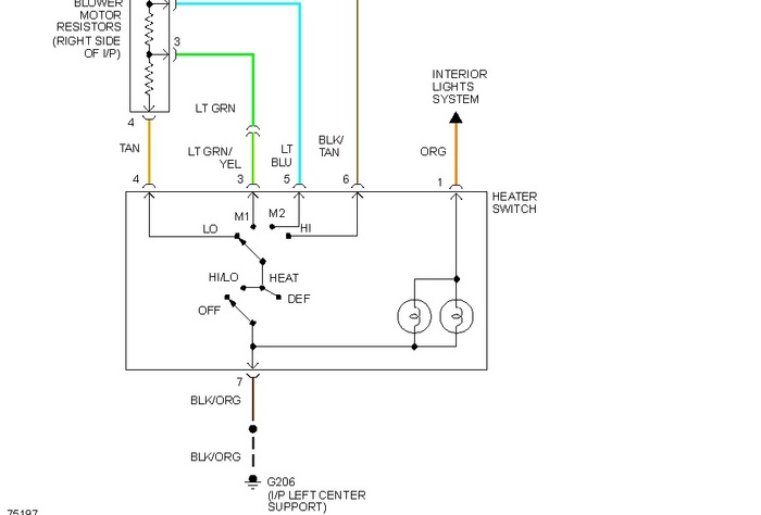
Blower works intermittently. Sometimes blows air immediately, more often only after running for some time.
Thursday, December 30th, 2010 AT 5:51 PM

1 Reply

Tiny
JDL
  • MECHANIC
  • 16,098 POSTS
I'd have to check for voltage and ground at blower motor connector, when problem is ongoing. Have you done any testing? Voltage to the blower motor goes hot with the key on, green wire. Black is ground, on and off and different speeds are controled on the ground circuit.
Was this
answer
helpful?
Yes
No
+1
Friday, April 23rd, 2021 AT 10:42 AM

Please login or register to post a reply.