Code 42, ASD bypass

Tiny
JUST-INDADODGE
  • MEMBER
  • 1996 DODGE RAM
  • 5.2L
  • V8
  • 2WD
  • AUTOMATIC
  • 175,000 MILES
Truck listed above is the 1500 model. I get engine fault code 42, open or short in the ASD circuit. My fuel pump kicks on, good pressure at fuel rail, and have good spark. My injectors are not getting a pulse. So I start checking wiring connects and grounds and failed to find the problem. Where are the grounds that would affect the injectors? Can I bypass ASD circuit or get pulse to my injectors some other way?
Wednesday, August 21st, 2019 AT 8:31 AM

3 Replies

Tiny
CARADIODOC
  • MECHANIC
  • 34,489 POSTS
42 - Fuel pump or auto shutdown (ASD) relay voltage sensed at controller.

I have a different definition, but I've never run into this one before. I don't know how to interpret it because there is a line that goes to the Engine Computer where it is supposed to sense the 12 volts that gets turned on by the ASD relay. This definition implies the circuit is working as expected.

Apparently you have a 1995 OBD1 emissions system if you're getting two-digit fault codes. 1996 and newer models are supposed to have the OBD2 emission system which includes three-digit fault codes read in the odometer display. Regardless, there's one major clue you must be aware of. The ASD relay sends 12 volts to the ignition coil and the injectors, among other places. If you have good spark, you have to have 12 volts feeding the injectors unless there is a break in that wire.

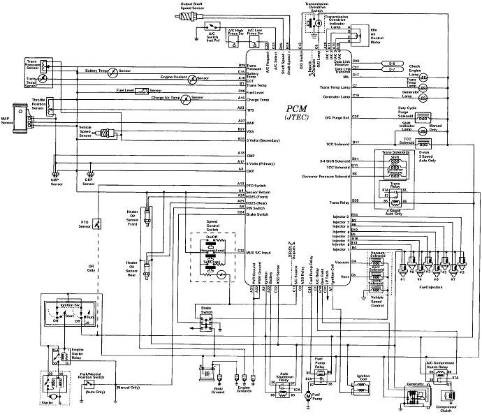
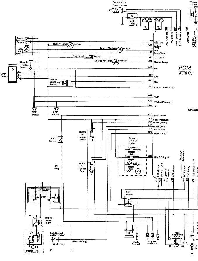
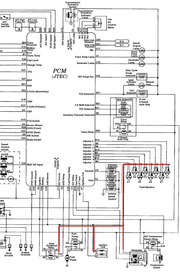
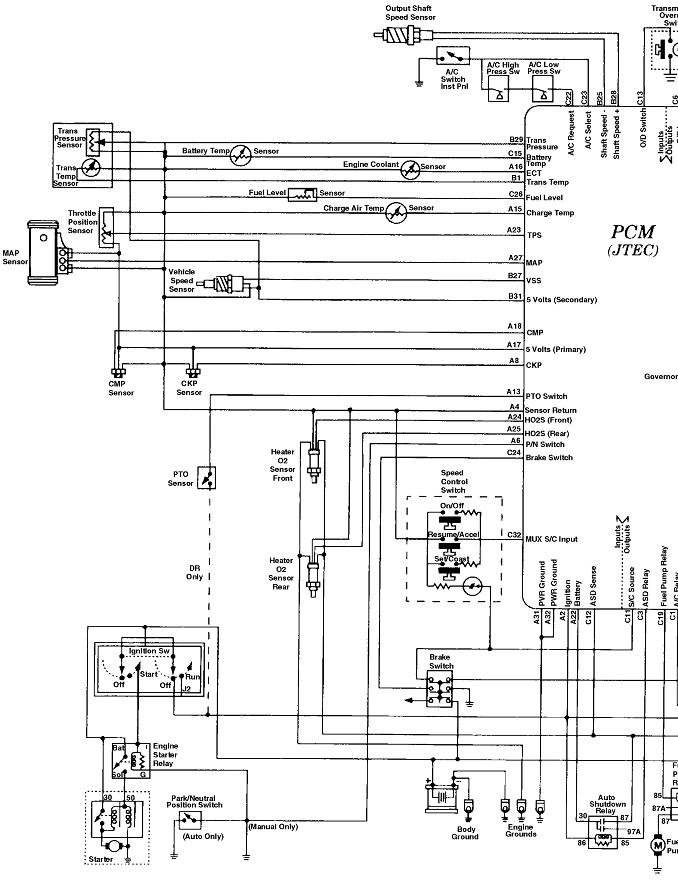
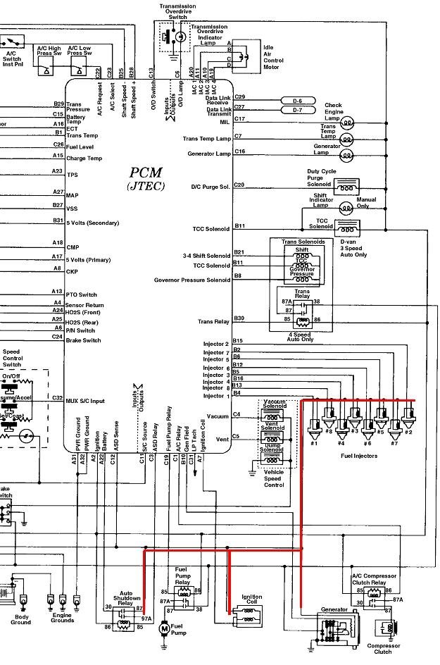
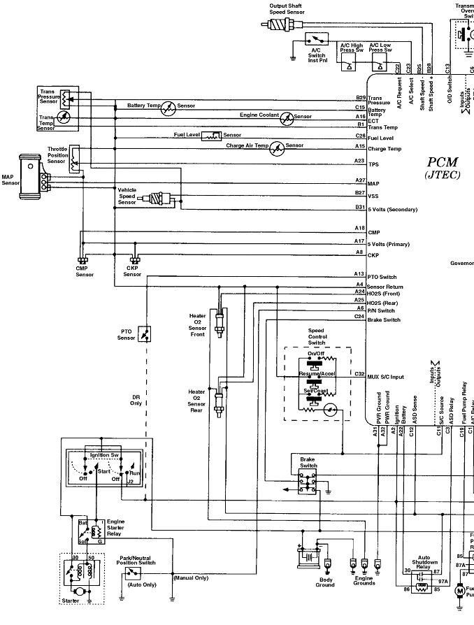
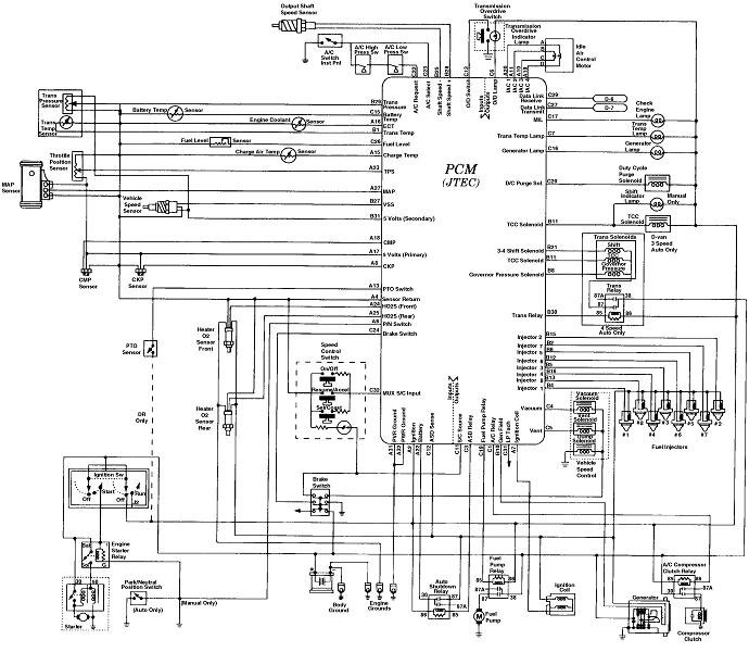
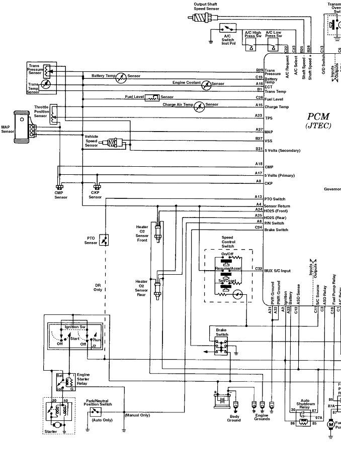
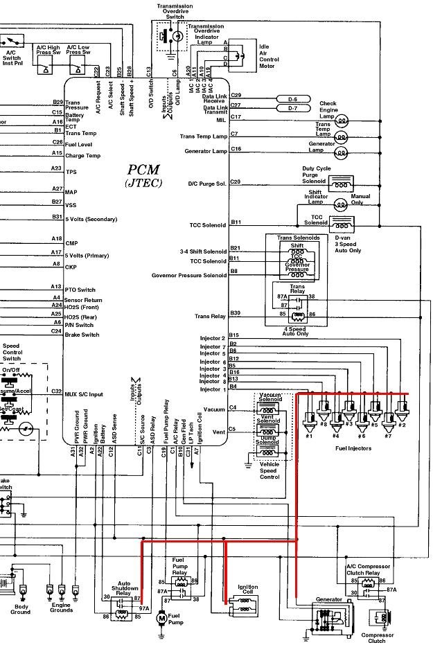
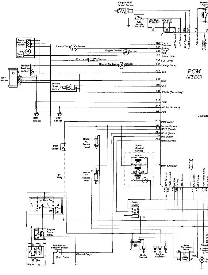
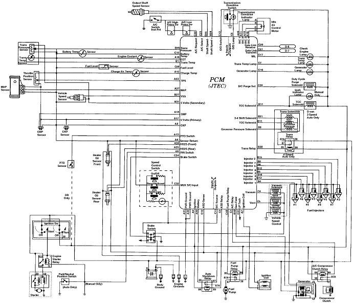
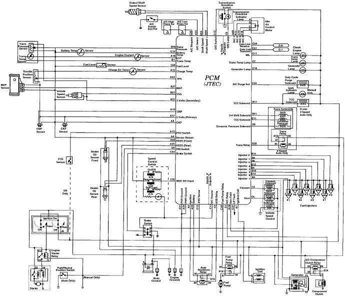
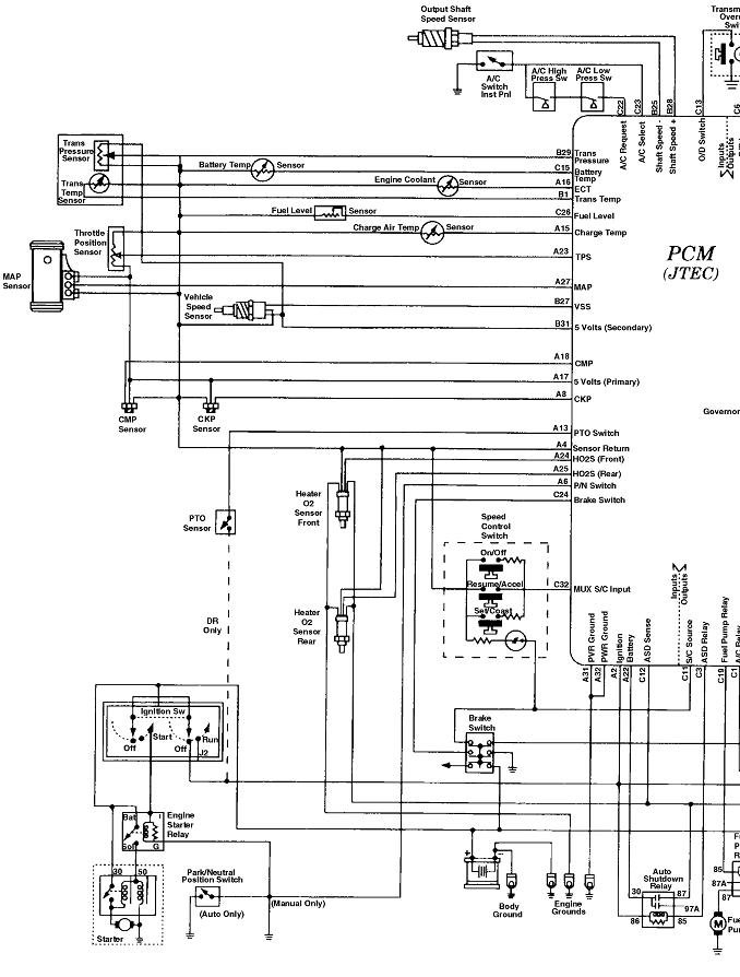
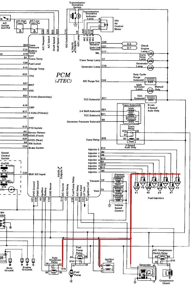
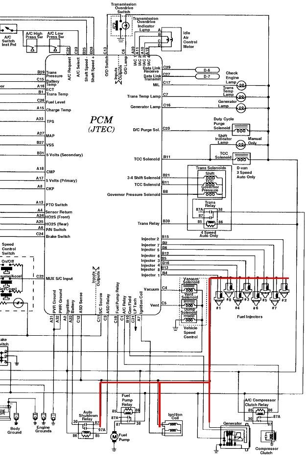
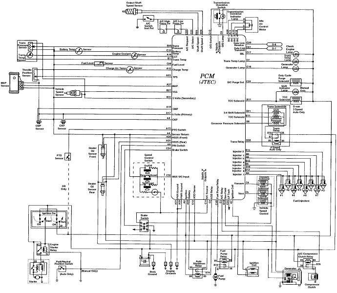
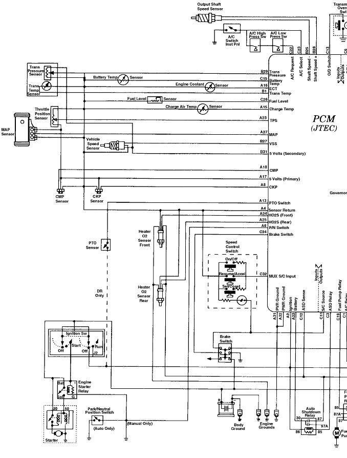
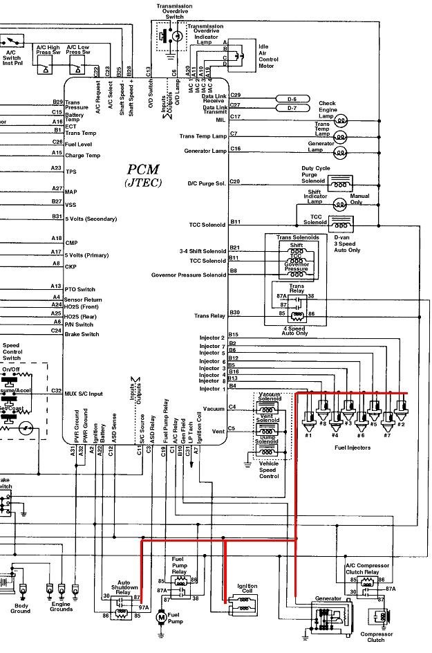
The first diagram is of the entire "JTEC" system used in 1996. That's "Jeep / Truck Engine Controls". The two other diagrams are of the same thing, just split in half so I could expand them to make them easier to read. In the second one, I added the red lines to show where 12 volts appears when the ASD relay is switched on.

There is no direct ground for the injectors. That entire circuit, including the injectors, gets 12 volts from the ASD relay for one second when you turn on the ignition switch, then it goes back to 0 volts until you start cranking the engine. The important thing to check is if that 12 volts comes back during engine rotation, (cranking or running). In this case we know it does because you have spark. Can't have spark if the 12 volts isn't feeding the ignition coil.

The second terminal on each injector goes to ground through the Engine Computer. Those grounds are switched on to pulse the injectors open for a specific amount of time. There's usually two "power" ground wires for the computer and two "signal" ground wires for the more precise sensor circuits. The ignition coil uses the power grounds, so we know those have to be okay.

In this system, the fuel pump relay is on a separate control line, but it is still switched on at the same time as the ASD relay. A good clue that circuit is working is if you hear the fuel pump hum for one second when you turn on the ignition switch. That should be sufficient to get fuel pressure up to where it looks normal. One test is to connect a fuel pressure gauge, then watch what happens to fuel pressure during cranking. If pressure drops, that can only be because the injectors are firing, but the pump has not resumed running. That would be a very uncommon symptom.

Normal fuel pressure is around 45 - 50 psi. When an intermittent problem developed on my old '88 Grand Caravan, the engine still ran fine down to 20 psi, but I doubt it would restart with it that low after stopping the engine. Check yours for fuel pressure that's too low. The typical failure for Chrysler fuel pumps is they fail to start up, leaving you sitting in the driveway. It is not common for them to run but fail to develop proper pressure. That's a common GM fuel pump failure. If low pressure is what you find, a better suspect would be a plugged strainer inside the gas tank. I've had that four times with three vehicles. The clue to that is the engine will start and run fine for perhaps five to ten minutes, then stall when the largest amount of gas is being pumped, ... Which is during coasting. The engine will start and run again after sitting for a few minutes. You can identify this too by watching the fuel pressure gauge. I drove my minivan with the gauge tied to the radio antenna for a year and a half before I caught that intermittent problem. It was worse when dragging a large tandem axle enclosed trailer. I could see the fuel pressure slowly dropping over a mile or two. If you suspect the strainer might be plugged, change it; don't try to inspect it as it will look fine.

If none of this pans out, you're going to need a scanner to see if the Engine Computer can fire the injectors, and whether or not signals are showing up from the crankshaft position sensor and camshaft position sensor. I can explain that in more detail if necessary.
Was this
answer
helpful?
Yes
No
+1
Wednesday, August 21st, 2019 AT 4:22 PM
Tiny
JUST-INDADODGE
  • MEMBER
  • 2 POSTS
I just got done trouble shooting ASD circuit and fuel pump circuit all was good. (Picture attached is what I did). The PCM is less than 2 years old, I would hate to have to buy another one. I'll check fuel pressure in the morning, would the strainer being plugged cause fuel pump to go bad? Previous owner replaced fuel pump 2 times in 2 years and I just had to replace it. Also when I'm cranking engine the stereo light turns off.
Was this
answer
helpful?
Yes
No
Wednesday, August 21st, 2019 AT 6:44 PM
Tiny
CARADIODOC
  • MECHANIC
  • 34,489 POSTS
The strainer won't damage the fuel pump, but it can make a good pump seem to be bad, especially if you do a pump volume test. That involves disconnecting the fuel supply line at the fuel rail on the engine, and running it into a container, then you bypass the fuel pump relay so the pump runs continuously with the engine off. I just went through this two months ago with my cousin's Villager. After two minutes, the nice strong flow went down to barely a trickle.

It will help if I start with how the fuel supply system normally works. For this story, lets say the pump can move a gallon of gas per minute. All of that gas goes through the strainer first, then the pump, the filter, then the spring-loaded pressure regulator on the fuel rail on the engine. Only a very tiny percentage of that gas is tapped off before the regulator and goes through the injectors and into the engine. All the rest goes through the regulator, then back to the tank in the fuel return line.

When a molecule of gas is just ready to leave the tip of the injector, two forces are acting on it. One is the fuel pressure pushing on it, and the other is intake manifold vacuum pulling on it. Based on those two forces, the Engine Computer knows exactly how many milliseconds to open the injector valves.

When you coast down from highway speed, intake manifold vacuum goes way up. That pulls much harder on the fuel, and that would result in an excessively-rich condition and increased emissions. To offset that, there's a vacuum hose going to the fuel pressure regulator. That vacuum pulls on the spring-loaded valve to help it open easier. That lowers the pressure it holds the fuel at. By opening the regulator at a lower fuel pressure, it makes it easier for the fuel to flow through it and back to the tank. Since it flows with less restriction, volume goes way up.

So pump volume goes up during coasting even though the amount of fuel going into the engine goes way down. When the strainer is partially plugged, that higher volume can't get through, so it creates a drop in pressure and volume. As long as the volume that can still get through is higher than what the engine needs, the engine will continue to run normally. When the point is reached where volume can just barely keep up, the engine starts to lose power, you press harder on the accelerator pedal, that calls for more fuel volume which can't be supplied, and the engine stalls.

The most common next symptom is the engine will run okay after sitting for a few minutes, but the same thing will continue to happen every few miles. The first two times this happened to me it was on cars with carburetors. The symptoms are different with those because there is no fuel pressure regulator or return hose. It's a simple case of fuel starvation. The first time this happened on a fuel injected vehicle, I chased it for a year and a half with the fuel pressure gauge tied to the radio antenna. That one acted up on the two hottest days of summer, then not again until over six months later. I had to wait for it to get worse before I could diagnose it. The second time it happened, many years later, I figured out how to diagnose the cause by watching how the fuel pressure gauge acted under different conditions, especially when pulling a large trailer.

To finish the story on system operation, when you accelerate, manifold vacuum goes down a lot. In response, the regulator becomes more restrictive to cause fuel pressure to go up. As far as that molecule of gas is concerned, the difference between the two forces acting on it stays the same.

We don't do the tests in the list you posted. All of them pertain to the operation of the automatic shutdown, (ASD) relay, but every item tested in that list has a failure rate of almost 0 percent. As I mentioned earlier, you're way past those tests because you have spark. Everything on your list is on the low-current input side of the ASD relay. There's nothing there for the high-current output circuit, but again, we know that has to be working.

The more common problem related to this system is a crank / no-start condition, and no spark, no injector pulses, and no fuel pump. Most people get hung up on the first one of those they find missing, then get "wrapped around the axle" in that circuit. They forget to look for other dead systems, then what they all have in common.

This JTEC system probably has some differences I'm not aware of, but for a general description, on all Chrysler systems, the ASD relay turns on for one second when you turn on the ignition switch. That sends 12 volts to the ignition coil(s), injector(s), alternator field, oxygen sensor heaters, and a wire runs right back to the computer to verify that circuit did indeed get turned on. On some models the fuel pump is also powered up through the ASD relay. On other models, such as your truck, a separate fuel pump relay is used, but it still gets turned on by the computer at the same time as the ASD relay. If you can hear the hum of the fuel pump for that initial one second, you know the relay circuit that powers it is working, and the computer has control of it. No need to look at your list of tests or at anything else related to those circuits.

Next, during cranking, the computer receives pulses from the crankshaft position sensor and the camshaft position sensor. It's those two signals the computer needs to know to turn the ASD relay, (and fuel pump relay), on again. Those signals are also used to tell the computer when to fire an ignition coil and an injector.

Well over 99 percent of crank / no-starts are caused by these two sensors. If you have a scanner, both are listed with a "Present" or "No", or something similar, to show if the signals are showing up during cranking. When one remains at "No", that sensor is the logical suspect, but first we have to rule out wiring and connector terminal problems in that circuit.

The fastest and most appropriate test for this no-start is to measure the voltage anywhere in that ASD circuit. Usually the easiest place is right at the ignition coil. Next would be any injector or either smaller terminal on the back of the alternator. On most models this is going to be a dark green / orange wire. If it's different with the JTEC system, just look for the wire that is the same color at every injector and the ignition coil or coil pack. A test light works best for this because most digital meters don't respond fast enough. Also, a test light is easier to see from inside the truck when you have to do this yourself.

If you see the test light turn on for one second when you turn on the ignition switch, the ASD relay and all the circuitry, including what's in the tests you listed, has to be working. Over half of the entire system has been proven to be okay. Next, does the light turn on again during cranking? If it does not, those two sensor circuits are suspect. In the rare event the light does turn on during cranking, the ASD relay is getting turned on, and only one of the multiple circuits it powers is dead. Most of the time that's the fuel pump. Perhaps two percent of the time it's the ignition coil circuit. It's pretty much unheard of for just the injectors to all be dead. Other than the wire between the splice and all the injectors, there's eight individual control lines, and it's not likely all of them would develop a problem at the same time.

The rest of the story is the reason for using this type of system. If a fuel line were to be ruptured in a crash, raw gas would get pumped onto the ground where it would obviously be a major fire hazard. There could be no fuel pressure in a broken pipe, and the engine can't run with no fuel pressure. Since the engine stalls, there would be no pulses from the crank and cam sensors. In response, the computer turns the ASD and fuel pump relays off. One of those removes power to the fuel pump, so it stops dumping gas on the ground.

Another common problem on all car brands is those two sensors often fail by becoming heat-sensitive. As long as you keep driving, natural air flow keeps them cool. It's when you stop for a few minutes with a hot engine, as in when stopping for gas, that "hot soak" allows engine heat to migrate up to the sensors, causing one to fail. The clue is they usually work again after cooling down for about an hour.

Now I have to tell you more than I know. With the cars and minivans up to around 2002, if either sensor failed, (or a wiring problem developed), while driving, the engine would stall. In later models, the engine would continue to run if one of them failed, but it would not restart after stopping the engine. While running, when one sensor fails, the computer goes to a default mode where it uses only the other sensor, and simply calculates which piston is the next one coming up on the intake or spark event. Once the engine is turned off, the computer can't know which cylinder to fire first, so it doesn't fire any of them.

There are some even newer versions now that will start and run on just one of those sensors, but only as a "limp" mode that lets you drive the car with reduced performance.

I don't know where the JTEC system falls related to those sensors. Since you have spark, it would seem both of them are working, but then you should have injector pulses too. Most circuit descriptions will tell you the camshaft position sensor signal is used for injector pulse timing because that doesn't have to be very accurate, and crankshaft position sensor pulses are used for spark timing because that does need to be very precise. If there is no back-up mode for a failed cam sensor, logic would dictate the computer would not fire the injectors.

The place to go next is to read and record the diagnostic fault codes, which you did already. The clinker here is it is common to have a failed cam or crank sensor with no related diagnostic fault code. They often do not set just from cranking the engine. They usually need more time to be detected, as in when a stalled engine is coasting to a stop. For that reason, do not assume both sensors are good just because there's no fault codes set related to them. The accurate test is to connect a scanner and look under "Live data", or "Sensor data" to see if the signals are showing up during cranking.

Your camshaft position sensor is a Hall Effect disc under the rotor in the distributor. That same design was used in the front-wheel-drive cars with the 2.2L and 2.5L engines. In those applications that sensor had a very high failure rate. Those vehicles didn't use a crank sensor. Spark and the injector pulse were both timed with the cam sensor.

Now, to address the repeated fuel pump failures, we don't hear much about that any more, but it used to be fairly common. Chrysler fuel pumps almost always fail by failing to start up, leaving you sitting in the driveway or parking lot. GM pumps almost always start up, then they fail while driving, leaving you sitting on the side of the road. The difference is caused by how the pumps fail. Chrysler pumps usually develop worn brushes in the motor. They make intermittent contact at first, so banging on the bottom of the gas tank often gets them going, then they will never stop once they're running. When you get one started that way, it could do the same thing next time, or it might not act up again for months.

The repeat failures are different. The recurring complaint is the pump had to be replaced, then the aftermarket replacement failed four or five times under warranty until finally, out of frustration, you buy a new pump from the dealer and don't have any more problems. In reality, it wasn't the dealer's pump that solved the problem. In fact, Napa buys their Chrysler fuel pumps from the same supplier that makes them for Chrysler, and probably a lot of other retailers do too. What was found to be happening is microscopic debris collected in the gas tank. (I wonder if that could be mold growing on the ethanol in today's gas). Chrysler pumps are built to very tight clearances which makes them a lot quieter than GM pumps, but that debris was clogging up the rotors. Each time you install a new pump, more of that debris gets collected in the pump, then it too fails. By the time you get a dealer's pump, out of desperation, all that debris has been collected, so there are no more pump failures. The approved solution for this was when you needed to replace the fuel pump, especially on low-mileage vehicles, first take the gas tank to a radiator shop to have it steam-cleaned, then install the new pump. People who did that did not have repeat pump failures, so there must have been some truth to the story.
Was this
answer
helpful?
Yes
No
Thursday, August 22nd, 2019 AT 5:39 PM

Please login or register to post a reply.