Thursday, January 30th, 2014 AT 6:50 PM
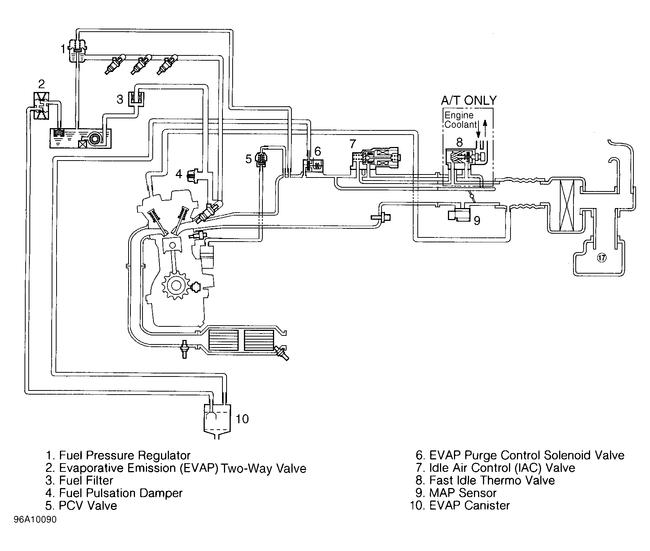
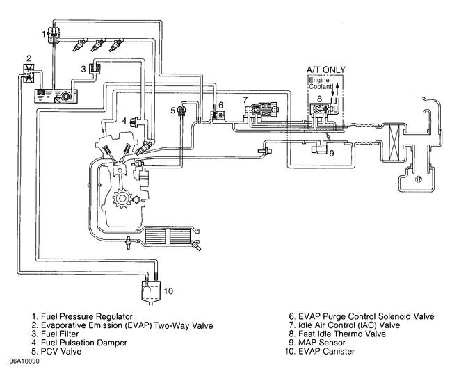
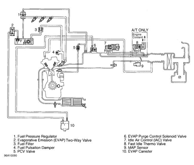
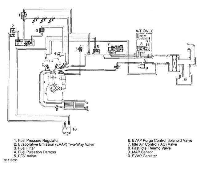
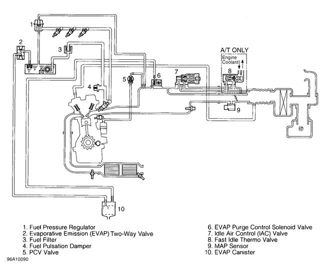
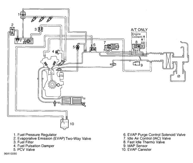
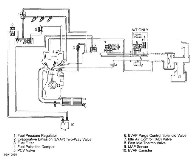
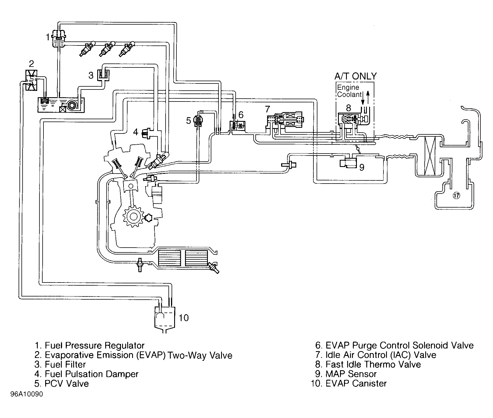
I have a 1996 integra ls with a vtec head swap and my car idles weird it goes up and down from 1 rpm to 2 rpm constantly when I come to a complete stop or when it's in gear it does it. It doesn't do it sometimes when I start it. But when I rev it, it does. Some say it could be a vacuum leak or my car needs to be tuned or the throttle body is clogged. Or someone told me it's because I need to do a obd2 to a obd1 conversion







