Transmission replacement

Tiny
PIMPMASTER
  • MEMBER
  • 1995 OLDSMOBILE DELTA 88
How to change a transmission on a 1995 Olds delta 88 royal with a 3.8 l
Tuesday, April 17th, 2012 AT 3:50 AM

1 Reply

Tiny
FIXITMR
  • MECHANIC
  • 9,990 POSTS
Hello,

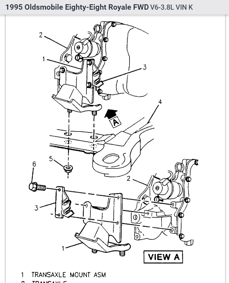
Here is a video to give you an idea of what you are in for when doing the job allow with diagrams below to help you see how the job is done on your car. Its a stick and not the same car but the procedure is very similar.

https://youtu.be/6N6b5F2ChyE

Check out the diagrams (Below). Please let us know if you need anything else to get the problem fixed.

Cheers
Was this
answer
helpful?
Yes
No
Tuesday, April 17th, 2012 AT 3:58 AM

Please login or register to post a reply.

Related Transmission Replace/Remove Content