Car repair on 1995 mercry courgar

Tiny
KEVINTERRELL
  • MEMBER
  • 1995 MERCURY COUGAR
  • 6 CYL
  • 2WD
  • AUTOMATIC
How to change out the neurtral safty switch
Monday, February 14th, 2011 AT 1:08 AM

2 Replies

Tiny
IMPALASS
  • MECHANIC
  • 3,112 POSTS
Hello â€

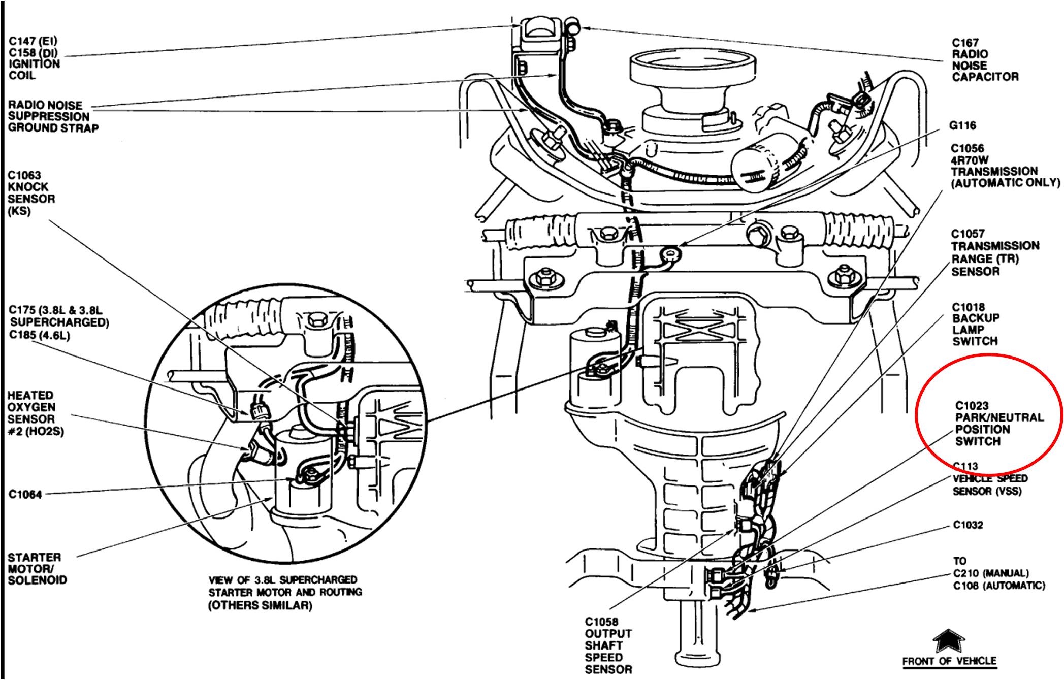
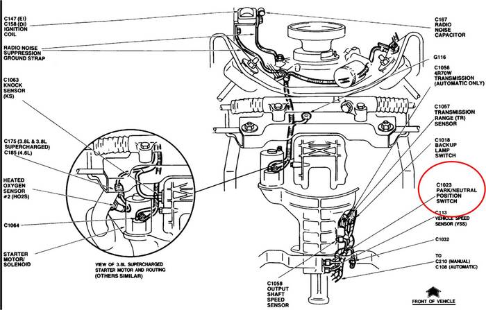
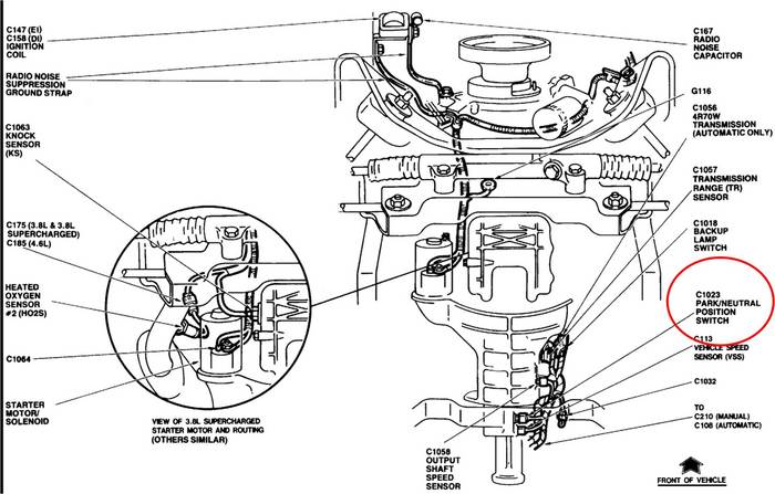
This is located on the left side of the transmission. You will need to jack the car up and brace it for safety, unplug, unscrew, install the new, install the plug...

There are no directions for doing this as this is considered general mechanic work †thus someone with basic knowledge will have an understanding on how to do this. I hope this helps.

Please make sure you brace the car properly!
Was this
answer
helpful?
Yes
No
Sunday, March 27th, 2011 AT 11:46 PM
Tiny
IMPALASS
  • MECHANIC
  • 3,112 POSTS
Hello â€

Also, it looks like you may have some recalls on your vehicle. The dealer may fix these for free. Please contact the dealer service department, give them the VIN number of your car and have them check on these to see if they apply to you.

00M10
04/01/2000
Campaign - Head Gasket Replacement

95B79
01/01/1995
Campaign - Keyless Entry System Transmitters
Was this
answer
helpful?
Yes
No
Sunday, March 27th, 2011 AT 11:48 PM

Please login or register to post a reply.

Related General Content