ASD Relay

1995 JEEP WRANGLER
115,000 MILES • 4 CYL • 4WD • AUTOMATIC
Avatar
JAYFORBES
  • MEMBER
  • 2 POSTS
What is a ASD Relay? Where is it located on my Jeep? What does it do? Thanks, Jay
May 16, 2011 at 7:38 PM
Advertisement
Repair Safety Notice: This information is for general instructional purposes only. Vehicle repair can be dangerous. Verify all information, follow manufacturer service procedures, use proper tools and safety equipment, and consult a qualified repair shop when needed.
Avatar
WRENCHTECH
  • AUTOMOTIVE REPAIR CONTRIBUTOR
  • 20,761 POSTS
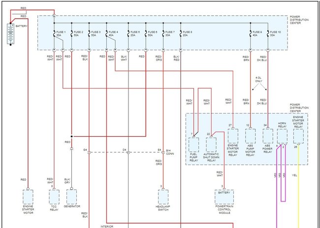
PURPOSE
A 12 volt signal at this input indicates that the Automatic Shutdown (ASD) relay has been activated.

OPERATION
This input is used only to sense that the ASD relay is energized. If the Powertrain Control Module (PCM) does not see 12 volts when the ASD relay should be activated, it will set a Diagnostic Trouble code.

Supplies power to the fuel pump relay as well.

See the diagram below to visually get an idea of how it is wired into the system
May 16, 2011 at 7:47 PM