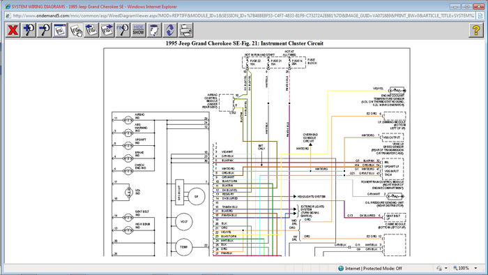
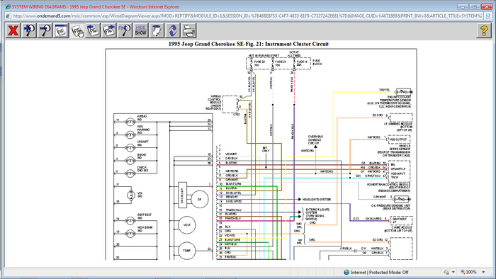
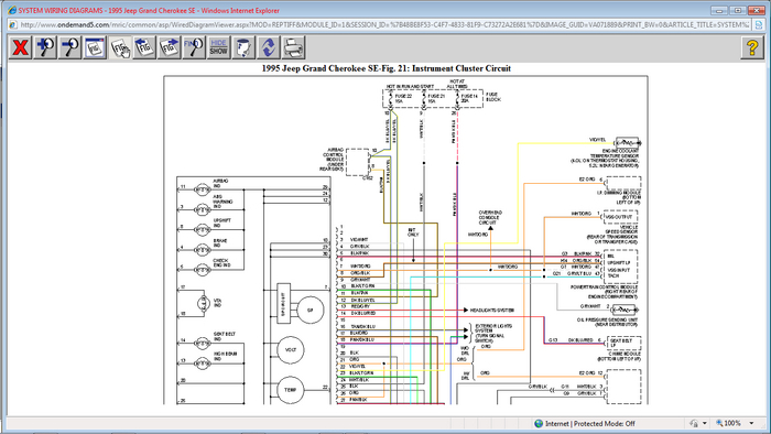
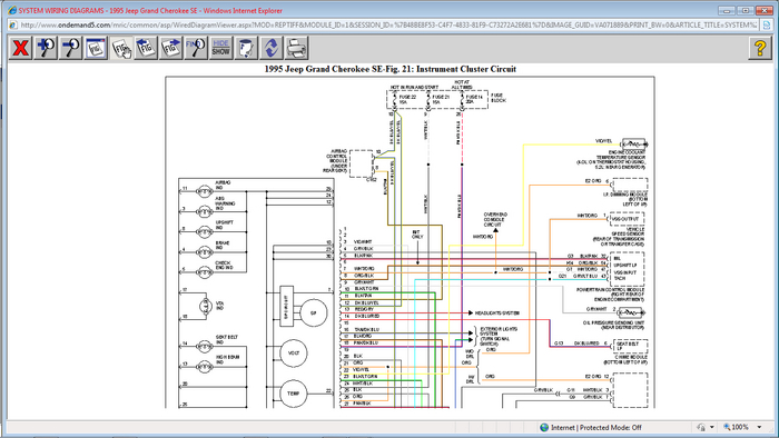
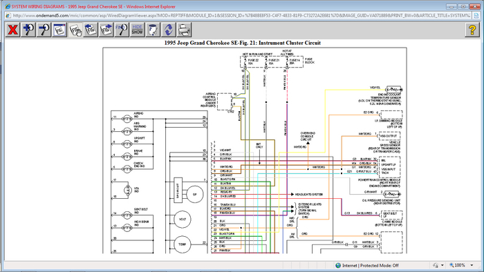
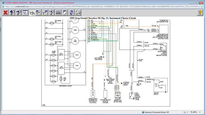
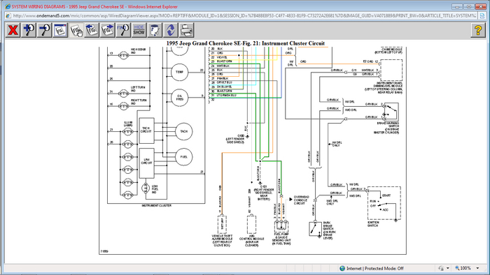
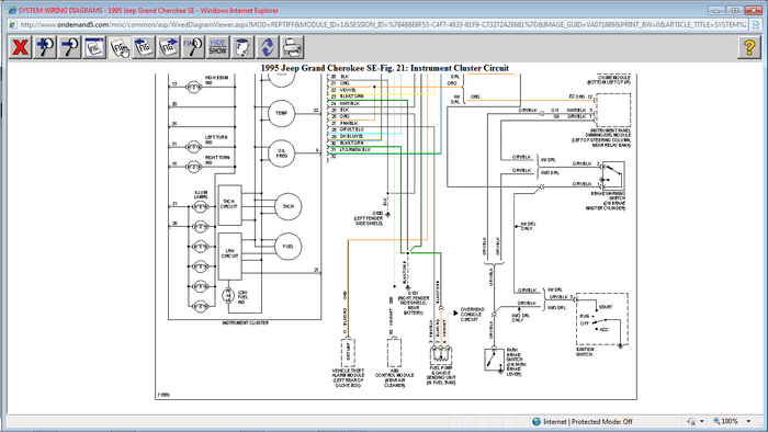
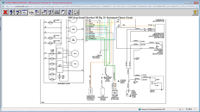
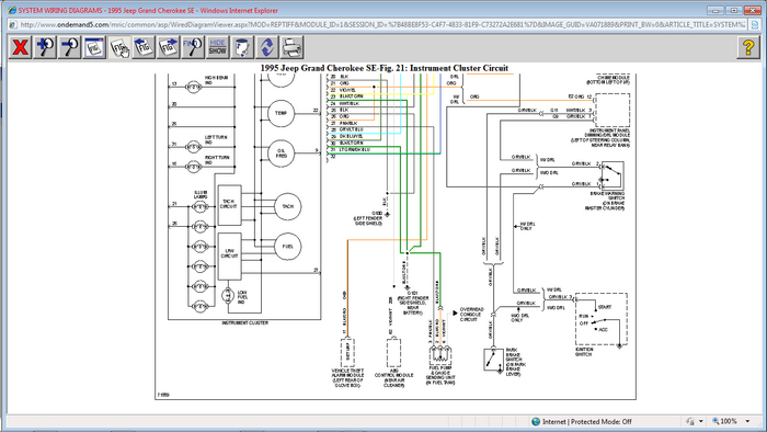
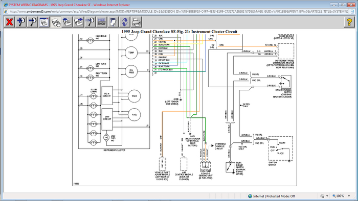
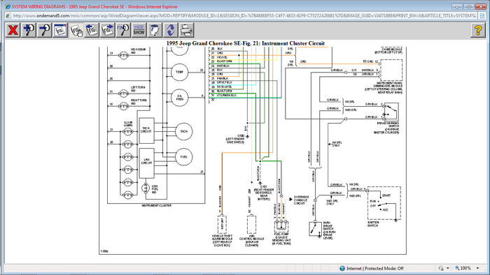
Wednesday, November 23rd, 2011 AT 2:07 AM
When I am driving my tacometer bounces up and down jeep feels like it is loosing power, then is okay after a few seconds, then starts again, I just changed the coil no differance.



