Blower motor AND left/right blinkers; brake lights, have shut off completely, @ the same time.

Tiny
RPATANE
  • MEMBER
  • 1995 FORD F-350
  • 33,700 MILES
Checked fuse box under Lft. Side of dash. Also fuses under hood. All ok.
Flashers, parking lights work. Air cond. Compressor DOES go on when I
Turn **** to air cond. But of course, no blower.
Friday, September 23rd, 2011 AT 1:06 PM

5 Replies

Tiny
HMAC300
  • MECHANIC
  • 48,601 POSTS
Check your bulbs first, then while back there check the ground to make sure it isn't dirty. Then check your brake light switch to see if it's givng power out when you press the brake. For your heater you will have to check your control assembly to see if power is goin g in and out, if not it may be bad or bad connection. Then check your switch to see if it does the same. Finally check your resistor which is on teh right side of heater box. Then go to bottom of left cowl and check to make sure ground wire is connected and clean. Next time give the engine size as it will make a difference
Was this
answer
helpful?
Yes
No
Friday, September 23rd, 2011 AT 1:54 PM
Tiny
RPATANE
  • MEMBER
  • 3 POSTS
1994 Ford F350 Flatbed, 5.8LTR, Standard, 337,000 miles
Upon closer Inspection, 50amp fuse under hood IS blown. Keeps blowing out everytime I run over a bump a certain way. Fuses under dash remain intact. Just before fuse blows out, radio light blinks off and then back on. ABS idiot light goes on, then back off.
Short between fuse and battery?
If so, how do I Pinpoint Source?
Was this
answer
helpful?
Yes
No
Monday, September 26th, 2011 AT 11:09 AM
Tiny
RPATANE
  • MEMBER
  • 3 POSTS
1994 Ford F-350, 5.8LTR. Standard, 337,000 miles
ADD ON to REPLY QUESTION:
Left and Right Blinkers, Blower Motor, all cease to function.
AC Compressor still functions/rotates (gets cold) on engine.
Was this
answer
helpful?
Yes
No
Monday, September 26th, 2011 AT 11:16 AM
Tiny
HMAC300
  • MECHANIC
  • 48,601 POSTS
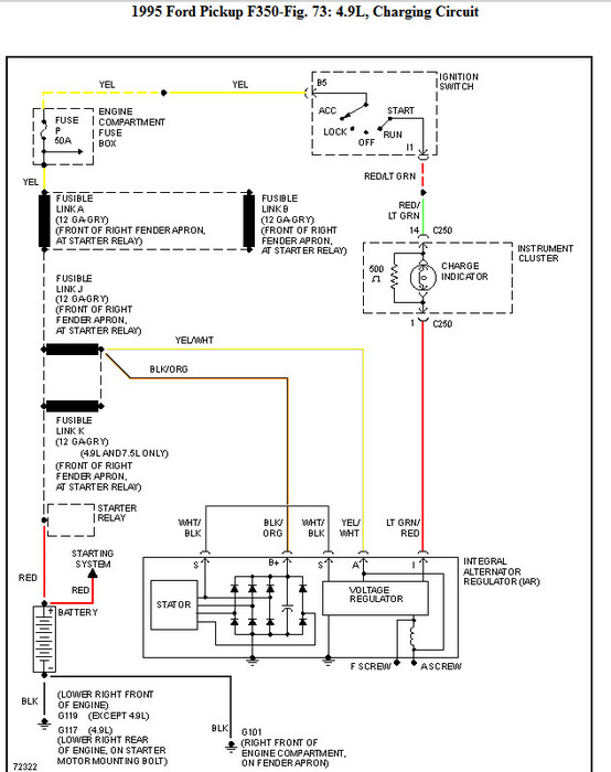
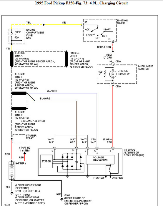
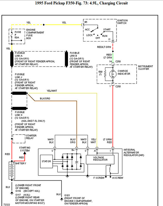
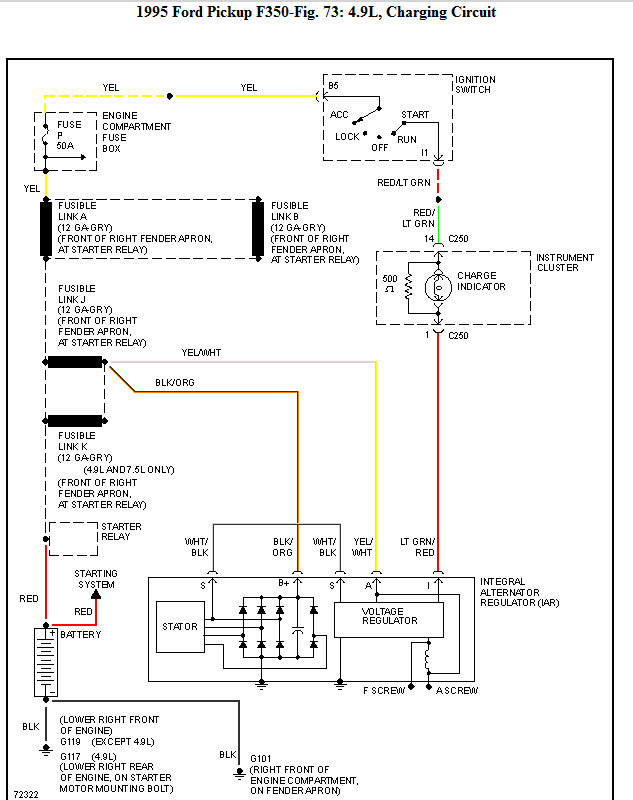
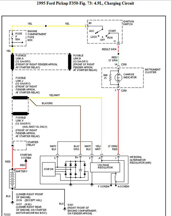
Everything is on that one fuse it seems. Theonly way you'll find thins is to look where harness goes by body or frame, if it blows when you go a certain way youeither find a bare or chafed wire tehre theat hits theframe/body.I'm sending the charging circuit that shows the 50 amp fuse and where it leads to. You might check your trailer harness for this type of wear as it would fly around when youturn and your lights would be on. Best ting if you can do this is see which way you turn when your power goes out and if you have a trailer connected or not as well as that may be the cause. I'm sayin gthis because it's a 350 and normally those types of vehicles have a trailer harness as well as towing. Sometime you can use a compass and it will get all whacked out when you find the short. It's just a matter of trying one system at a time if you can.
Was this
answer
helpful?
Yes
No
Monday, September 26th, 2011 AT 2:37 PM
Tiny
CADIEMAN
  • MECHANIC
  • 3,544 POSTS
There is a short traceing tool. It comes with a breaker and a gauge. When the breaker blows the gauge picks up the surge as you hold it on a multi wire harness. Follow the needle and when you find the short the needle shakes back and forth.
Was this
answer
helpful?
Yes
No
Monday, September 26th, 2011 AT 5:29 PM

Please login or register to post a reply.