1995 Ford F-150 Break lights

Tiny
DBARK156
  • MEMBER
  • 1995 FORD F-150
  • 5.0L
  • V8
  • 2WD
  • AUTOMATIC
  • 115,000 MILES
My brake lights stay on & I have changed the brake light switch. The turn signal still works, so I don't know what to check next.
Saturday, February 7th, 2015 AT 12:17 PM

2 Replies

Tiny
WRENCHTECH
  • MECHANIC
  • 20,761 POSTS
Are all 3 brakes lights staying on?
Was this
answer
helpful?
Yes
No
+1
Saturday, February 7th, 2015 AT 2:56 PM
Tiny
KEN L
  • MASTER CERTIFIED MECHANIC
  • 55,522 POSTS
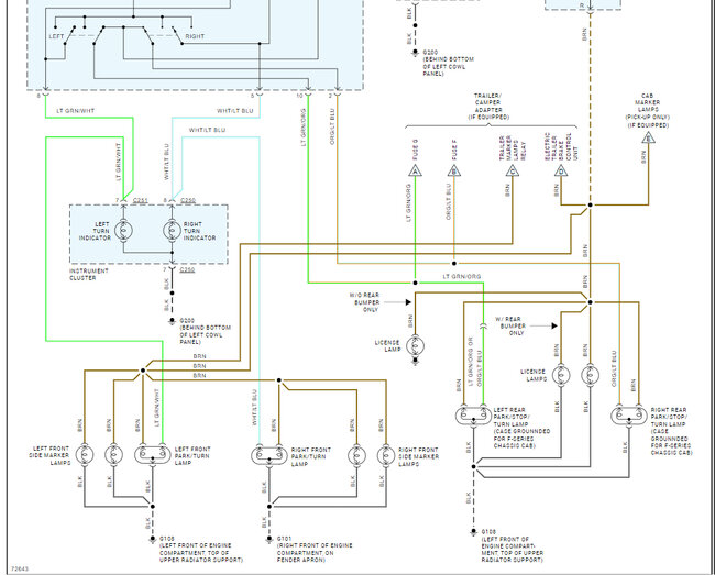
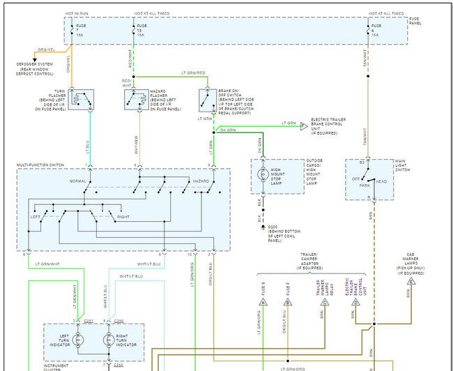
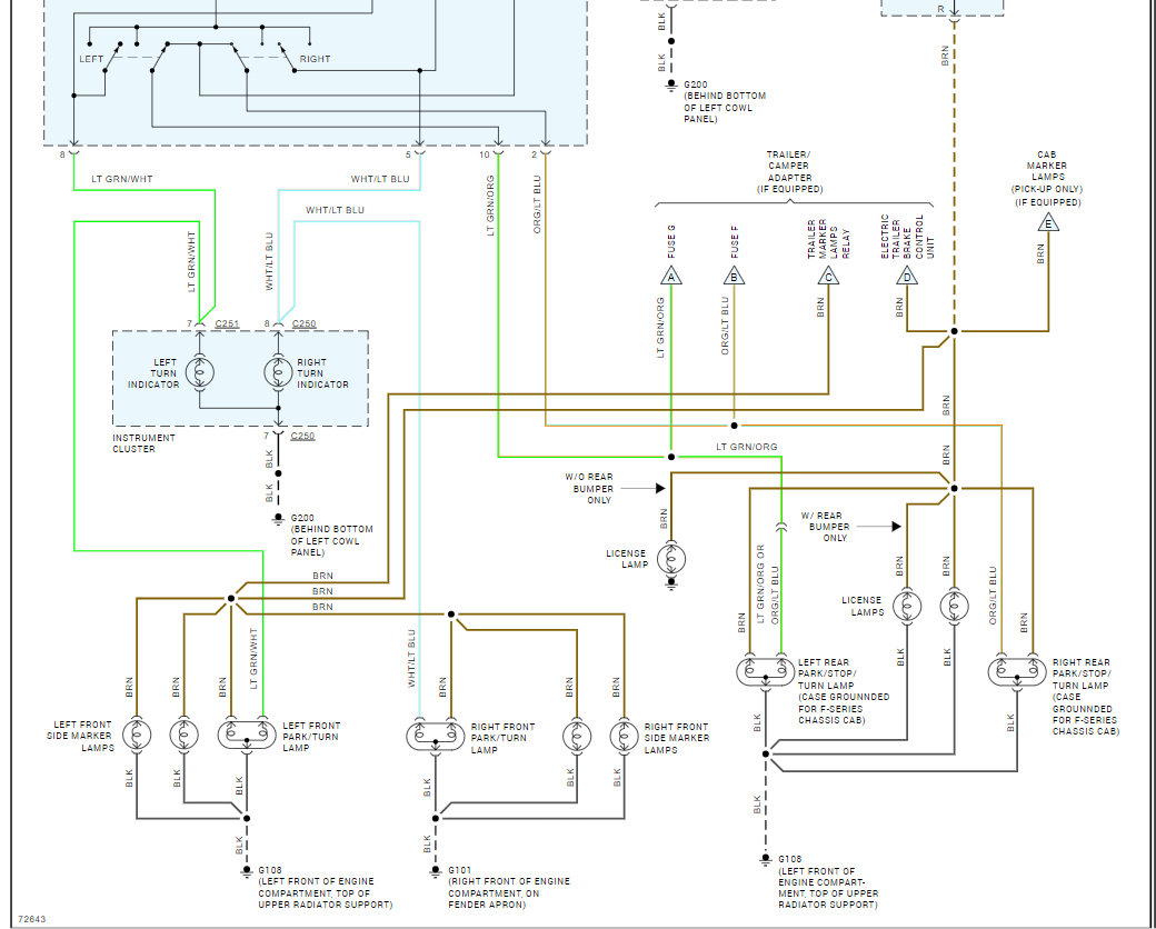
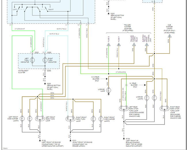
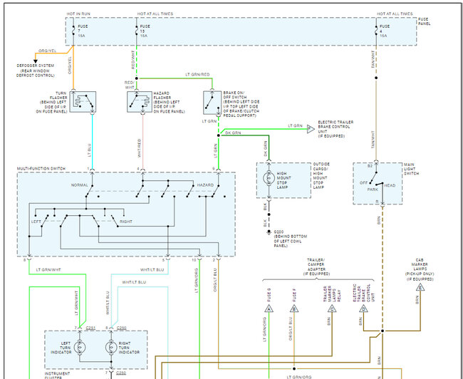
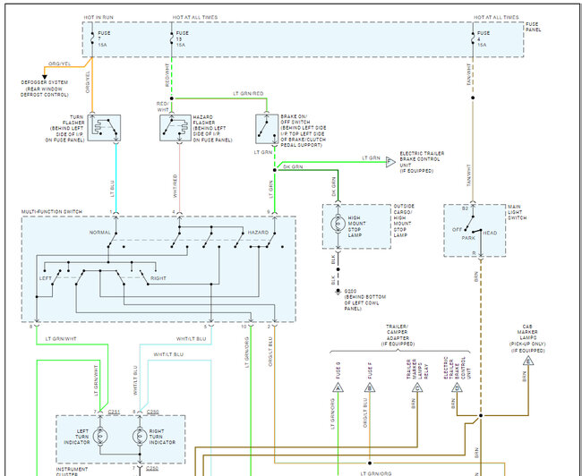
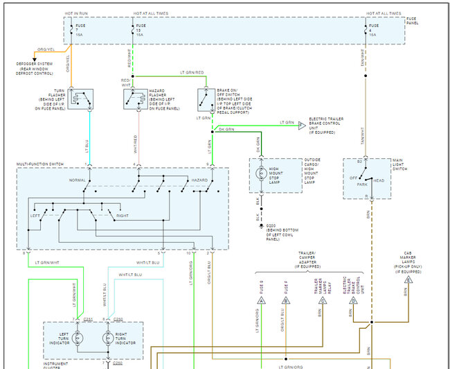
Good question for the question! There is only one part that can make this happens which is a bad multi-function switch. Here is how to change it out and I have included the brake light wiring diagrams so you can see how the system works.

NOTE: On models with tilt column, unscrew the tilt lever and remove.

REMOVAL AND INSTALLATION
1. Remove steering column shroud.
2. Remove switch to steering column tube casting attaching screws, then disengage switch from column.
3. Disconnect switch electrical connectors.

NOTE: Do not damage PRNDL cable.

4. Remove switch assembly.
5. Reverse procedure to install. Torque switch attaching screws to 18-27 inch lbs.

Check out the images (below). Please let us know what happens.
Was this
answer
helpful?
Yes
No
Saturday, July 13th, 2024 AT 3:56 PM

Please login or register to post a reply.