Saturday, November 17th, 2012 AT 10:37 PM
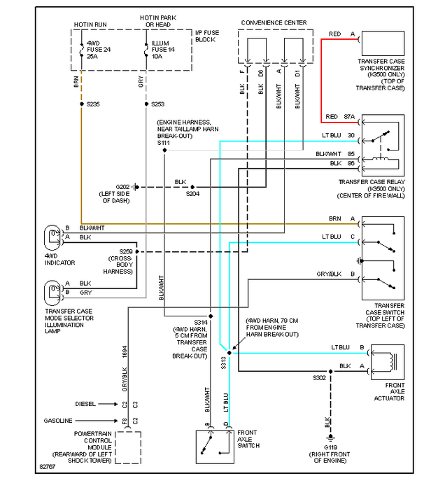
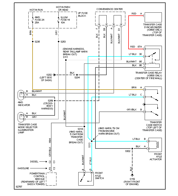
My 6.5L TD has been giving codes 17, 18, 34, 35. So I replaced the Optical encoder in the IP, the Encoder harness filter, the FSD(PMD), I also made sure there are no leaks/air leaks in the fuel supply and return. No change, intermittemt stall and SES light on in limp mode. I got a code 54 a few weeks ago. Then the Front axle (it's a 4WD) actuator quit engaging the front axle. I checked codes and now I get 18, 35, 54, 84, 99. I notice the new ones- 84 and 99- have something to do with a 5 volt reference voltage for the throttle (gas pedal) position sensor. I believe the 54 code is also tied to a 5 volt supply. The wiring diagram shows the front axle/4WD circuit going into and out of the EMC. Do I have a bad EMC quad driver? Is the front axle actuator power controlled by the ECM- the same driver as the IP? I'm about ready to order a refurbished ECM and want to know if that's the right move.





