Friday, December 30th, 2011 AT 10:41 PM
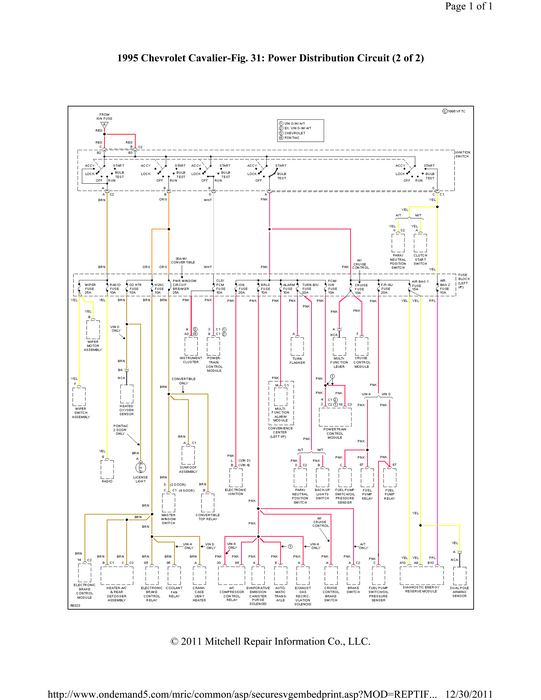
A guy from a auto store told me to hook my radiator fan up to the erls fuse to make it run instead of a toggle switch. I did (mistake), I started the car and everything worked fine till the 5th time I started it. It smoked from under the dash. Now it will turn over but wont fire, the wipers and radio wont work. I have the dash out now looking for where it smoked and everything looks fine. I think I may of fried the pcm but since thats in the wheel well. Help please

