Why are my brake lights not turning on?

Tiny
ANONYMOUS
  • MEMBER
  • 1995 BMW 316
  • 90,000 MILES
My brake lights won't come on.
Tuesday, March 12th, 2013 AT 5:53 AM

1 Reply

Tiny
SQM
  • MECHANIC
  • 6,383 POSTS
Hello,

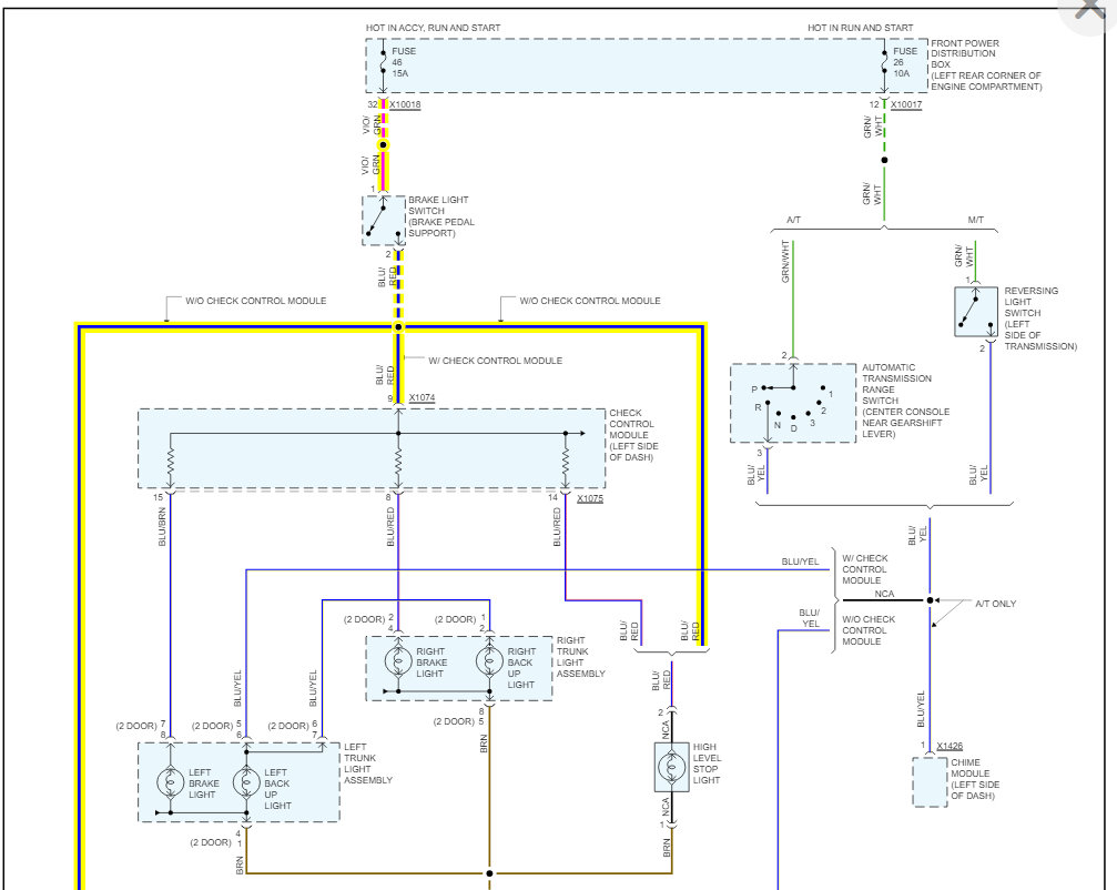
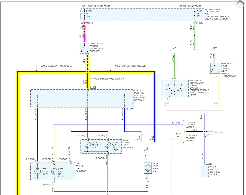
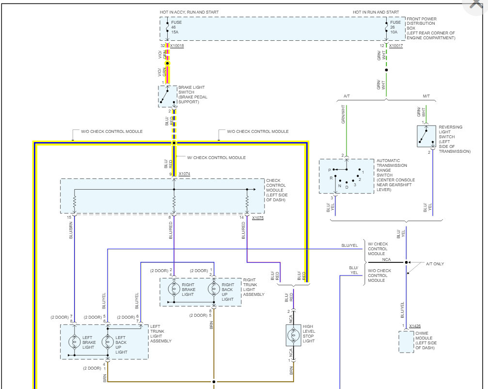
This issue could be due to a faulty brake light switch.
The brake light switch is located behind the brake pedal and when the brake gets depressed the switch gets pushed, which triggers the brake light.
A malfunctioning switch will prevent any of the brake lights from coming on.

https://youtu.be/RBCDVfzNQGk

I have attached diagrams for your reference.

Please let me know if you have any questions.
Thank you.
Was this
answer
helpful?
Yes
No
Friday, January 21st, 2022 AT 9:33 PM

Please login or register to post a reply.