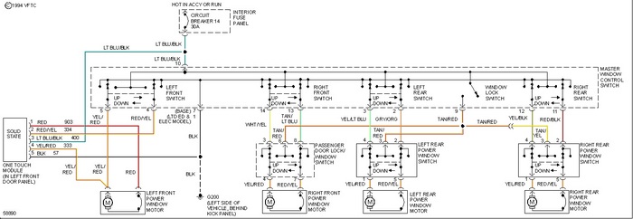
Wednesday, January 26th, 2011 AT 3:05 PM
I have a 1994 ford explorer, the windshield wipers, radio and power windows just went out. Could this be the fuse panel fuse in the power distribution box? They moved a little and then stopped.



