1994 Ford Explorer electric

Tiny
FORDXLT
  • MEMBER
  • 1994 FORD EXPLORER
  • 4.0L
  • 6 CYL
  • 2WD
  • AUTOMATIC
  • 170,000 MILES
Put on a alternator. The lite went out on dash but reads only 10 volts.
Sunday, September 7th, 2014 AT 8:27 AM

1 Reply

Tiny
HMAC300
  • MECHANIC
  • 48,601 POSTS
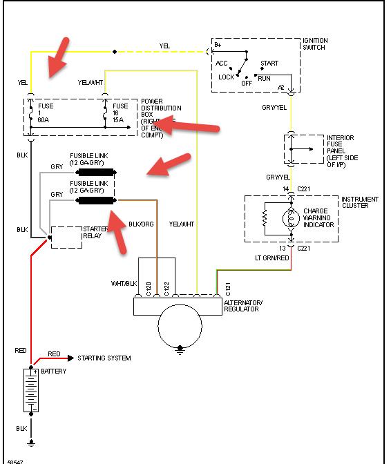
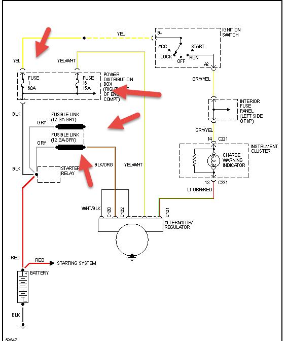
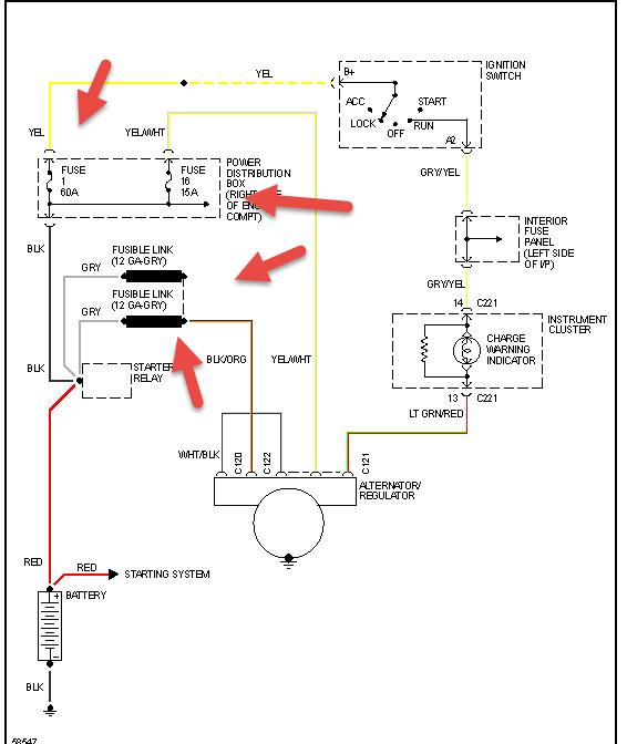
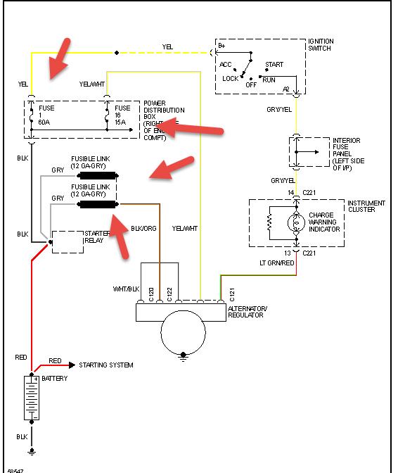
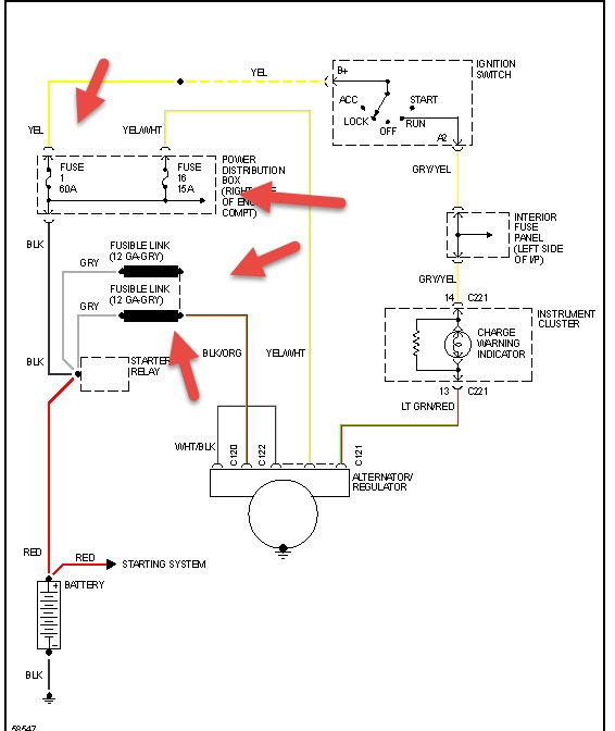
Check battery for condition including load test autoparts do for free. Then reve it up and see if voltage clilmbs It may be a bad belt and tensioner as recommended replacement is 60k then check items in pic
Was this
answer
helpful?
Yes
No
Sunday, September 7th, 2014 AT 11:13 AM

Please login or register to post a reply.