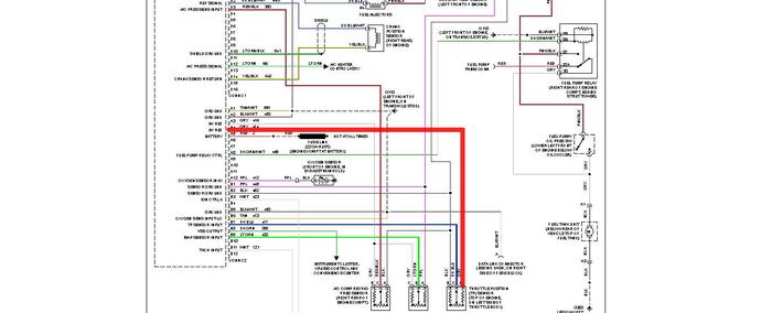
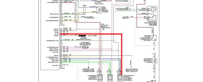
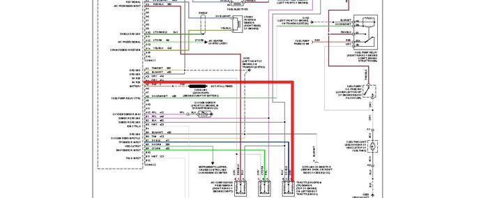
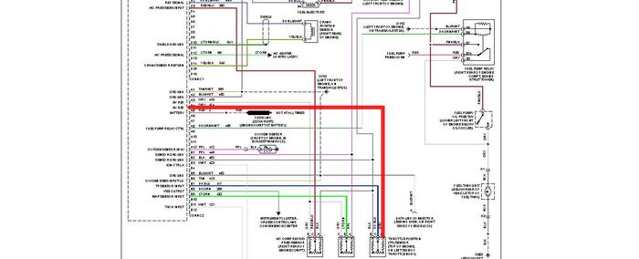
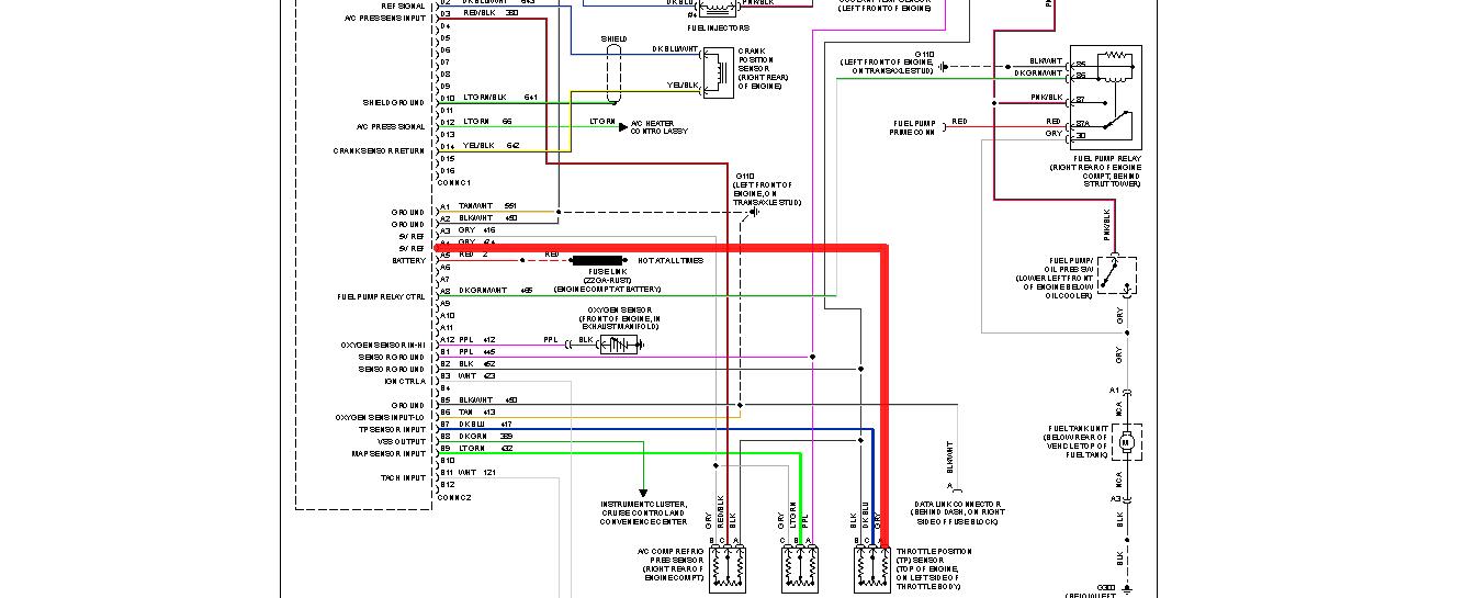
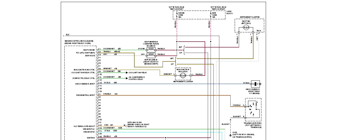
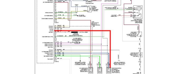
94 cavalier 2.2 It cranks but will not fire. I first checked for spark there is none. Then I also noticed the fuel pump is not coming on with key in run position.
I am ready to start troubleshooting, Possibly the ignition wire?
I am ready to start troubleshooting, Possibly the ignition wire?
Aug 11, 2012 at 11:01 PM




