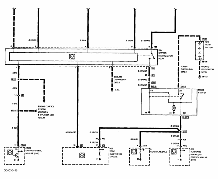
Monday, September 26th, 2011 AT 12:31 AM
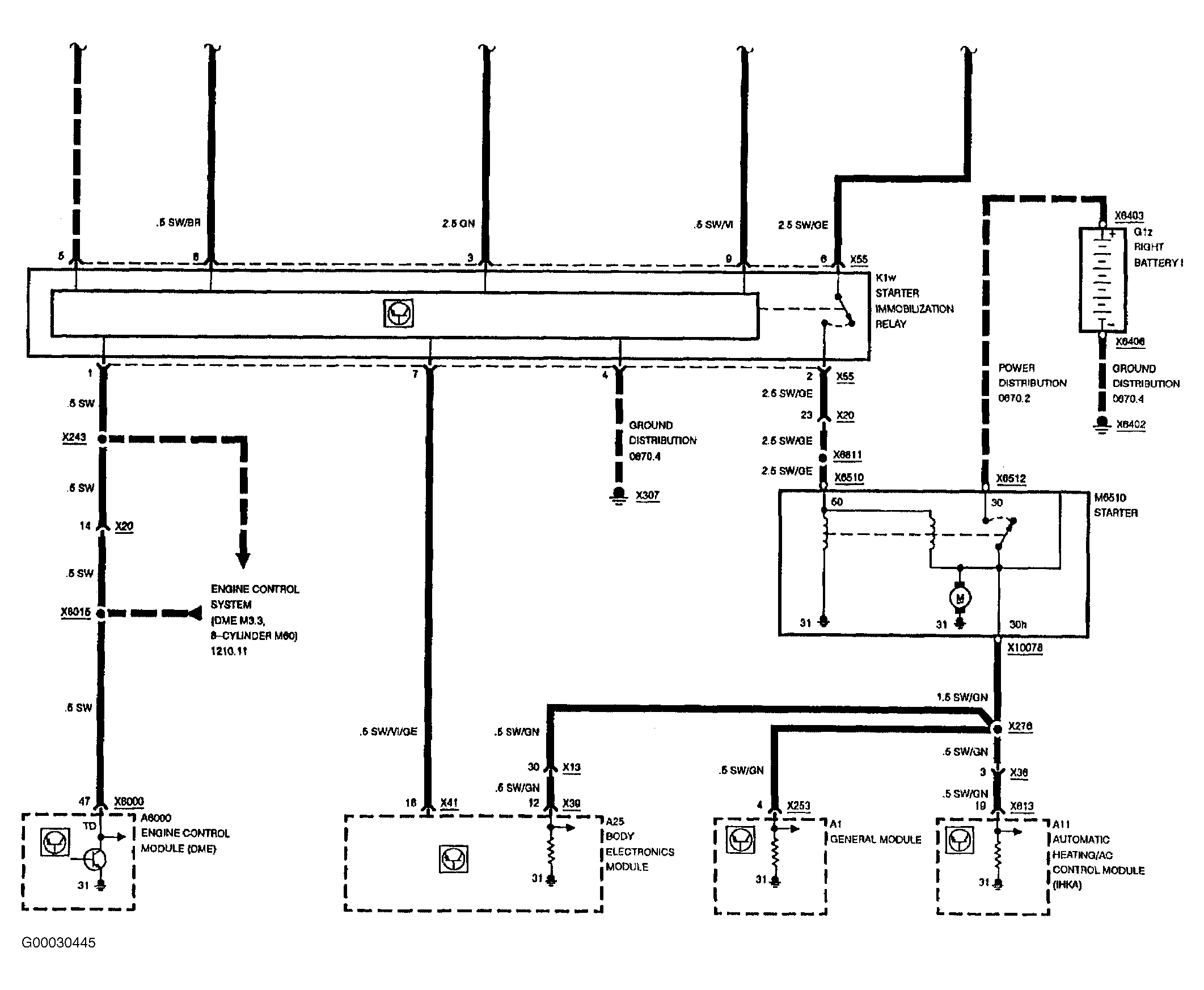
I want to replace the battery. I have seen the one in the trunk on the driver side, is there another? I have also heard that if there are two then replace at the same time.




