Friday, April 22nd, 2011 AT 2:33 AM
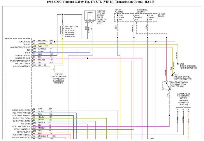
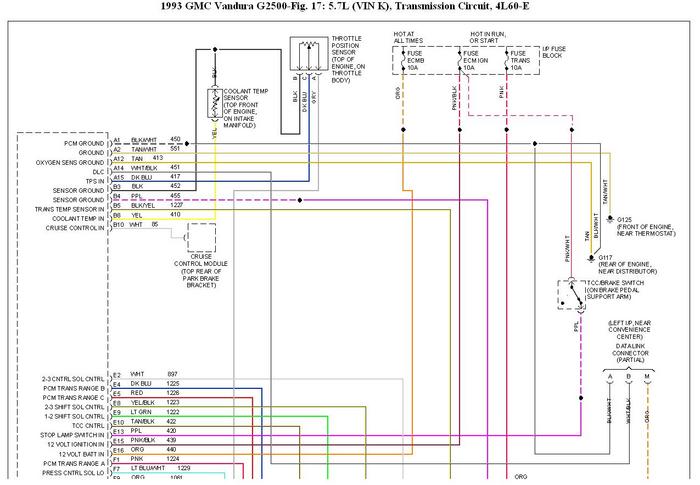
I have a 1993 GMC Vandura 2500 with the 5.7 TBI engine. It has 100,406 original miles. Recently, while I was driving "in-town", it lost power and rolled to a stop. It would not restart. I assumed the fuel pump had failed, so I trailered it home. Upon further investigation, I realized the fuel pump was indeed working properly, but the injectors were NOT pulsing. The engine would fire and run on a shot of starting fluid, but the injectors were not delivering fuel. As it turns out, there was no voltage to the injectors via either the white or red wires. I traced the problem back to a blown fuse (labeled TRANS) in the fuse block. I replaced the fuse, and upon turning the ignition switch to the "ON" position, the new fuse blew instantly. Frustrated with the scenario, I disconnected all the electrical connectors on the transmission, replaced the fuse, and turned the key to the "ON" position once more. SUCCESS! This time the fuse DID NOT blow. The engine started and ran just as it is supposed to. With the engine running, I climbed back under the van and reconnected the speedometer wires. Still running, I moved to the passenger side and reconnected the round grey plug. The instant the connection was made, the engine died. Once again, the fuse was blown and the injectors dead. What could possibly have happened, inside the transmission, to cause this problem? What does the voltage, going through the TRANS fuse, actually supply power to inside the transmission? Is this a common problem? Any insight would be very much appreciated.




