Sunday, December 26th, 2010 AT 12:39 AM
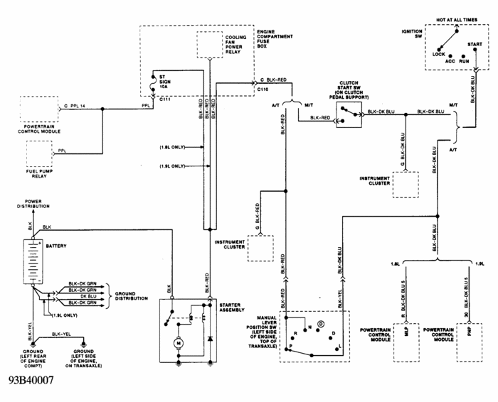
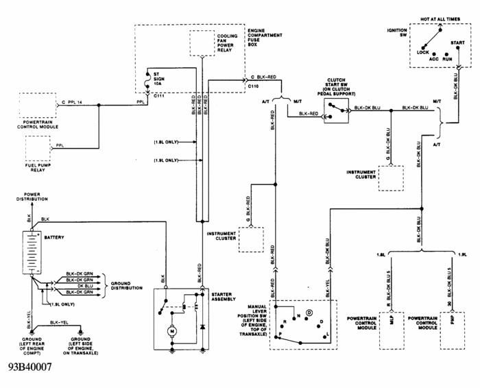
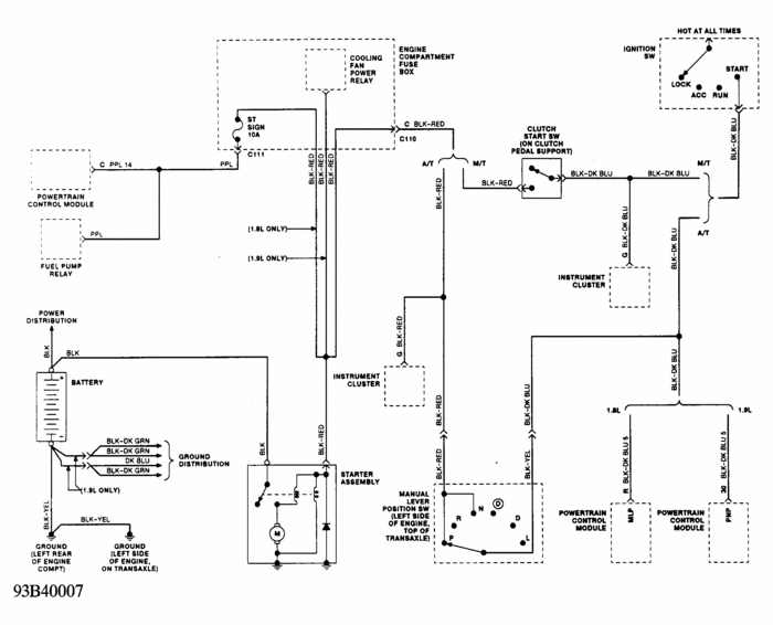
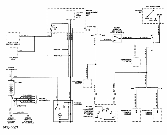
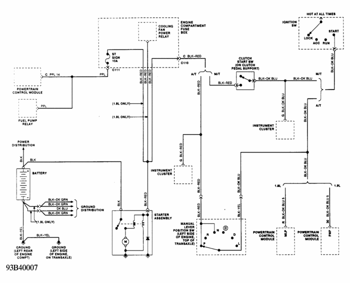
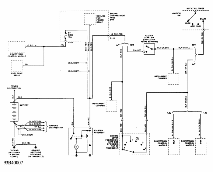
I have a 1993 Ford Escort Station Wagon, it have the ignition switch bad and I want to replace for similar part but I do not have the electric information to do that job. I need the wiring electric diagram, at least of the mencioned part. I do not can get the original part on my country.



