Thursday, April 21st, 2011 AT 9:19 AM
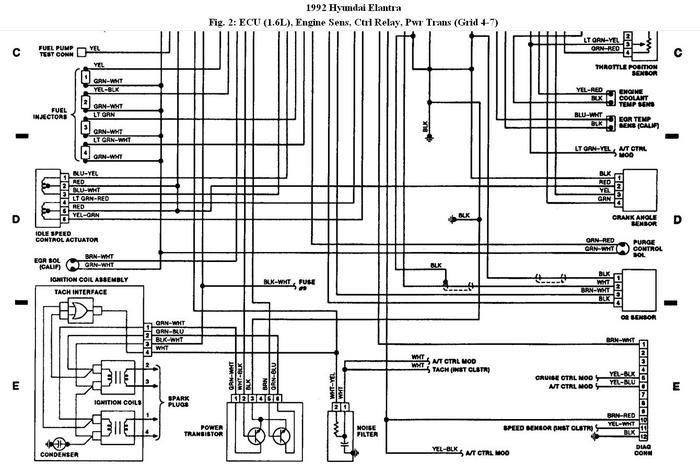
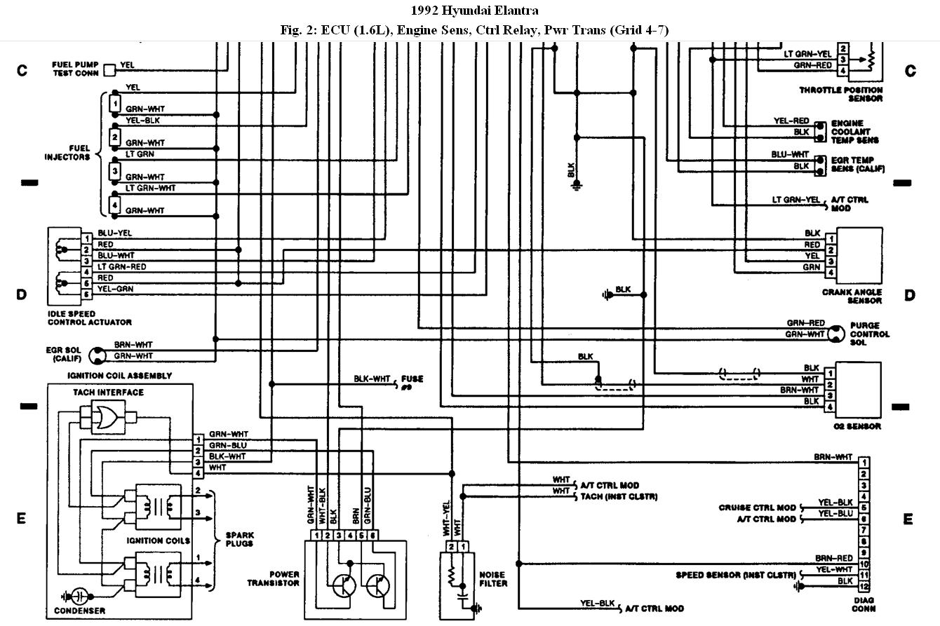
Fuel pump will not energise. With plug CO1-2 removed from ECU shorting pin 4 to chassis energises ECU relay which energises the fuel pump. ECU repaired.




