Horn doesnt work

Tiny
DRAZTIKGURL
  • MEMBER
  • 1991 GMC S15
  • 261,000 MILES
The horn does not work on my 91 s15 jimmy I bought a new horn and it still doesnt work. Why and what else could it be?
Monday, October 17th, 2011 AT 10:54 AM

1 Reply

Tiny
JDL
  • MECHANIC
  • 16,098 POSTS
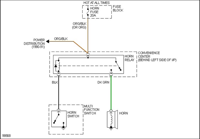
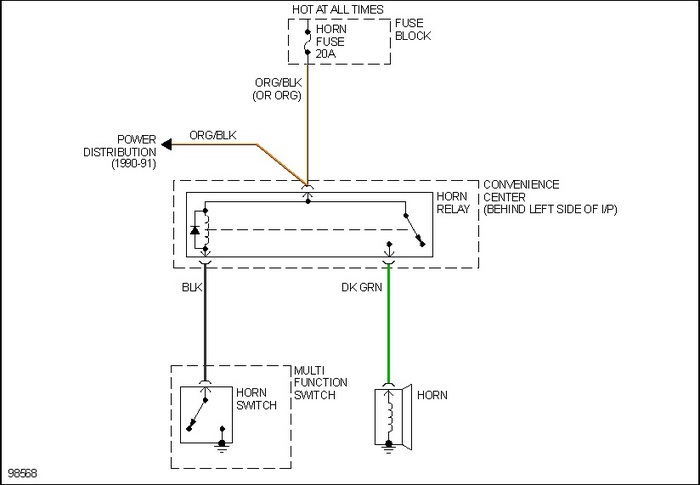
The problem is usually in the steering column, wiring. If one electrical wire at the horn, have helper apply the horn, while you use a voltage tester to see if any voltage on the wire. Note the wiring diagram. Check the applicable fuse for voltage. You could check voltage and ground at the horn relay.
Was this
answer
helpful?
Yes
No
+1
Monday, October 17th, 2011 AT 4:02 PM

Please login or register to post a reply.