Wednesday, August 7th, 2013 AT 8:05 AM
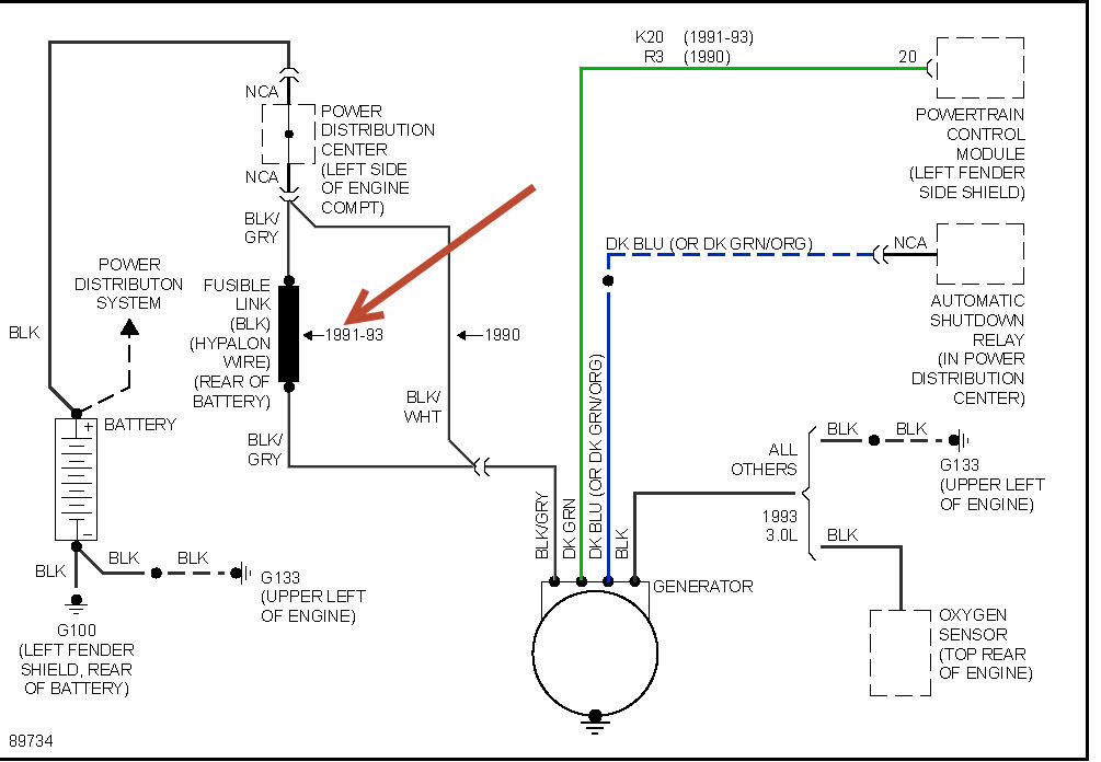
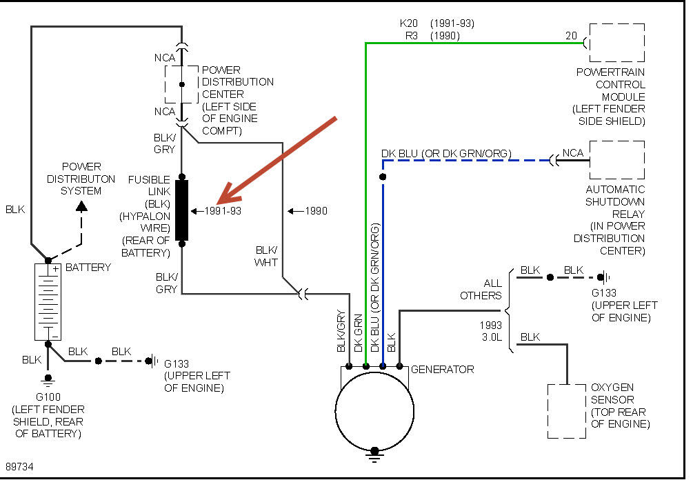
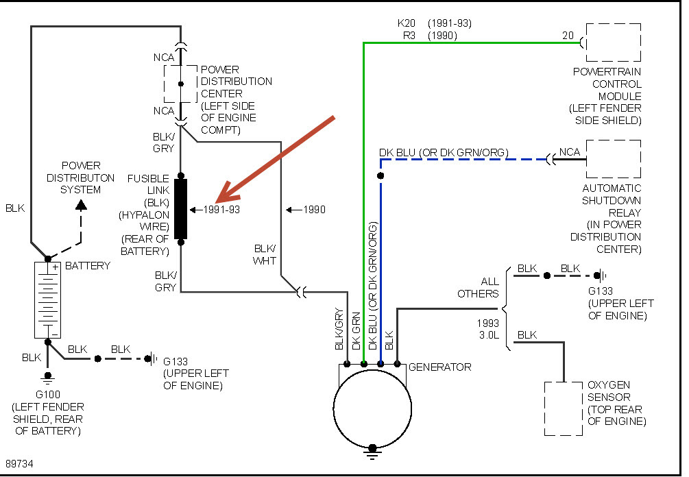
I'm not a novice at auto repair, but this one has me stumped. The owner has replaced the alternator, the computer (controls alternator) and the battery. The car does not show charge voltage on the electronic dash. Intermittant loss of charging system. I have checked all fuses, engine to body grounds, all quick disconnect power cables (2 near battery) and the damned thing starts charging in the middle of testing. Is this a spoiled child wanting attention or is it cursed?



