Friday, October 26th, 2012 AT 11:12 PM
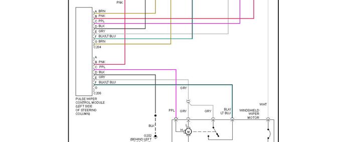
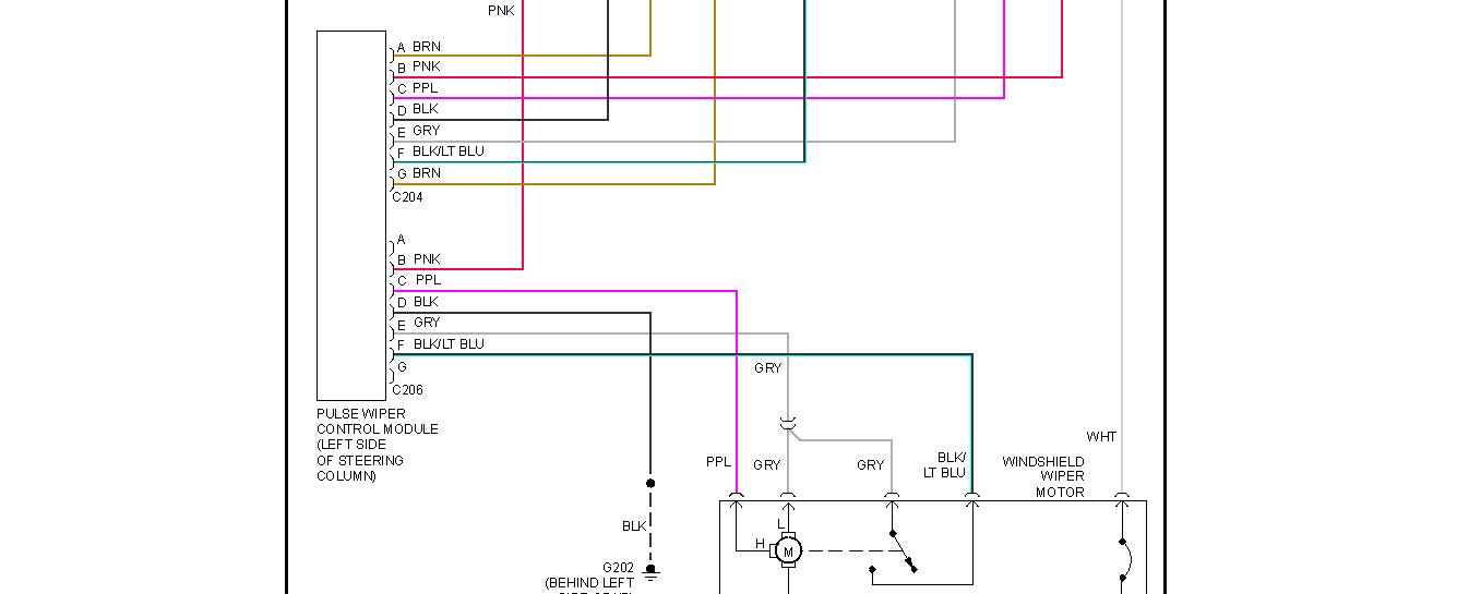
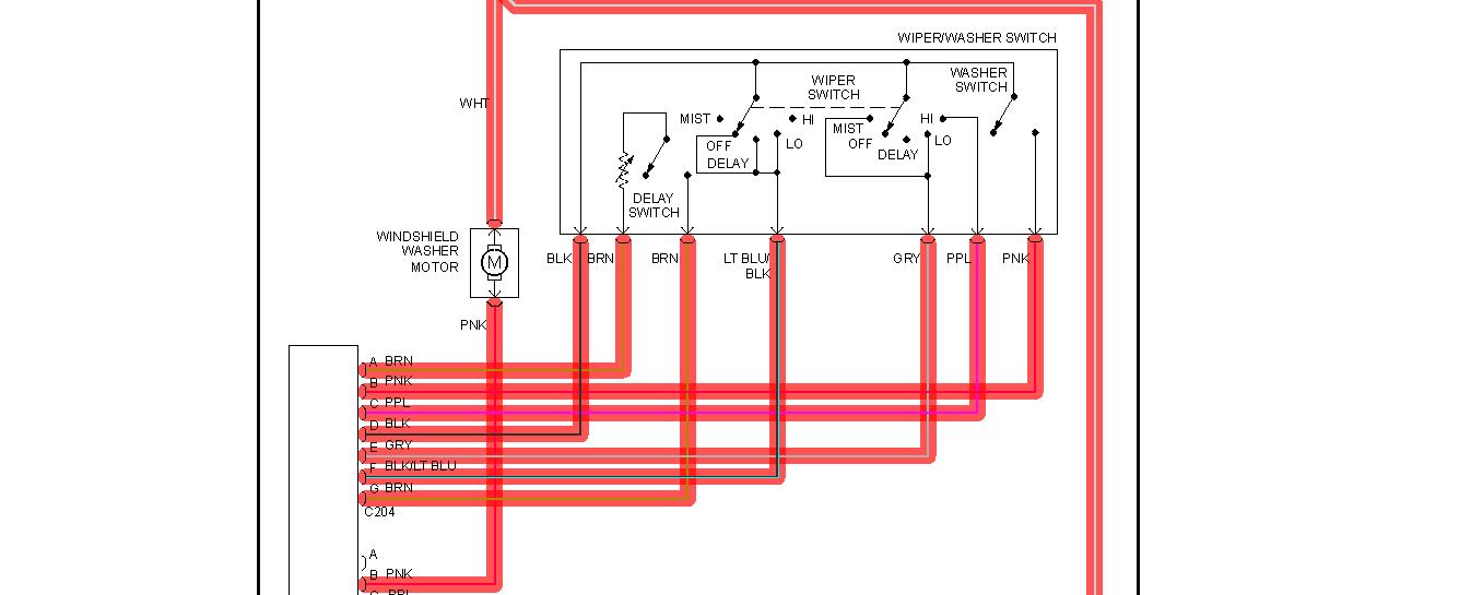
I am trying to determine (trouble shoot) a wiper problem so that I dont have to start replacing parts hoping to get the right one first. I no longer have window wash- I have removed wash motor and checked and it works fine. I no longer have intermittent wipe, and only one speed in stead of having High-Low speeds. Is the problem in the wiper motor itself or is it the switch in the column. Thanks




