Sunday, October 23rd, 2011 AT 5:38 AM
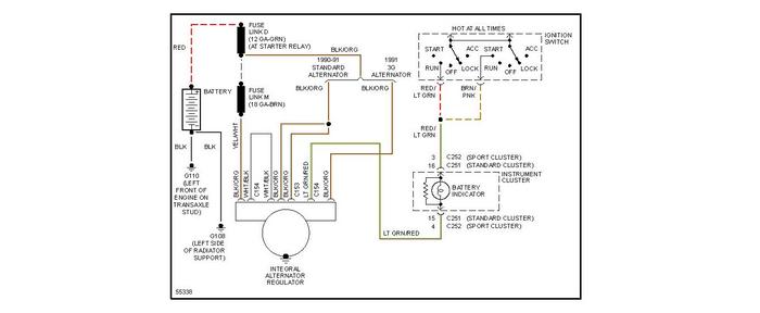
So grandaughter pops in to town to visit and stops by so I do a little underhood checking and YIKES! Serpinteine belt is hanging on by shreds! Then I see waterpump belt has huge crack! So I get busy and after 2 hrs fire it back up and she gets in and says. Why is that red light blinking? And I look and it's the alternator light flickering I tap on alternator and it goes to steady on. I go great, now the alternator died! But I get the voltmeter and it reads 17-18-19 volts! I'm puzzled? Was it something I did during belt change? No way? Friend sees grody groundstrap on head to fender and says clean that ans see. So I do and no go it flickers for a bit then I rev a little and it goes out and I rev higher and back on steady and stays steady bright, gets brighter with rev! Am I missin somethin or is just the will of the gods that want to empty my wallet! Alternator is at least 5 yrs old. It's a jap kind design denso maybe?




