Wednesday, October 12th, 2011 AT 1:33 AM
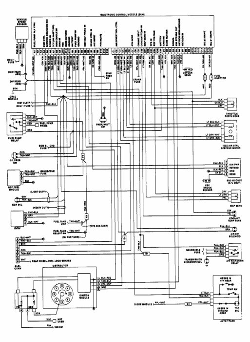
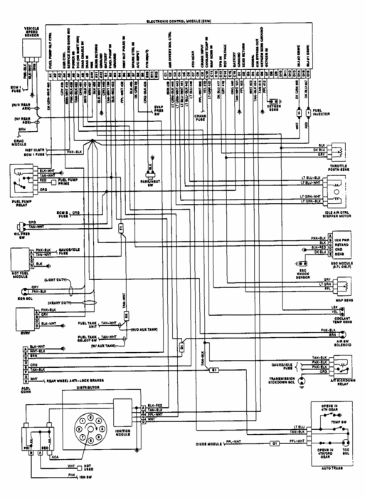
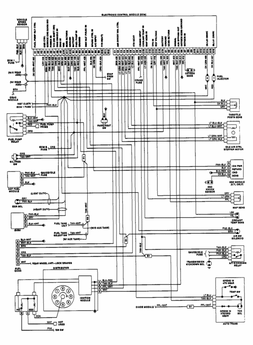
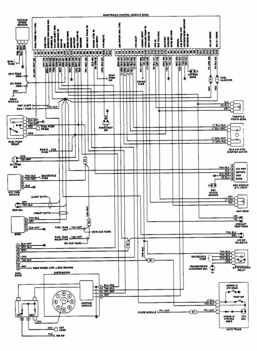
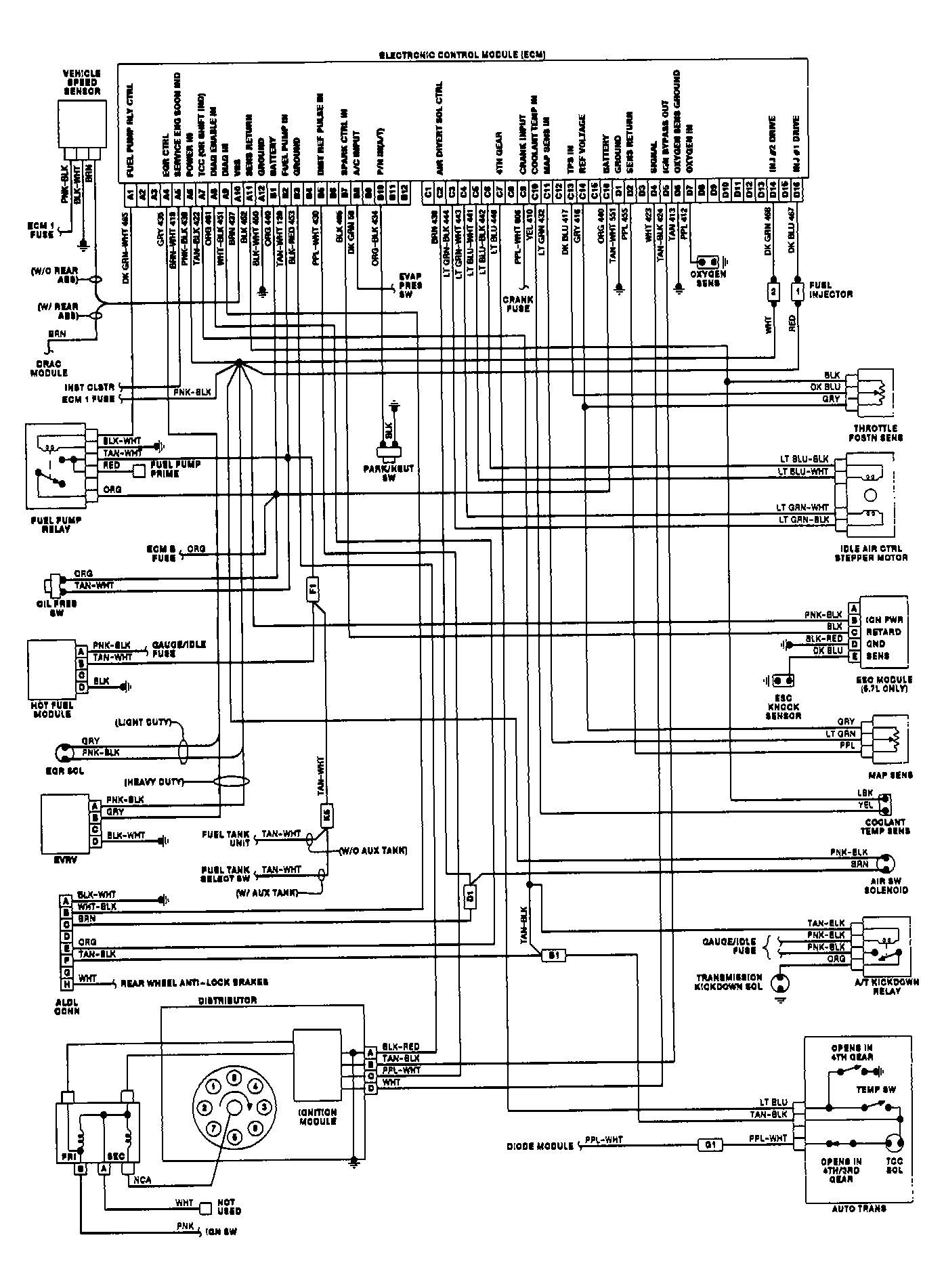
My Suburban is a smallblock gasoline fuel-injected engine, automatic, two-wheel drive with high mileage. It has given reliable service for many years. Recently, at highway speed, the engine shut off after hitting a bump in the road. Would not restart. I checked ignition fire and it had plenty. Engine spun over fine but would not fire. Pulled fuel line loose at throttle body, no fuel. Pulled inline fuel filter loose, no fuel. Towed truck home, bought new fuel pump and relay and installed same. While checking fuel pump circuit, I found the ECMB fuse was blown, so I replaced it. Truck started right up and I drove it around near home for an hour with no problems.I turned off and started engine at least a dozen times. Next day I started truck and drove about a mile to the store. When I came out, the engine started and ran for maybe fifteen seconds and died. Engine spins, no start. Towed truck home and began checking everything again. Fuel pump is not running unless you hotwire to fuel pump relay test terminal. Relay wiring loom tests good(power with key on, fuel pump start circuit lights for two seconds when key first turned on). However, the new fuel pump relay seems to be inoperative. I got a new oil pressure switch and was about to install it, but I hesitate to do so until I figure out what's frying the relay. I rechecked fuses and they are fine, but should the ECMB fuse be hot all the time even when the key is off? I'm now wondering if I have a short or a loose ground somewhere. I've traced the wiring from the fuel pump to the fuse block, to the fuel pump relay, and under the dash to the ECM. Everything appears clean and tight including the ECM and its mount. However, the fact that the ECMB fuse was originally blown troubles me. I'm throwing a lot of money at this thing, but it's my only transportation. Any ideas? I'm tired, frustrated, and getting a little desperate. Please help me!



