Battery will not charge

Tiny
Z7ONE
  • MEMBER
  • 1989 DODGE COLT
  • 108,000 MILES
I have a 1989 1.5l Colt, Battery will not charge. I have 15.5 volts coming off the Alternator but I only see 11.75 Volts on Battery when car is running. I think it could be voltage regulator but don't have any wiring schematic to know. Any help appreciated, Thanks.
Thursday, September 27th, 2012 AT 11:59 PM

20 Replies

Tiny
SATURNTECH9
  • MECHANIC
  • 30,869 POSTS
Where are you measuring 15.5 volts at the alterator?
Was this
answer
helpful?
Yes
No
Friday, September 28th, 2012 AT 12:16 AM
Tiny
Z7ONE
  • MEMBER
  • 9 POSTS
I measured the voltage from the white large wire at alternator.

There are 2 other small wires, blue and yellow which I did not measure, I figured those went to instrument cluster, etc.
Was this
answer
helpful?
Yes
No
+1
Friday, September 28th, 2012 AT 12:29 AM
Tiny
SATURNTECH9
  • MECHANIC
  • 30,869 POSTS
Engine off key on you should have battery voltage at the two white wires with a red stripe and the red wire to the alternator?The white wire goes to the gauge.
Was this
answer
helpful?
Yes
No
Friday, September 28th, 2012 AT 12:40 AM
Tiny
Z7ONE
  • MEMBER
  • 9 POSTS
The two white wires go to the same lug and it has 12.45 volts. I have had the battery on charge so it is up a little from my earlier post.
Was this
answer
helpful?
Yes
No
Friday, September 28th, 2012 AT 12:51 AM
Tiny
SATURNTECH9
  • MECHANIC
  • 30,869 POSTS
Alright does the red wire have battery voltage also?
Was this
answer
helpful?
Yes
No
Friday, September 28th, 2012 AT 12:56 AM
Tiny
Z7ONE
  • MEMBER
  • 9 POSTS
I don't have a red wire. Please see attached picture.
Was this
answer
helpful?
Yes
No
Friday, September 28th, 2012 AT 1:09 AM
Tiny
SATURNTECH9
  • MECHANIC
  • 30,869 POSTS
Iam justing going by my wire diagram I have I would say the blue wire should have battery voltage also and the yellow wire is for the battery light.
Was this
answer
helpful?
Yes
No
Friday, September 28th, 2012 AT 1:16 AM
Tiny
Z7ONE
  • MEMBER
  • 9 POSTS
12.06 on yellow wire, nothing on blue
Was this
answer
helpful?
Yes
No
Friday, September 28th, 2012 AT 1:27 AM
Tiny
SATURNTECH9
  • MECHANIC
  • 30,869 POSTS
Do you have a colt or colt vista wagon or sedan?
Was this
answer
helpful?
Yes
No
Friday, September 28th, 2012 AT 1:37 AM
Tiny
Z7ONE
  • MEMBER
  • 9 POSTS
Yes it is. Sorry I didn't mention that earlier.
Was this
answer
helpful?
Yes
No
Friday, September 28th, 2012 AT 1:41 AM
Tiny
CARADIODOC
  • MECHANIC
  • 34,489 POSTS
Hi guys, sorry for butting in, but there's a simple solution. You can't have two different voltages at the alternator's output terminal and at the battery unless there's a blown fuse or break in that wire. Around 1989 very few cars had large bolt-in fuses for the alternator but many did have bullet connectors near the battery. That could be corroded.

The fact you found 15.5 volts at the output terminal with the engine running is proof the alternator is working and the voltage regulator is doing a pretty good job of holding the voltage down without the battery in the circuit.

If I'm right, measure the voltage at the alternator's output terminal with the engine off. I bet you'll find 0 volts there. You should have full battery voltage all the time. If you do have battery voltage there, then I'll bet you're using a digital voltmeter. In a case like this a cheap test light can give more accurate results. Test that voltage with a test light and if it doesn't light up, you have to ask yourself how you can measure voltage there but it won't light a test light. That would be the result from a burned open fuse link wire. When the wire burns open it leaves a carbon track behind. That will conduct the extremely tiny amount of current needed for the voltmeter to read the voltage but not enough to run a test light or to let the current get from the alternator back to the battery.

For a better explanation check out the story here:

http://randysrepairshop.net/why-doesnt-this-circuit-work.html

It's about a radiator fan motor but the cause is the same.
Was this
answer
helpful?
Yes
No
Friday, September 28th, 2012 AT 1:55 AM
Tiny
Z7ONE
  • MEMBER
  • 9 POSTS
Ok, I was using a digital voltmeter and was reading 12 v at alternator output with engine off. So, I pulled out a test light and to my surprise, no light.I even went as far as trying to ground output (where digital voltmeter was reading 12v on alt) and couldn't even get a spark. So, does anyone have a schematic that would indicate a fusible link or where the output of alternator goes?
Was this
answer
helpful?
Yes
No
Friday, September 28th, 2012 AT 2:30 AM
Tiny
CJ MEDEVAC
  • MECHANIC
  • 11,005 POSTS
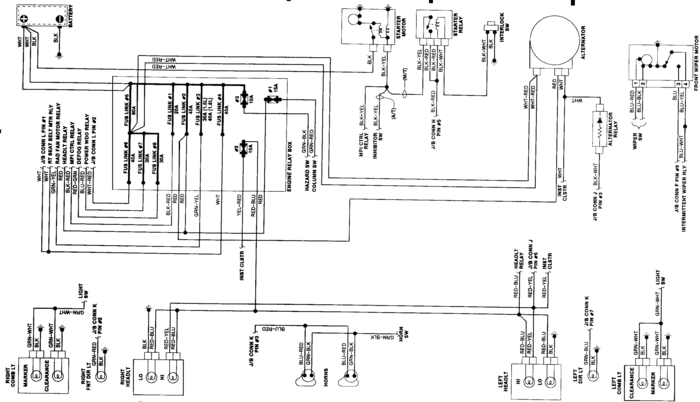
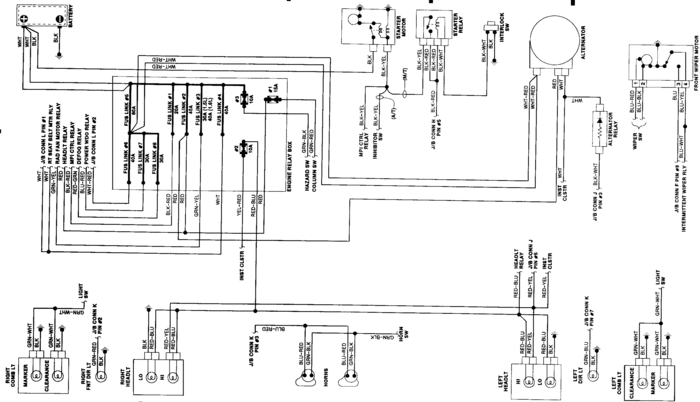
I FOUND THIS--I TRIED TO CROP IT SO YOU MIGHT SEE IT BETTER

ANOTHER DIAGRAM (FUSE BLOCK) HAD THE "ALTERNATOR RELAY" IN THE DIAGRAM. "FUSE BLOCK" WAS A WIRE DIAGRAM--NOT A RECTANGLE LISTING THE FUSES, LIKE YOU MIGHT THINK. (I CAN GET IT, DON'T THINK IT WILL AID YOU)

LOCATIONS OF ALL THIS STUFF IS NOT LISTED. BASICALLY YOU MUST FOLLOW THE WIRES IN THE DIAGRAMS.I'M TAKING THAT TO MEAN, YOU MUST DO THE SAME THING IN THE VEHICLE

I ALSO SAW FUSIBLE LINKS, HITHER AND YON, LOCATIONS ARE NOT LISTED

MIGHT ASK caradiodoc OR saturntech9 IF THE ALTERNATOR RELAY MIGHT AN ISSUE.I'M MORE OF A JEEP CJ KINDA FELLER

IF SO. MAYBE YOUR FUSE BLOCK IS LABELED OR THE COVER (IF THERE IS ONE)

LET ME KNOW IF YOU WANT THE OTHER---AND IF YOU ARE ABLE TO READ THIS ONE AFTER I POST IT

THE MEDIC
Was this
answer
helpful?
Yes
No
Friday, September 28th, 2012 AT 3:09 AM
Tiny
SATURNTECH9
  • MECHANIC
  • 30,869 POSTS
So your talking about the white wire with a red tracer that wont light the test light?
Was this
answer
helpful?
Yes
No
Friday, September 28th, 2012 AT 3:17 AM
Tiny
CARADIODOC
  • MECHANIC
  • 34,489 POSTS
It goes straight back to the battery. No electronics is in between. Only wires, fuses, and connectors which should all have 0 ohms of resistance. One common place to look is for a corroded wire under the insulation right at the connector terminal on the back of the alternator. Tug on it to see if it pulls out easily.

By the way, tug on all parts of the wire. A good fuse link will act like a wire. A burned open one will act like a rubber band. Fuse link wires will have a dull color unlike normal shiny regular wire. The insulation will feel rubbery too. Fuse links are usually six to ten inches long and there will be an inch or two of heat-shrink tubing on each end covering the splices. When you buy new ones you buy them according to color which denotes the current rating, just like with regular fuses. The common colors are orange, black, gray, white, and a putrid green. One piece can be cut to make a number of fuses; you don't have to put the whole thing they give you in there.

Another place to look is at the smaller wire on the positive battery cable. That's the one that typically went to the alternator's output terminal. On some cars, I think GMs in particular, they ran the output wire down to the larger terminal on the starter as a convenient tie point rather than running it all the way back to the battery. Fords used to run it to the battery terminal on the starter relay. On newer cars they run that wire to the fuse box, and to a fuse that's so big electrically that it has to be bolted in to insure a good connection. From the fuse box to the battery you typically wouldn't have to check because a problem there would cause additional things on the car to be dead.

Assuming nothing on that wire or inside the alternator is shorted to ground, you can verify everything else is working by running a temporary jumper wire from the battery positive cable to the alternator's output terminal. Do that with the engine off, and connect it to the battery first, then to the alternator. That's because if there is something shorted, (which I doubt), the spark will occur at the alternator, not at the battery where it could cause an explosion. Batteries give off explosive hydrogen gas. That's why with anything like this, and jumper cables, we always make the last connection, (the one where the spark will occur), away from the battery. The reason I doubt anything is shorted is because you were seeing voltage at the alternator's output terminal with the voltmeter. That wouldn't happen if that circuit was grounded, (shorted to ground).

Now the battery should charge and the battery plays a role in helping the voltage regulator do its thing. You should find between 13.75 and 14.75 volts at the battery with the engine running.

The next thing is to figure out why there is an open circuit. If you find a corroded connector or terminal, that is pretty self-explanatory. But if you find an open fuse link wire, unless you know what caused it, we have to wonder if there's something intermittently shorted that's going to occur again. Look for a wire harness draped over a sharp edge of a metal bracket, fell down onto hot engine or exhaust parts, or is rubbing against engine or body parts when the engine rocks during acceleration.

I never approve of running a new wire to solve a problem unless the cause of that problem has been identified and eliminated first or the entire piece of wire is a dull brown from corrosion. That means solder won't stick to make a repair. We don't want to just "get it working". We want to know what happened so it doesn't happen again or it doesn't happen to another wire for a different circuit in that same harness. I can't stress enough that with my students, "run a new wire" was never an acceptable answer, and they knew it, but if you're going to leave that temporary jumper wire in there for any length of time, be sure there is a fuse in it near the battery end. Because that fuse is going to have to pass the maximum current the alternator can produce, commonly 70 - 90 amps, the only fuse you might find would be another fuse link. If you try to use a smaller gauge piece of regular wire, and it burns open, it could melt the wire's insulation before it finally opens up, and that could lead to a fire. Also, since fuse link wire's insulation doesn't burn or melt, any spark when the wire opens is contained and won't ignite battery gases. Still, you won't find factory-installed fuse links real close to the battery. They'll be a good 15" away, just to be safe.
Was this
answer
helpful?
Yes
No
Friday, September 28th, 2012 AT 3:20 AM
Tiny
CARADIODOC
  • MECHANIC
  • 34,489 POSTS
Thanks CJ. Looks like we'll have to stand the car on its side to work on it!

I see two white / red wires leaving the alternator output terminal, and that would agree with the first photo you posted. I also see two white wires leaving the battery positive post. They used two smaller gauge wires because, at least at that time, those cost less than one fatter wire.

In between those two pairs of wires is a fuse link, but that is not the problem. Reason is that fuse link passes current to a whole bunch of other stuff that is working. I see four other fuse links and a fuse that all tap off from the same point, so we know those circuits are working, but there's another three fuse links that are fed from the one in question. I can't read what those circuits are, but if that main fuse link is open, you would have lots of other stuff that isn't working.

Given all that, it's doubtful two separate wires between the fuse link and alternator are open, except for the most logical suspicion which would be a corroded splice right at the fuse link. My second guess would be corroded wires inside the crimp in the terminal on the alternator's output stud.
Was this
answer
helpful?
Yes
No
Friday, September 28th, 2012 AT 3:39 AM
Tiny
Z7ONE
  • MEMBER
  • 9 POSTS
Thanks for all of your help, I will trace out wires tonight/this weekend and post results.
Was this
answer
helpful?
Yes
No
Friday, September 28th, 2012 AT 11:15 AM
Tiny
SATURNTECH9
  • MECHANIC
  • 30,869 POSTS
Sounds good
Was this
answer
helpful?
Yes
No
Friday, September 28th, 2012 AT 3:56 PM
Tiny
Z7ONE
  • MEMBER
  • 9 POSTS
Ok, results are in. I was able to trace the wiring down to the problem and fix. The problem was a melted connector from the wiring harness to battery (more specifically, the wire from alternator). It wasn't easy to see as it melted only the inner sleeve of the connector. I attached 2 pictures, one with connector before pulling apart and the second when I pulled the sleeve out.

Since the connector was melted, I had to ask the owner a few questions to try and figure out the cause. The owner is a friend of mine who I was trying to help out, not that I wouldn't want to be the proud owner of a colt wagon! Once I asked the owner he said "oh yeah", a few months ago I hit a pothole and the battery jumped out of tray (naturally it wasn't tied down) and arched against chassis. It was enough to melt the connector and cause a bad connection. I think he had to replace battery, etc.

Once I replaced the bad wiring, I checked volt with car off at 12.5 and with car on I had 14.5 at Battery both at battery.

Thanks for all your help on this, I appreciate everyone's input.
Was this
answer
helpful?
Yes
No
Monday, October 1st, 2012 AT 1:14 AM
Tiny
SATURNTECH9
  • MECHANIC
  • 30,869 POSTS
Your welcome anytime thats what were here for.
Was this
answer
helpful?
Yes
No
Monday, October 1st, 2012 AT 1:28 AM

Please login or register to post a reply.