Friday, October 23rd, 2015 AT 2:34 PM
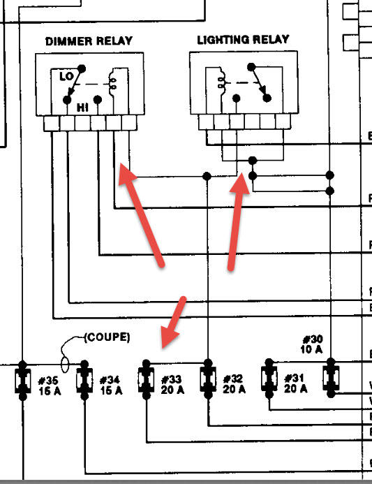
I need to take out headlights and replace them, if that's the problem. They don't work. I had problems before but now both of them don't work and I don't know how to take them out or replace them.


