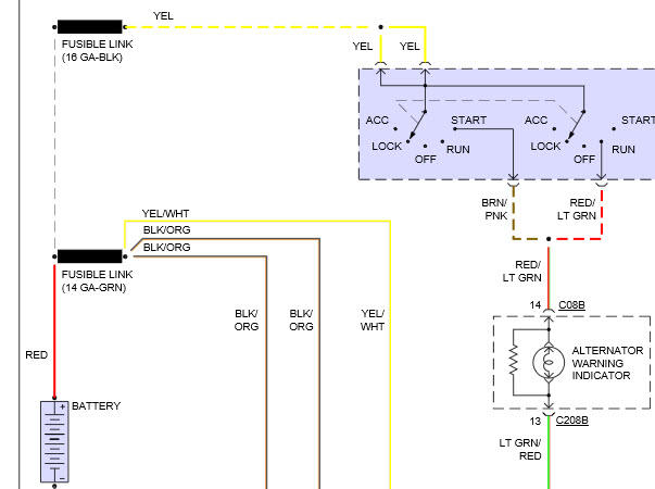
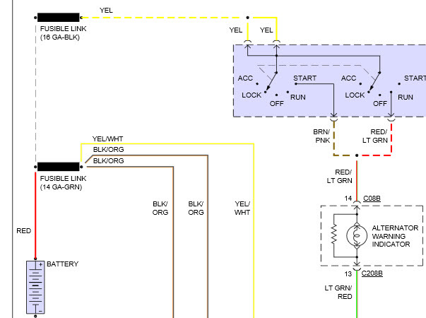
Saturday, November 7th, 2015 AT 10:22 AM
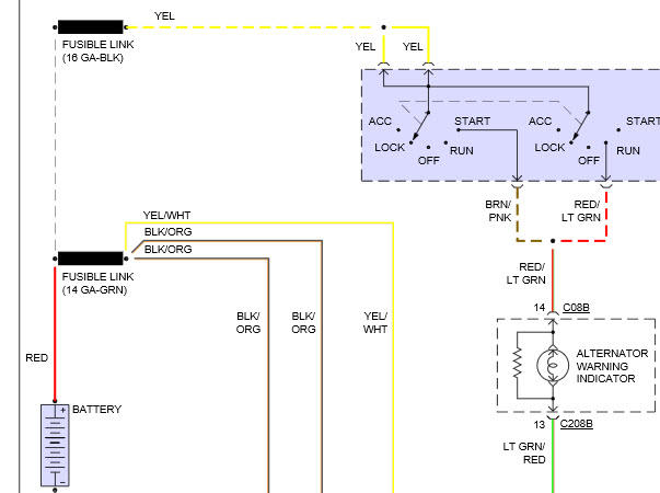
I have a 1988 ford bronco 2 and the cables were reversed during a jump. It shorted out the alternator so I installed a new one and a new battery and it ran but after driving it lost power. Battery still had charge but tried jumping it and I get nothing. I have no power or noise at all when I turn the key. My grounds are good. Where should I look next

