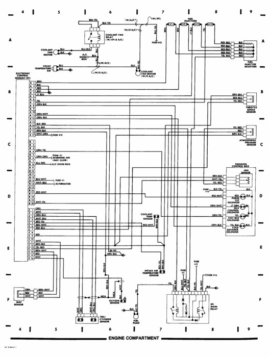
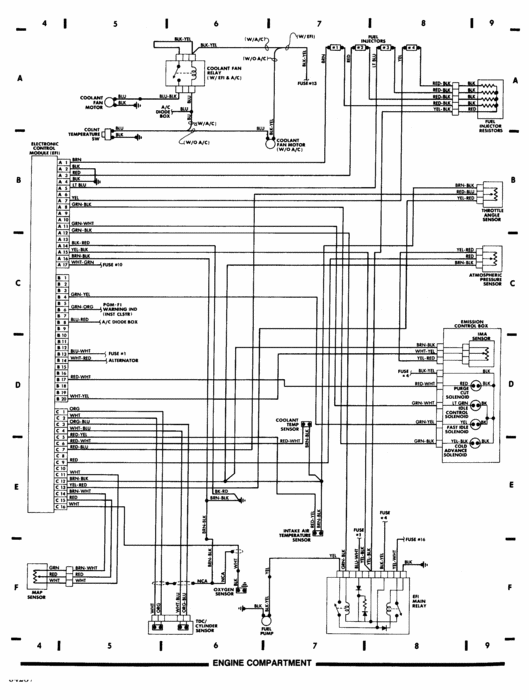
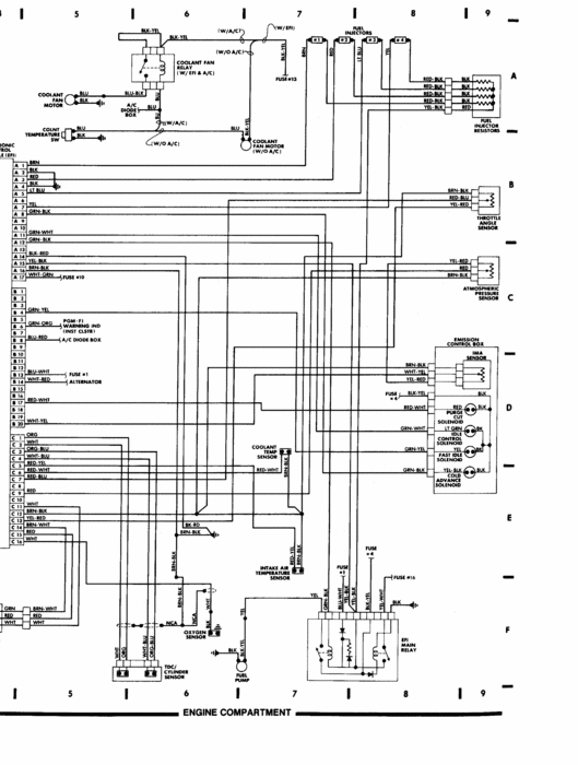
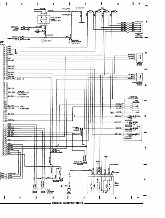
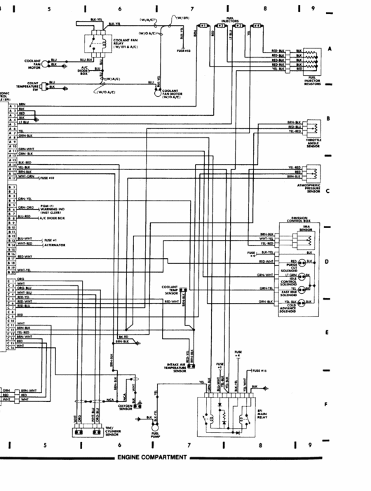
The difference now than before is that the idle is quite rough. I have to adjusted the idle, increase a lot in order to keep it at around 1500 RPM, versus 750 before. Even though the idle goes up and down quite often that some time it dies when idle. Other than that the car seems fine.
Hope someone can answer my question.
Saturday, October 22nd, 2011 AT 2:18 AM


