1985 Buick Electra air conditioning

Tiny
JWTHOMP
  • MEMBER
  • 1985 BUICK ELECTRA
  • 96,000 MILES
Hello, I have a 1985 buick electra estate station wagon. A/c compressor clutch does not operate. Which wire for a/c control unit operates the clutch circuit? Also, where is the clutch relay located? I have been unable to locate a wiring diagram specific to this vehicle. Thanks W Thompson
Sunday, July 21st, 2013 AT 9:21 PM

3 Replies

Tiny
CJ MEDEVAC
  • MECHANIC
  • 11,005 POSTS
THIS RIG USES R-12 OR R-134 GAS?

YOU MUST "RETROFIT/ CONVERT" THE "PROPER WAY" TO USE THE "134 GAS". THE "12" IS EXPENSIVE AND SOMETIMES HARD TO OBTAIN

HAS IT BEEN OPERATING RECENTLY?

IF THE GAS PRESSURE IS LOW. THE LOW PRESSURE SWITCH (A SAFETY SWITCH) WILL NOT ALLOW VOLTAGE TO GET TO THE CLUTCH. NORMALLY IF THAT'S THE ISSUE, YOU ADD GAS AND THE SWITCH "MAKES". CLUTCH STARTS WORKING. YOU FINISH INSTALLING THE PROPER AMOUNT OF GAS

IF YOU KNEW ALL OF THAT. IF MY BABBLING DIDN'T AID YOU.I MAY BE ABLE TO GET YOU A WIRING DIAGRAM FROM "MITCHELL I" SHOWING THE SYSTEM AND USUALLY LOCATIONS OF THE PARTS

YOUR TURN

THE MEDIC
Was this
answer
helpful?
Yes
No
+1
Sunday, July 21st, 2013 AT 9:38 PM
Tiny
JWTHOMP
  • MEMBER
  • 2 POSTS
Hi, Sorry this took so long to answer but this thing is making us crazy.

Disregard what we thought the problem was. Compressor is working. The blower motor is now not operating at any speed and we are trying to determine if it is the blower motor resistor or. None of our manuals have a wiring diagram specific to this car. It has electronic control for the hvac. If we understand this correctly, Hi speed bypasses the resistor. A diagram seems to be the place we need to start. Thanks for your help.
Was this
answer
helpful?
Yes
No
Thursday, July 25th, 2013 AT 12:02 PM
Tiny
CJ MEDEVAC
  • MECHANIC
  • 11,005 POSTS
IF YOU HAVE A LITTLE "MacGYVER" IN YOU, YOU MIGHT BE ABLE TO UNPLUG THE BLOWER AND THEN "JUMPER" IT STRAIGHT TO THE BATTERY. JUST TO MAKE SURE THE MOTOR WORKS!

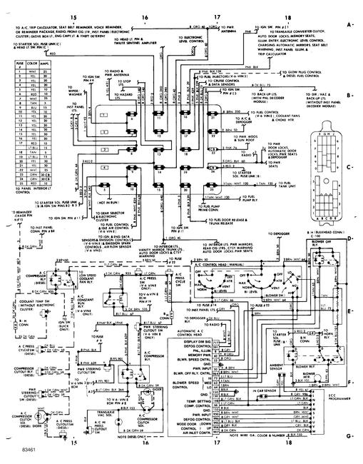
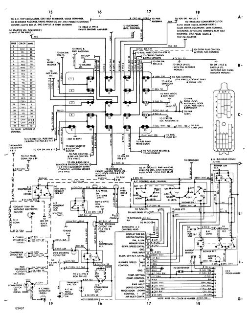
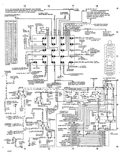
OTHER THAN THAT.I HAVE GRABBED YOU 3 WIRING DIAGRAMS FROM "MITCHELL I"

SINCE YOUR RIG IS NOT A SPRING CHICKEN, THE DIAGRAMS ARE "OLD STYLE" AND MAY BE HARD TO READ, ONCE I SUBMIT THEM ON 2CAR

THE 1ST IS "ENGINE COMPARTMENT AND UNDER DASH"

THE 2ND IS "UNDER DASH"

THE 3RD IS "INSTRUMENT PANEL"

. THESE APPLY TO ALL ELECTRAS EXCEPT "ESTATE"

MAYBE YOU WILL BE ABLE TRACE OUT THE RESISTOR WIRING AND FIND WHAT IS INHIBITING TO FLOW OF JUICE TO IT

I'LL CONTINUE TO ATTEMPT TO HELP YOU IF I CAN.I'M MORE OF A JEEP KINDA GUY

. IF YOU WANT ME TO. TELL ME WHICH DIAGRAM. MAYBE I CAN CROP IT. ONE WAY, THEN THE OTHER SO THAT THE HALVES MIGHT APPEAR LARGER ON 2CAR.I HANG ONTO MY DOWNLOADS FOR ABOUT A WEEK BEFORE I DELETE THEM

THE MEDIC
Was this
answer
helpful?
Yes
No
Thursday, July 25th, 2013 AT 5:36 PM

Please login or register to post a reply.