I have a weird electrical problem. I replaced my alternator it worked for a week. Now it's barely charging.

Tiny
DIESELSMOKE300D
  • MEMBER
  • 1984 MERCEDES BENZ 300D
  • 204,000 MILES
Hi. I'm having a weird electrical problem with my 1984 300D. What happened was I got the car and it had a dead alternator, so naturally I replaced it. It worked fine for a week but then the alternator just didn't recharge the battery one day and I was stuck for a bit. I got a boost and started for home. When I got to my road the lights had dimmed quite a bit. But then I heard a click (like a relay) in the dash and then both brake warning lights and battery light came on for a few seconds (like when you first turn the key) and the headlights became bright again. So then it was working fine for a few more days but then I noticed that those lights didn't come on when I started it so I tested the battery to see if it was charging, and it wasn't. So I looked around at the wires etc and then I noticed that the alternator cables were a bit melted near the plug, so I thought maybe it was shorting out. I fixed that (electrical tape). No difference. I thought that the voltage regulator got fried by the short so I was gonna replace it, but then I went to start it today and the lights came on and all was well. But then the problem arose again later. So I've been keeping the battery charged with a 12 volt charger when it's not working right. (Battery is a brand new Bosch by the way) Also I've heard that the glow plug relay can stick and cause similar issues. My relay was "converted" (wired to a toggle switch) from auto to manual. I'm not sure why it was, but it serves it's purpose. Also this business with the start-up lights happens (or doesn't) before I switch the glow plugs on.

So the symptoms are: lights not coming on during start, no cruise control (not 100% sure if it's related) when the other stuff is on the fritz, and alternator not charging the battery.

(I know very little about the car's electrical system so my theories may be a bit off) My theories are: bad alternator cable, bad ground wire somewhere, bad ignition switch, or bad relay in the dash.
Friday, March 23rd, 2012 AT 7:49 PM

2 Replies

Tiny
HMAC300
  • MECHANIC
  • 48,601 POSTS
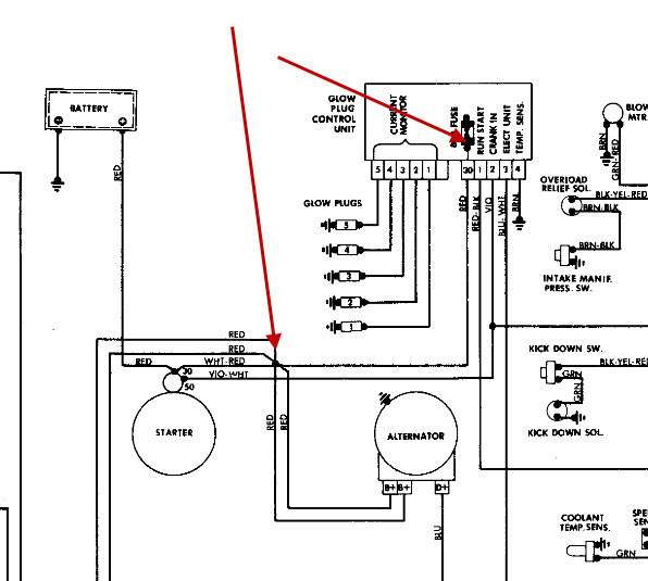
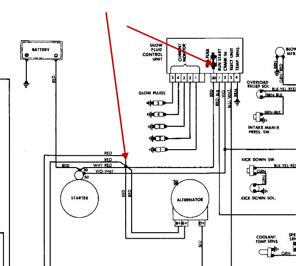
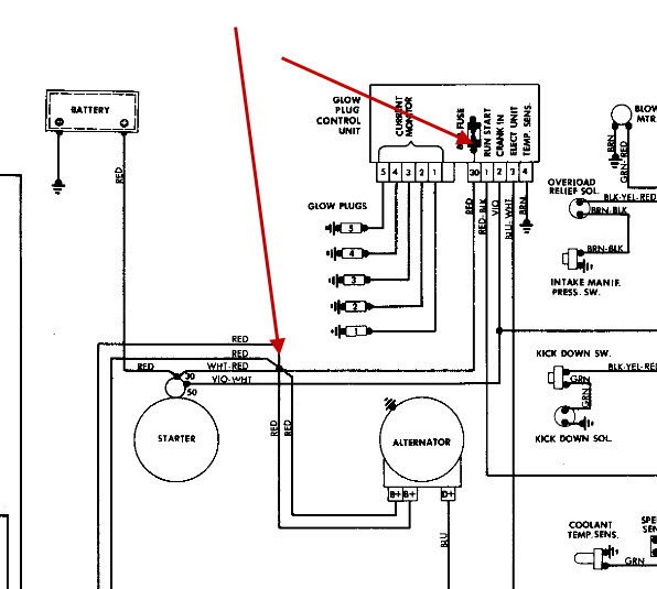
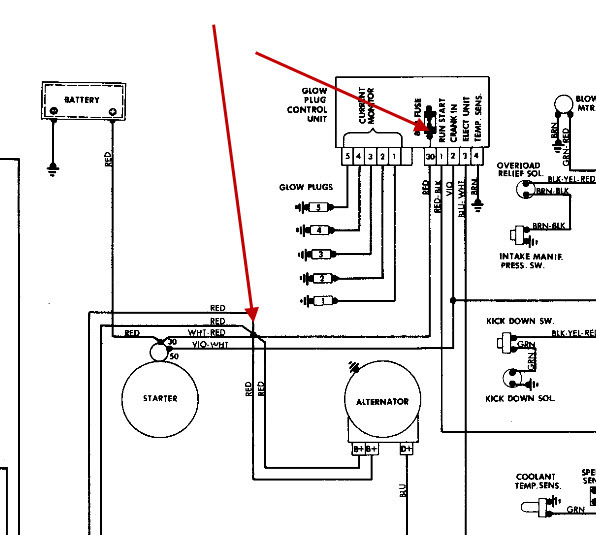
I'm not a mb expert y far, but looking at the wiring harness, the alternator ties in with the glow plug box. In it is a fuse tha tmay be burnt up. You should replace the wires that are burnt with new ones as that can't be helpingmuch at all. Also dont' be surprised if the alternator is burnt up as well. An auto parts store can check to see if it's good or not, normally for n/c. Harness pic included.
Was this
answer
helpful?
Yes
No
+1
Friday, March 23rd, 2012 AT 8:02 PM
Tiny
DIESELSMOKE300D
  • MEMBER
  • 2 POSTS
Thank you for the quick reply. Well I just went to take a look and I think I can see the fuse. It just looks like a little plate held down by two screws and on the side of the relay it says 80amp. It looks all fine and dandy from what I can see. I would think that the glow plugs wouldn't work if that was burnt out though. And they do their job as long as I flip the switch. The relay sounds more complicated than I thought. There might be another part in it that's shot. I'll probly pull out the alternator (royal pain in my butt to do. The mounting assembly is strange) and try putting in a new regulator first (if it fails the test). Then if that doesn't work I'll mess with some cables. Also the photo was helpful. Thanks.
Was this
answer
helpful?
Yes
No
+1
Friday, March 23rd, 2012 AT 8:32 PM

Please login or register to post a reply.