Crancase sensor, where and what is it.

Tiny
GR8VW
  • MEMBER
  • 1978 VOLKSWAGEN BUS
I've replaced everything I could computer, plugs, air box, you name the computer is not sending infi. To injectors

helop
Tuesday, April 17th, 2012 AT 2:01 AM

2 Replies

Tiny
RASMATAZ
  • MECHANIC
  • 75,992 POSTS
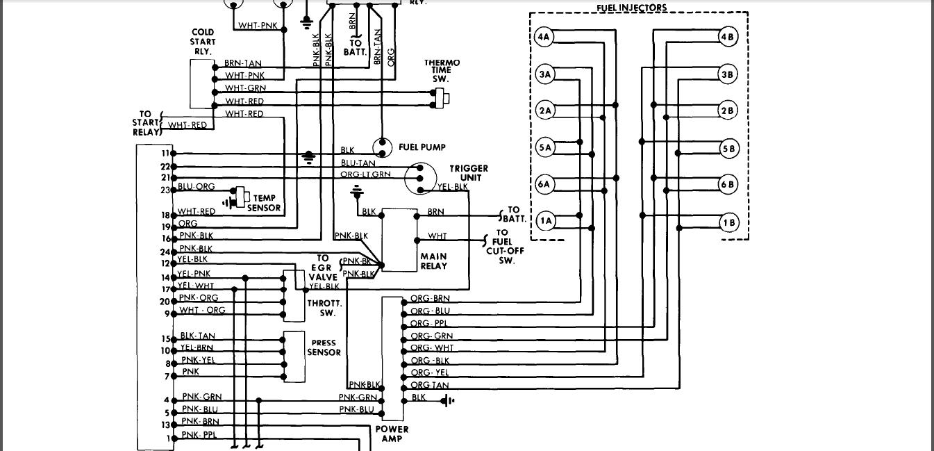
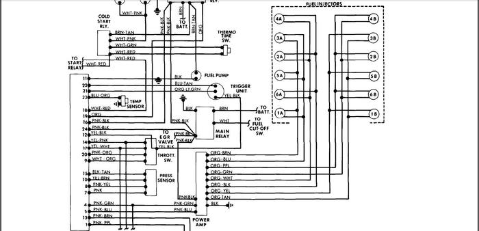
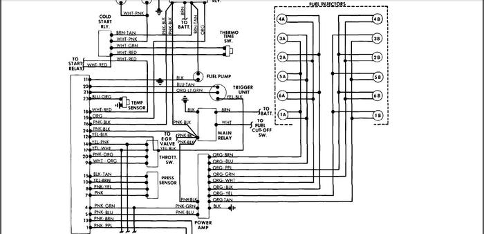
See below-EFI configuration system

Check and test the power amplifier and also the electronic control unit
Was this
answer
helpful?
Yes
No
Tuesday, April 17th, 2012 AT 6:45 AM
Tiny
EXOVCDS
  • MECHANIC
  • 1,883 POSTS
The Engine Computer Fuel Pump & Injectors receive power from the
"Double Relay" that is mounted to the back of the engine compartment
(left corner).

A faulty double relay will cause a no-start condition.

Does the distributor have Ignition Points? Or is it a Hall Sensor
Distributor?

Thomas
Was this
answer
helpful?
Yes
No
Wednesday, April 18th, 2012 AT 7:24 PM

Please login or register to post a reply.