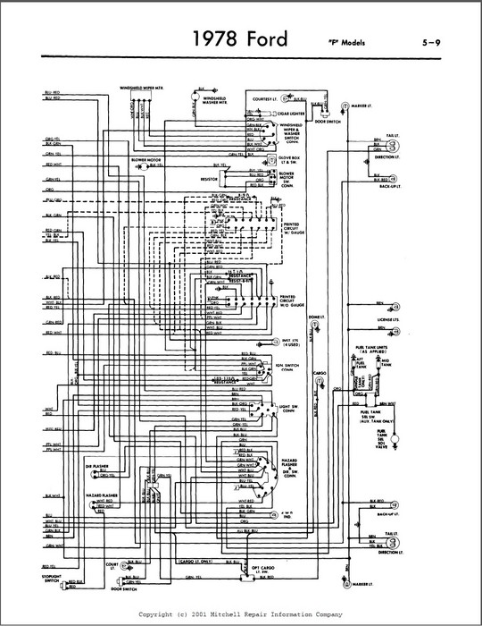
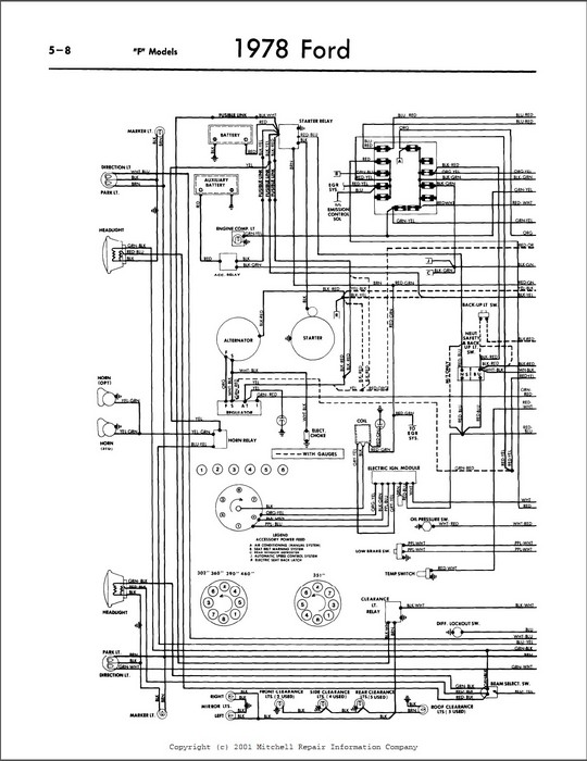
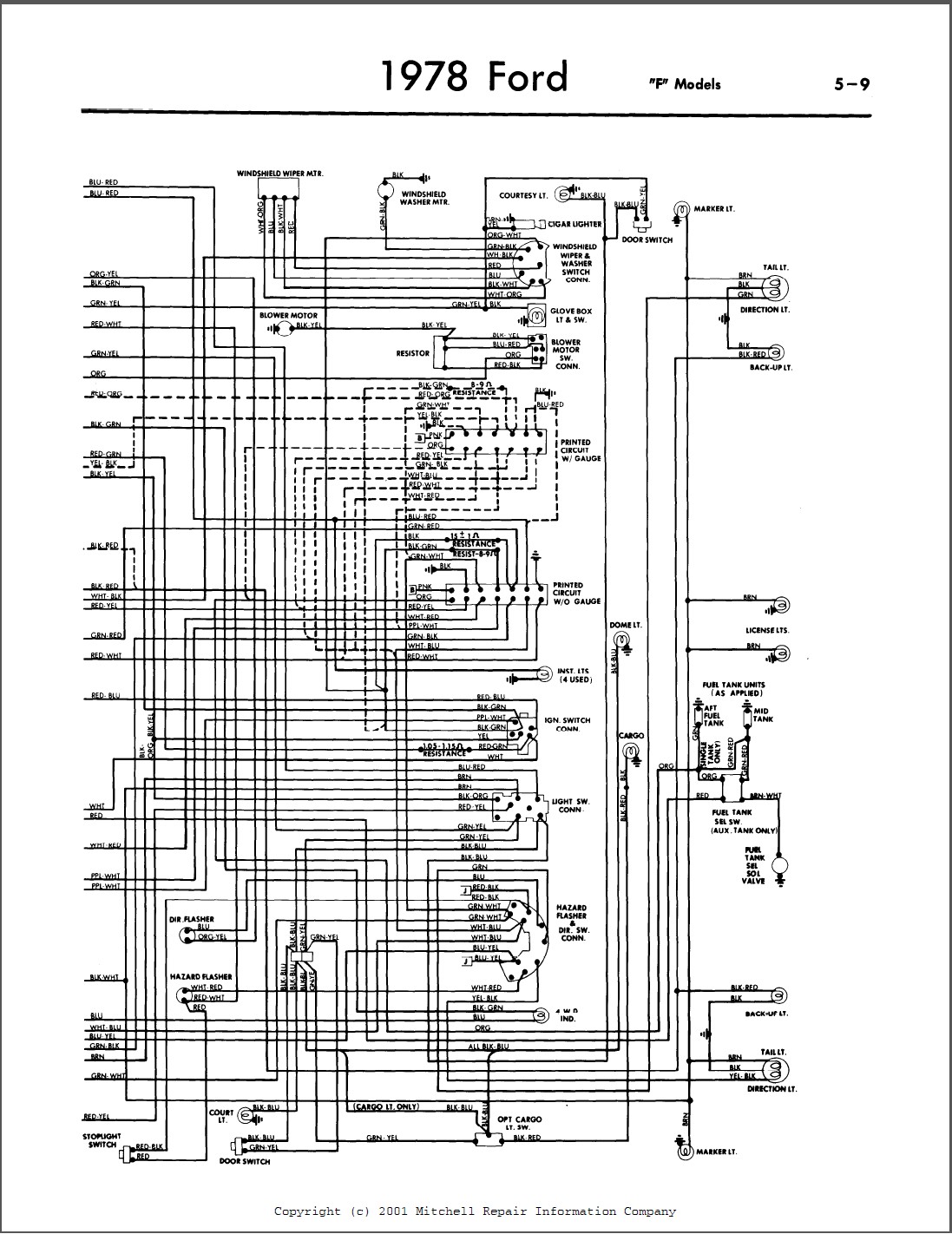
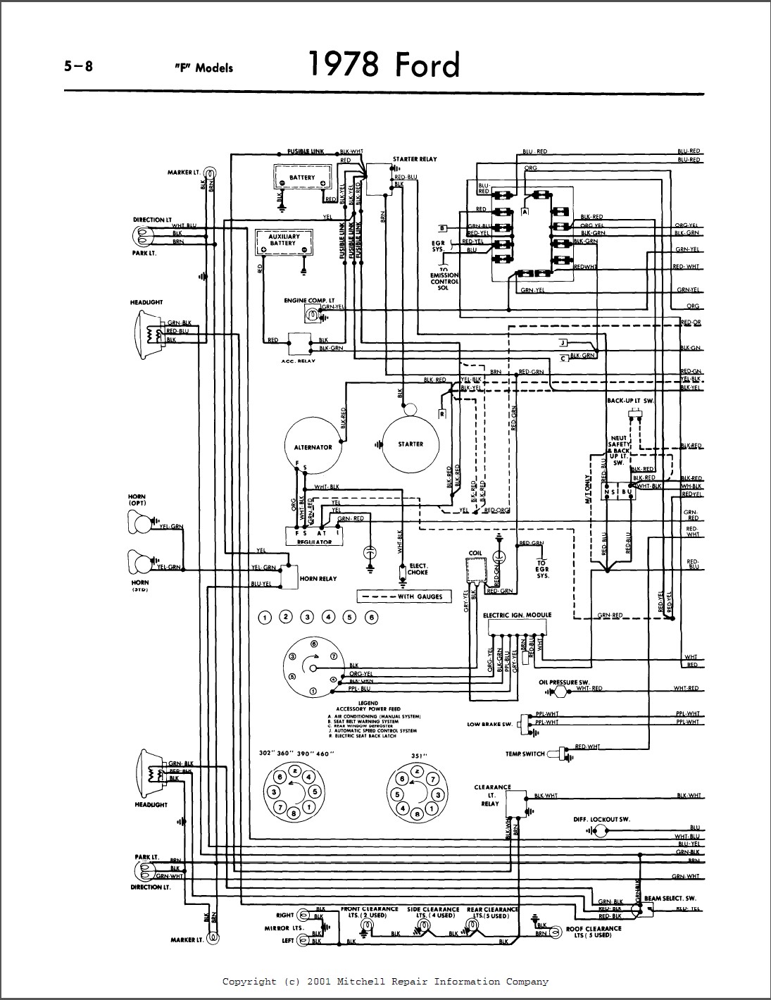
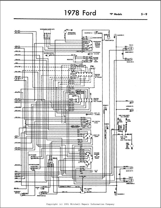
1978 Ford dual tank diagram

Tiny
BROOKS
  • MEMBER
  • 1978 FORD E-SERIES VAN
  • 140,000 MILES
I need to know how to redo the wiring to the switch then back out to the tanks, I got to fix someone elses messup
Tuesday, December 20th, 2011 AT 9:41 AM

1 Reply

Tiny
WRENCHTECH
  • MECHANIC
  • 20,761 POSTS
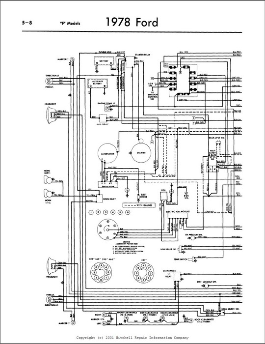
I'm afraid this is the closest thing to a wiring diagram that you are going to find. The software here is limited so you will have to save the diagrams to your drive and then enlarge them.
Was this
answer
helpful?
Yes
No
Tuesday, December 20th, 2011 AT 11:14 AM

Please login or register to post a reply.

Related General Content