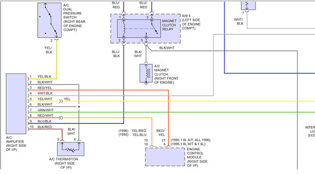
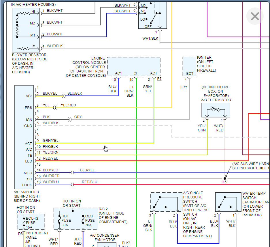
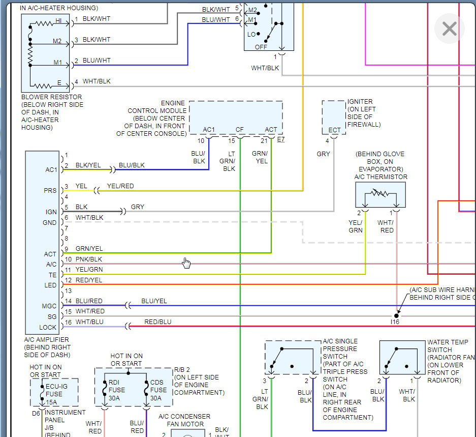
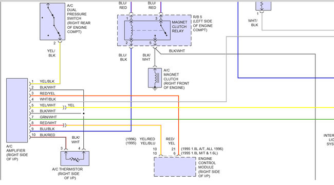
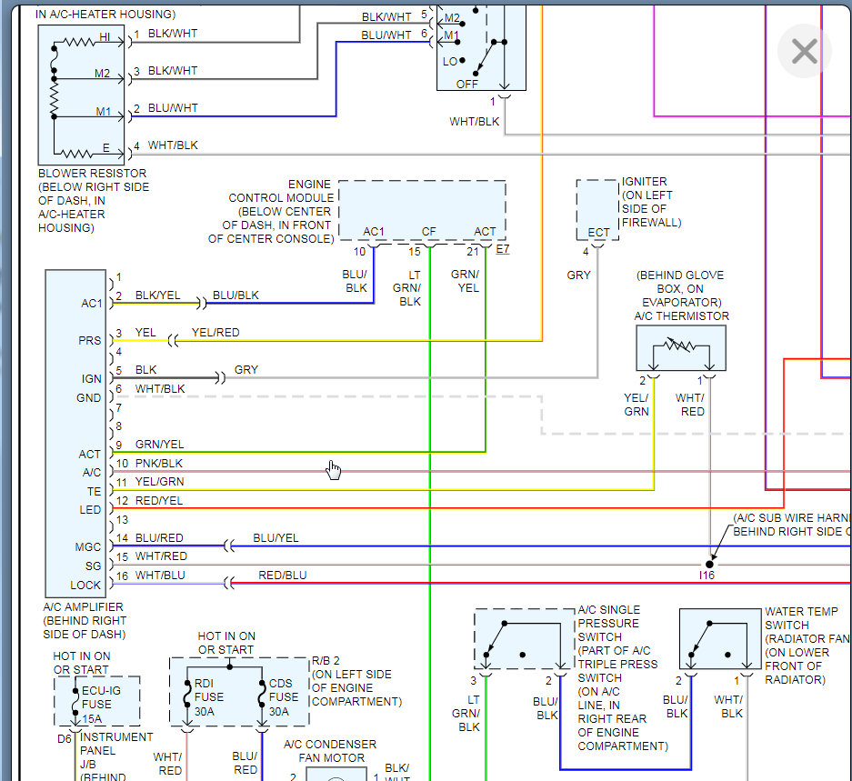
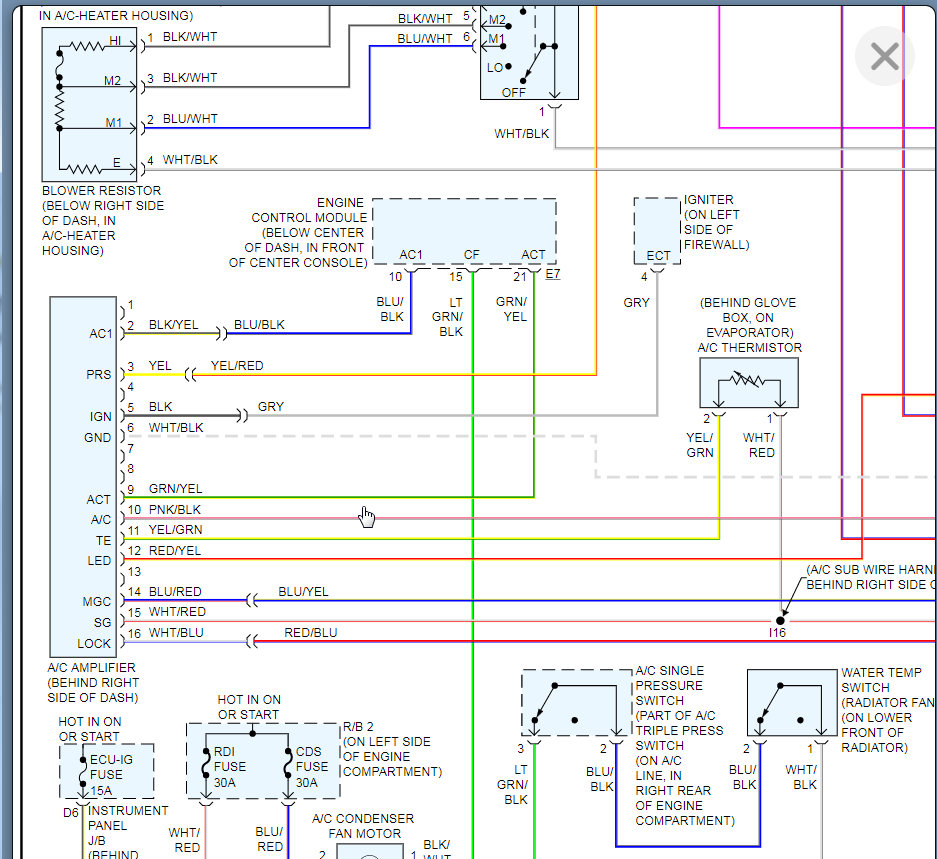
10-pin A/C amplifier wiring diagram

Tiny
MIKI#
  • MEMBER
  • 1998 TOYOTA CARINA
  • 1.8L
  • 4 CYL
  • 2WD
  • AUTOMATIC
  • 73,000 MILES
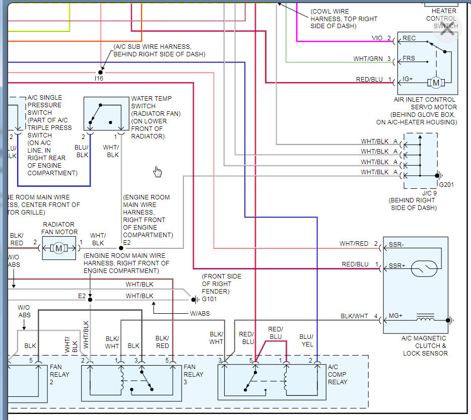
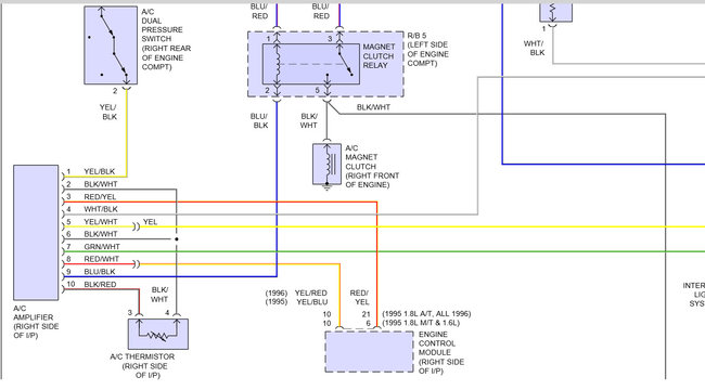
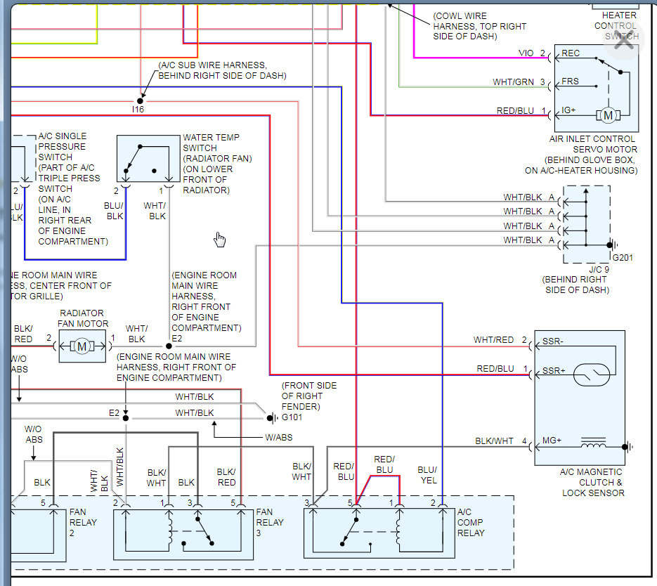
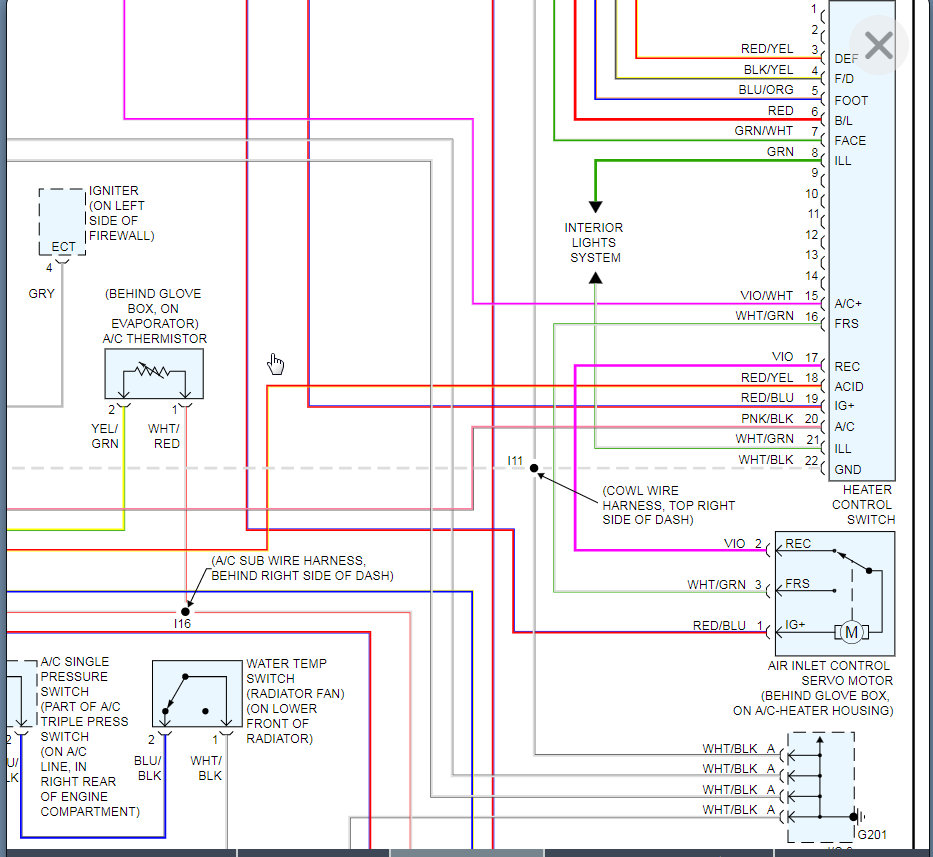
Could you kindly assist with the full size complete wiring diagram of the entire A/C system with a 10-pin amplifier?
Small segment attached hereby.
Friday, June 12th, 2020 AT 3:02 AM

1 Reply

Tiny
KASEKENNY
  • MECHANIC
  • 18,907 POSTS
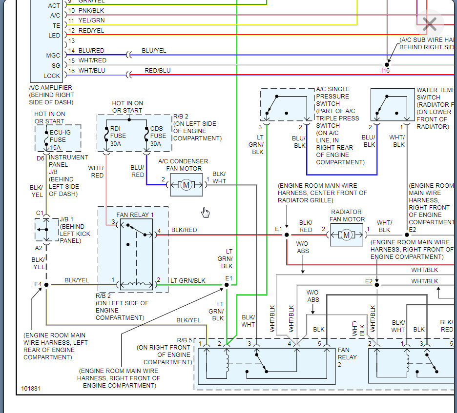
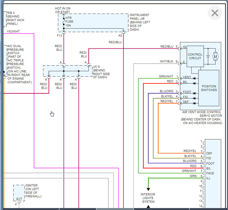
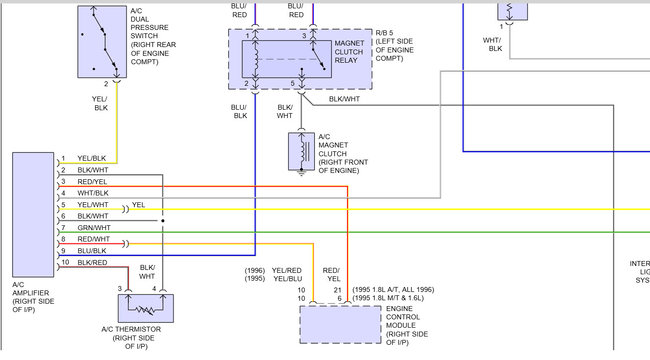
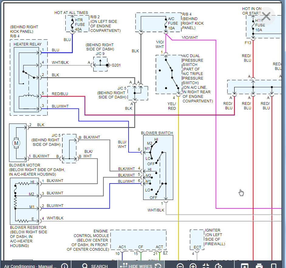
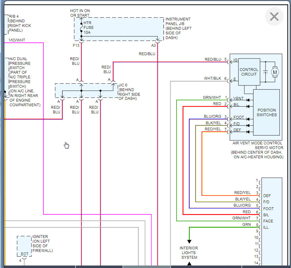
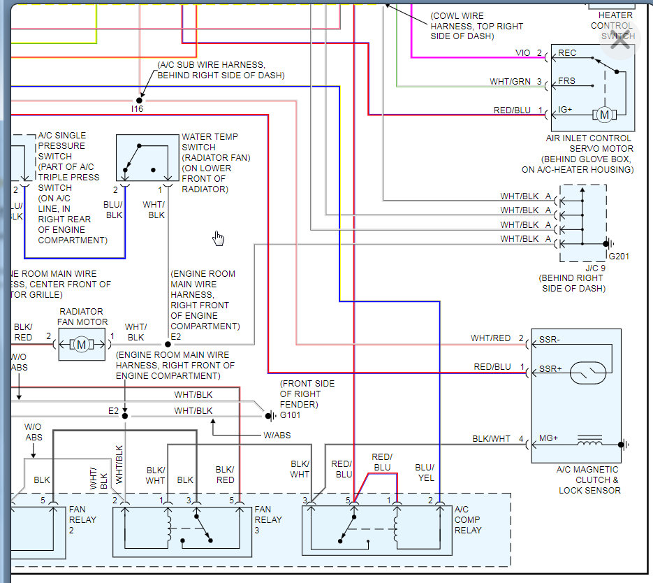
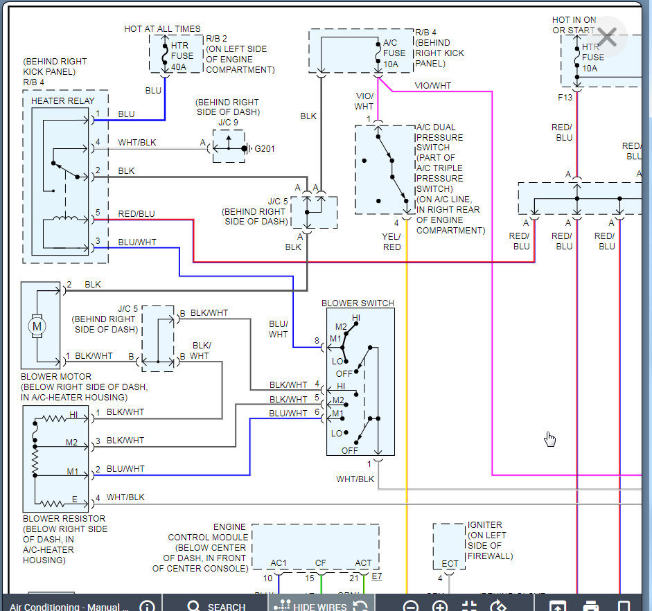
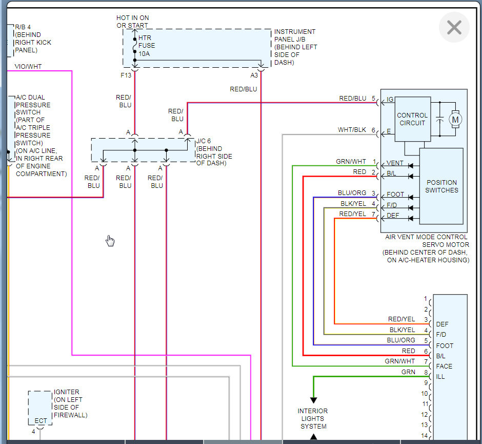
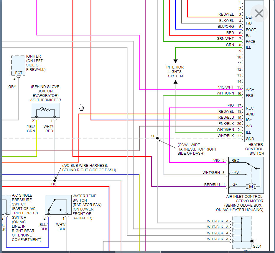
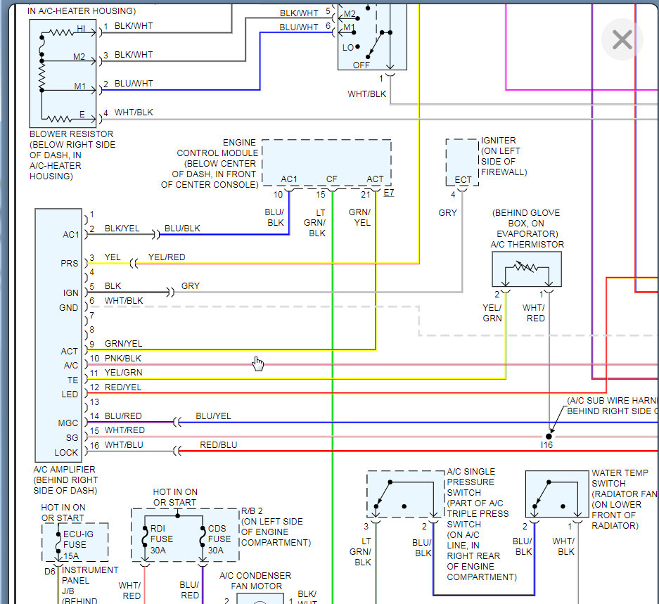
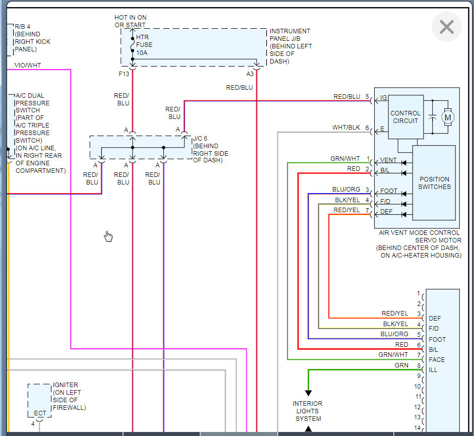
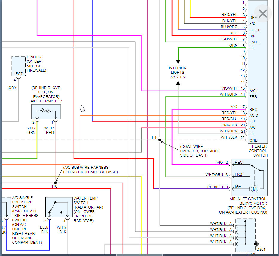
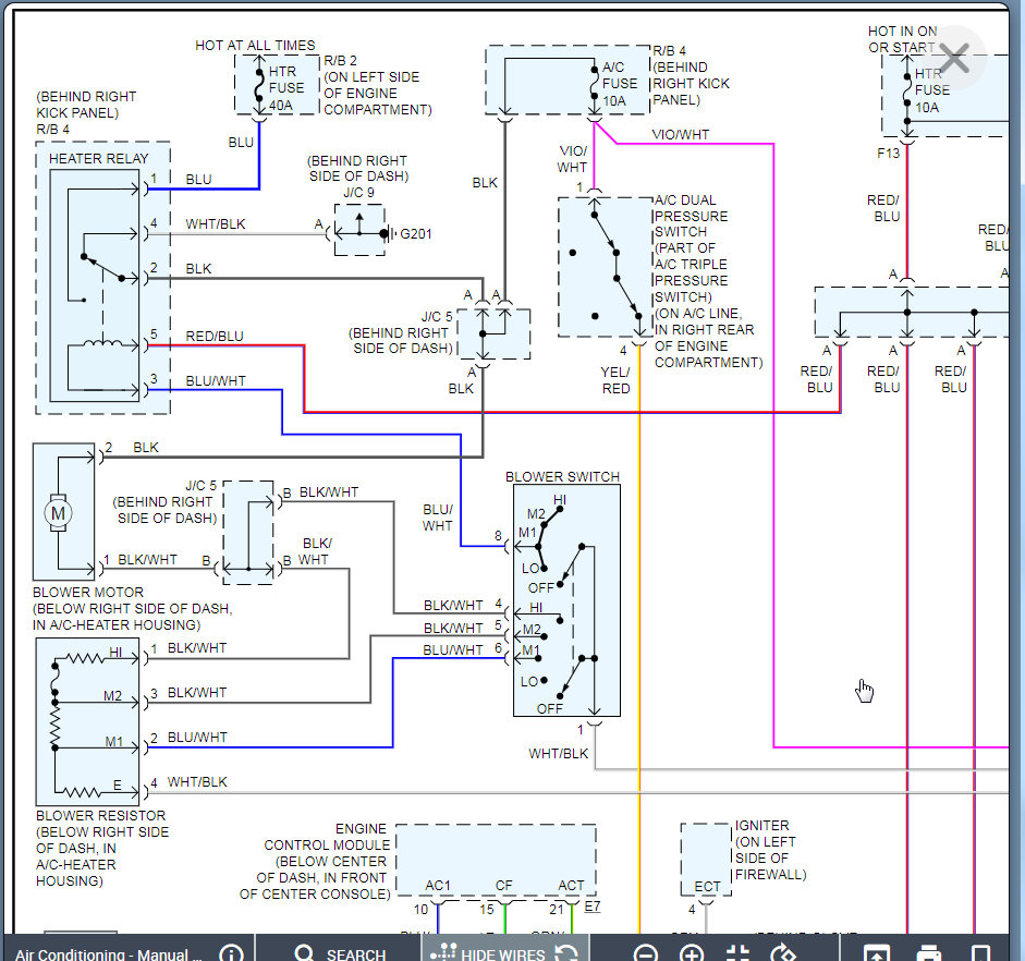
Unfortunately we do not have a wiring diagram for this specific vehicle as it is not offered here in the USA.

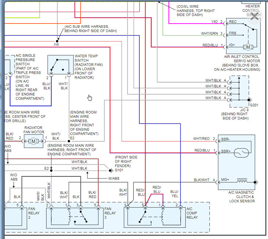
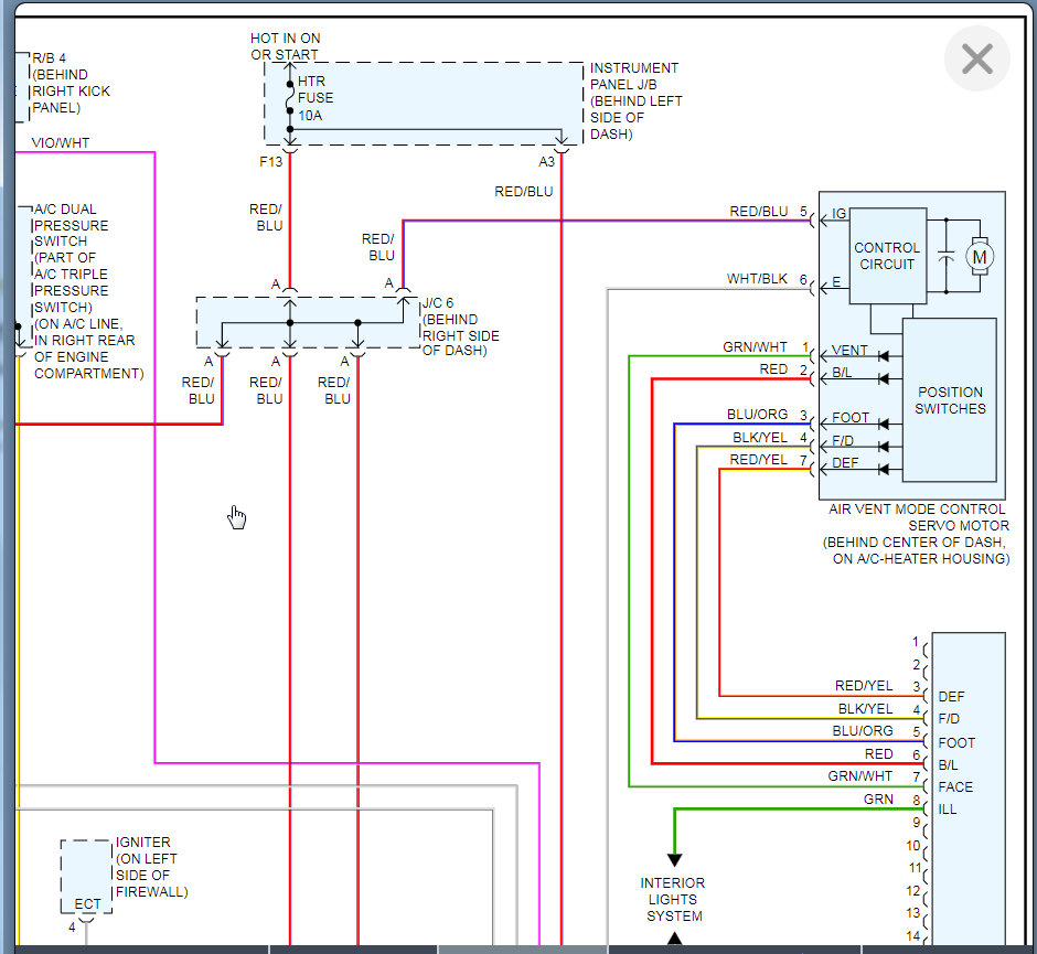
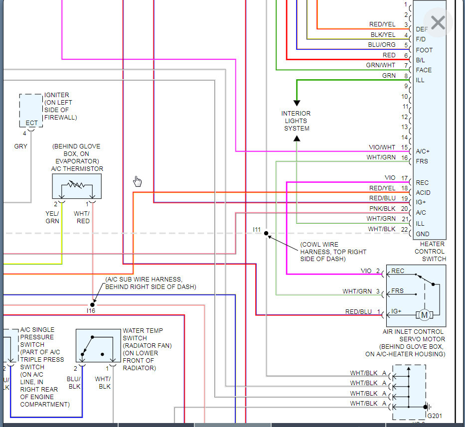
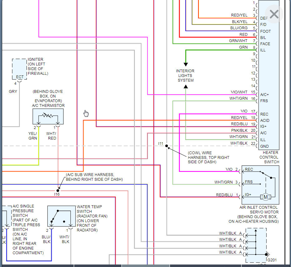
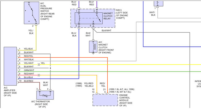
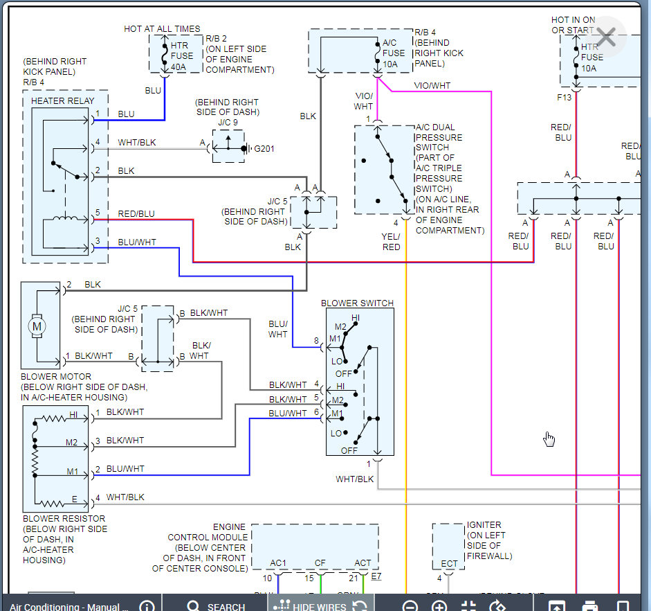
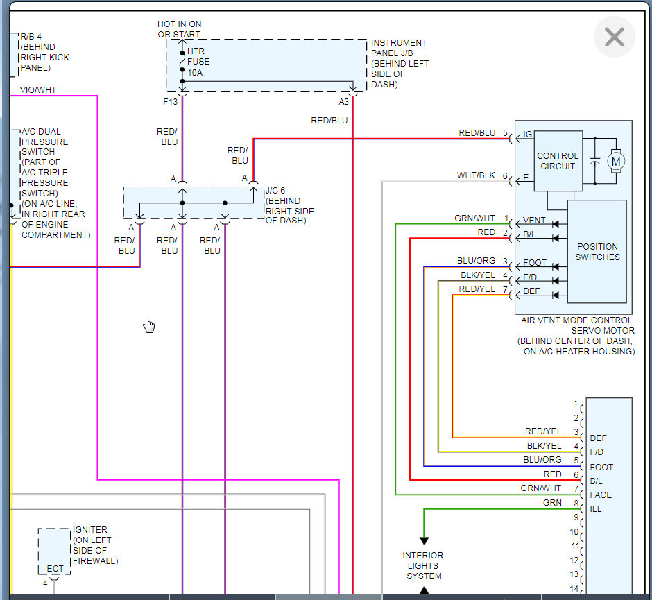
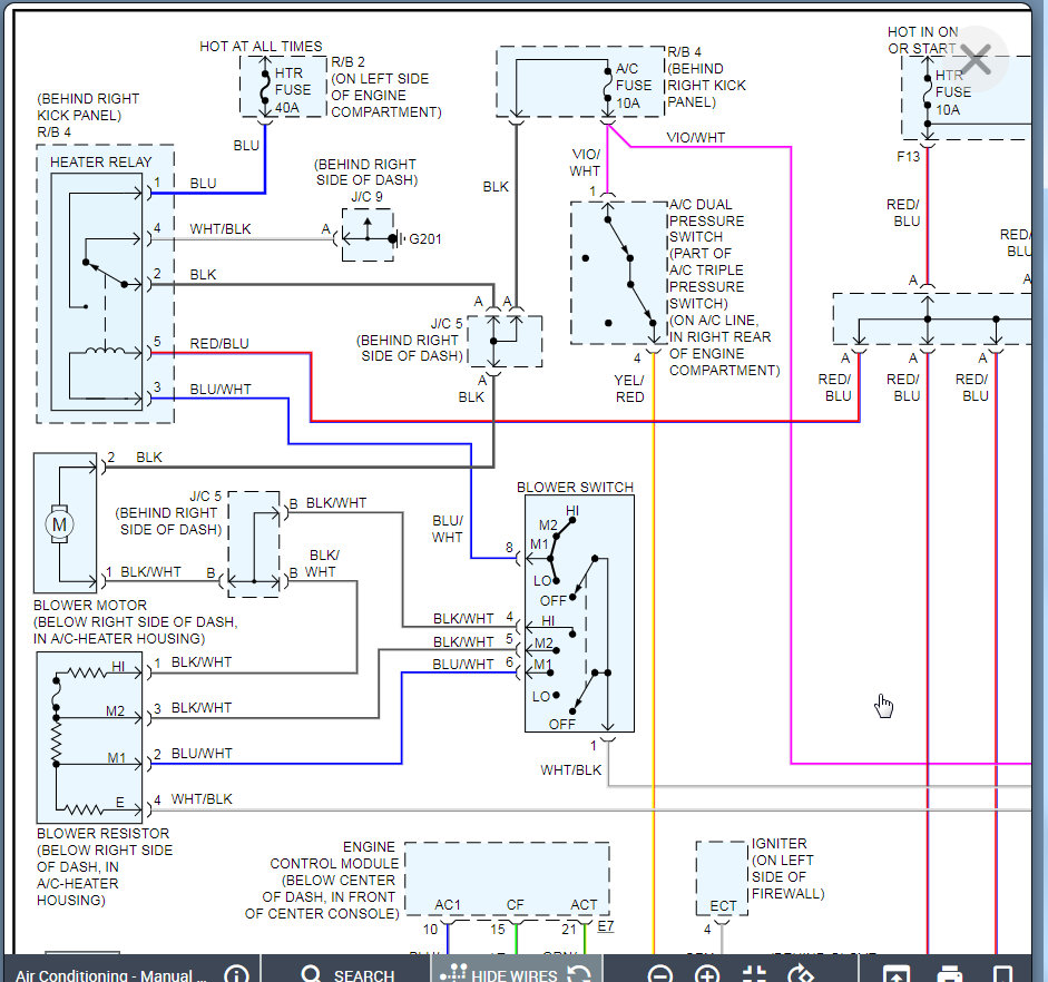
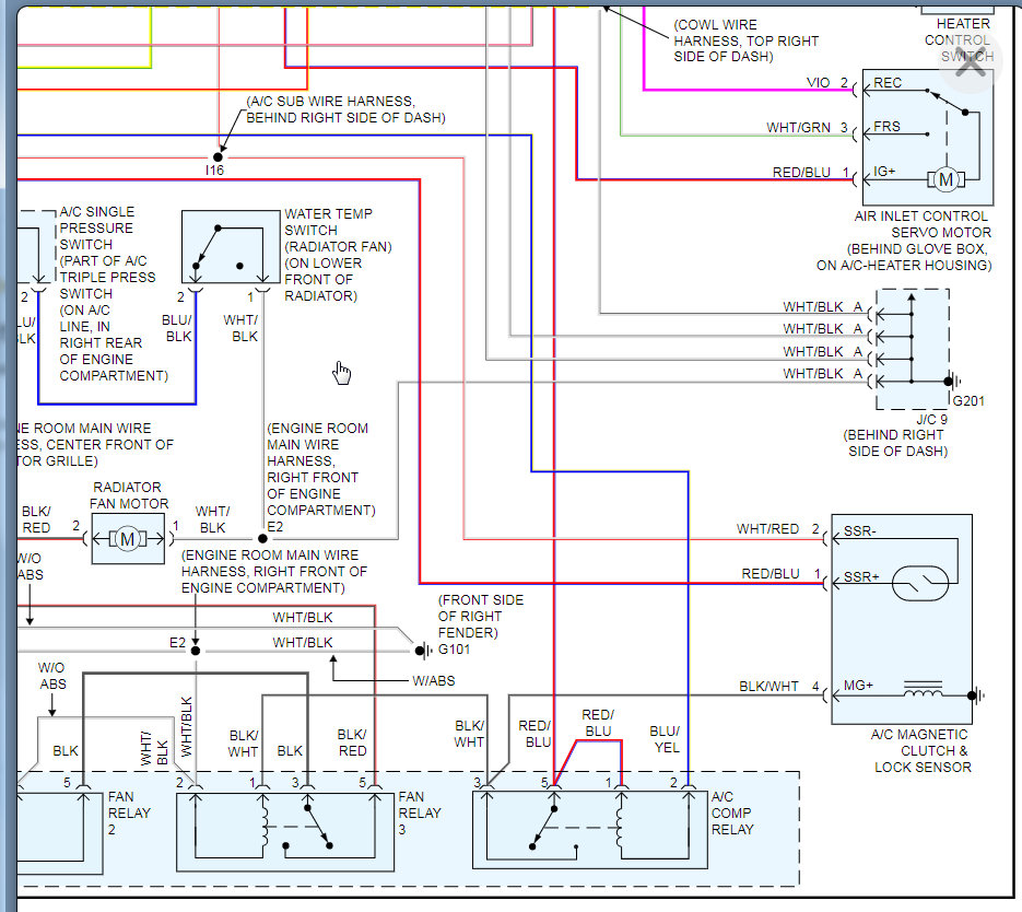
I am not confident that this will help you but the sister vehicle here in the USA is a Celica and I attached that diagram here. Again, I am sorry if this doesn't assist you but it is the best we can do due to not having a service manual for your vehicle. Thanks
Was this
answer
helpful?
Yes
No
+1
Saturday, June 13th, 2020 AT 10:05 AM

Please login or register to post a reply.