HOME
ASK A QUESTION
REPAIR GUIDES
BECOME A MEMBER
LOG IN
Login with Facebook
OR
Remember me
NOT A MEMBER?
FORGOT PASSWORD?
CONTACT US
PRIVACY POLICY
TERMS AND CONDITIONS
☰
Home
Lincoln
Town Car
Engine
Oxygen Sensor
02 sensors
LILJJ89BABY
MEMBER
1989 LINCOLN TOWN CAR
0.5L
AUTOMATIC
604,645 MILES
How many sensors does the car listed above have upstream or downstream?
Monday, July 15th, 2019 AT 11:50 AM
5 Replies
ASEMASTER6371
MECHANIC
52,796 POSTS
Good afternoon,
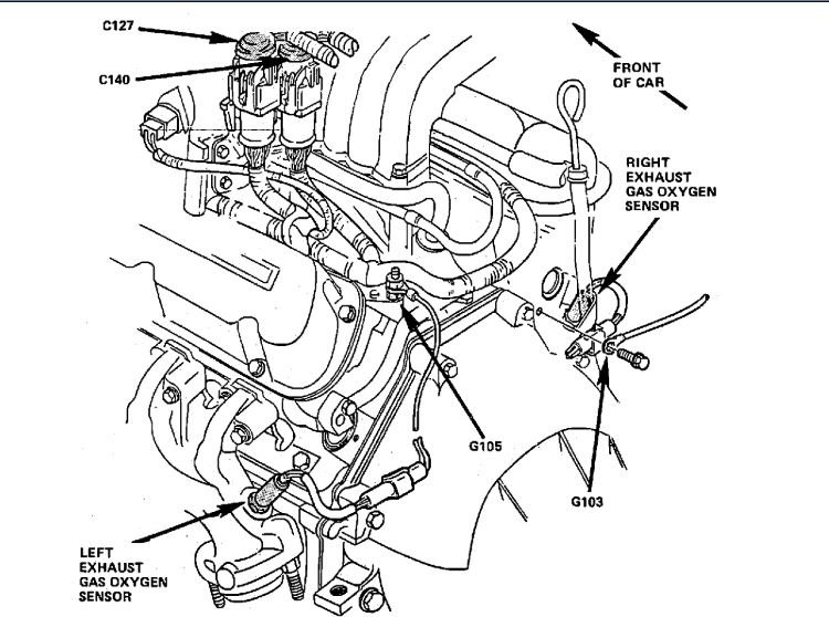
You have four sensors. Two upstream and two downstream. The downstream are at the catalytic converters.
Roy
Image (Click to make bigger)
Was this
answer
helpful?
Yes
No
Monday, July 15th, 2019 AT 1:10 PM
LILJJ89BABY
MEMBER
4 POSTS
Thanks you. Do I use universal one for down stream? Because advanced America I looked everywhere and I only have upstream.
Was this
answer
helpful?
Yes
No
Monday, July 15th, 2019 AT 4:44 PM
ASEMASTER6371
MECHANIC
52,796 POSTS
No to universal.
Rockauto. Com. They have the correct sensor for the left and right side. They range in price from $19.00 to $29.00.
Roy
Was this
answer
helpful?
Yes
No
+1
Monday, July 15th, 2019 AT 4:53 PM
LILJJ89BABY
MEMBER
4 POSTS
Okay, I’m going to check. Thanks again
Was this
answer
helpful?
Yes
No
Monday, July 15th, 2019 AT 4:55 PM
ASEMASTER6371
MECHANIC
52,796 POSTS
You are welcome.
Always glad to help.
Roy
Was this
answer
helpful?
Yes
No
Monday, July 15th, 2019 AT 4:58 PM
Please
login
or
register
to post a reply.
Related Oxygen Sensor Content
Fuel Pump Relay Wiring
1989 Lincoln Town Car V8 Two Wheel Drive Automatic I Replaced The Fuel Pump In My 89 Towncar, Car Started Fine And Drove Around Back...
Asked by
betapilot
·
2 ANSWERS
2 IMAGES
1989
LINCOLN TOWN CAR
GUIDE
Oxygen Sensor
Oxygen sensors are made of reactive materials which limits their lifespan. Aside from mechanical failures such as shorted heating elements or physical damage, these sensors...
1989 Lincoln Town Car Oil Change
My Car Is Getting Kinda Up There In Years So What Type Oil And Thickness Do You Think I Should Use? Could You Also Tell Me How Much It...
Asked by
lincoln89
·
1 ANSWER
1989
LINCOLN TOWN CAR
Tune Up
Can Your Car Stop Running If You Needed A Tune Up And Didnt Get One? I Also Have An Oil Leak Could That Be A Reason Why It Isnt Starting?
Asked by
TalishaJ
·
1 ANSWER
1989
LINCOLN TOWN CAR
Vacuum Lines And Running Issues
Just Bought This Car, First Thing Noticed Before Buying Was Every Vacuum Line Was Dry Rotted And Had Fallen Off Of The Ports. Car Ran...
Asked by
Mike Laws
·
10 ANSWERS
1 IMAGE
1988
LINCOLN TOWN CAR
White Stuff On Oil Dip Stick
Checked Oil And Found White Stuff On Dip Stick And No Water In The Water Tank
Asked by
Sheena4500
·
5 ANSWERS
1993
LINCOLN TOWN CAR
VIEW MORE
Ask a Car Question. It's Free!
Oxygen Sensor Replacement Fix Code P0155
Oxygen Sensor Replacement Dodge
Oxygen Sensor Replacement