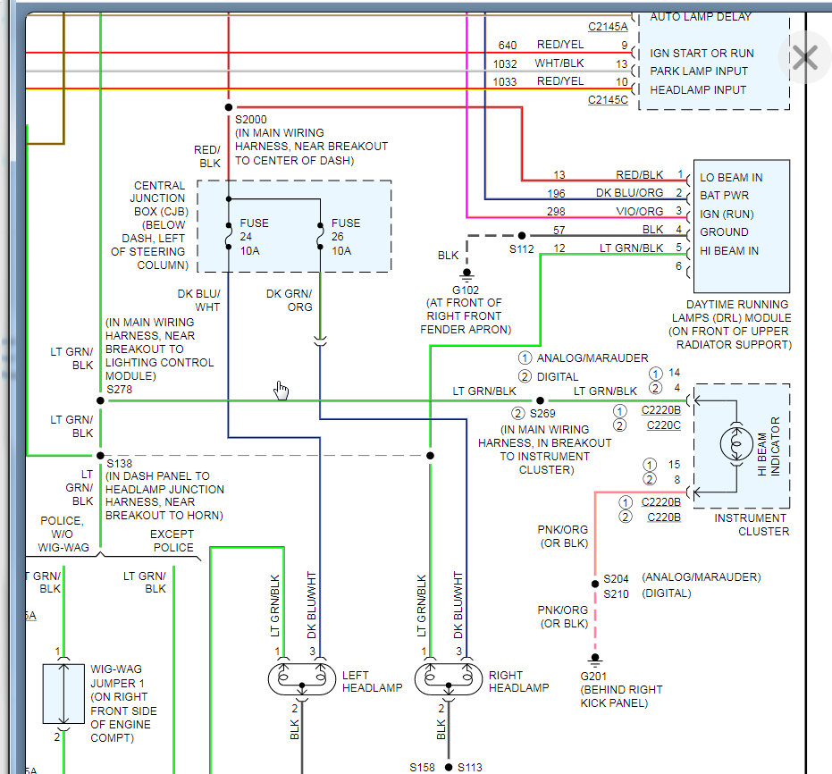
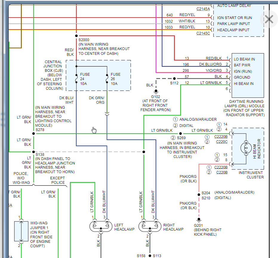
Tuesday, December 28th, 2010 AT 5:15 PM
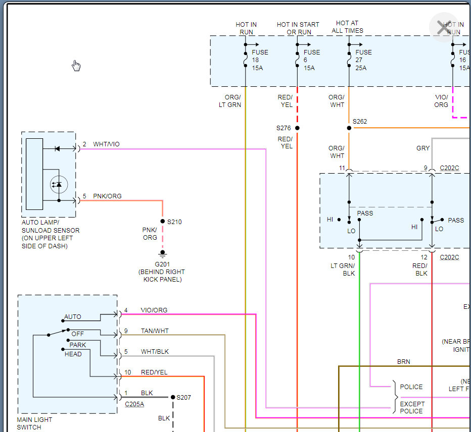
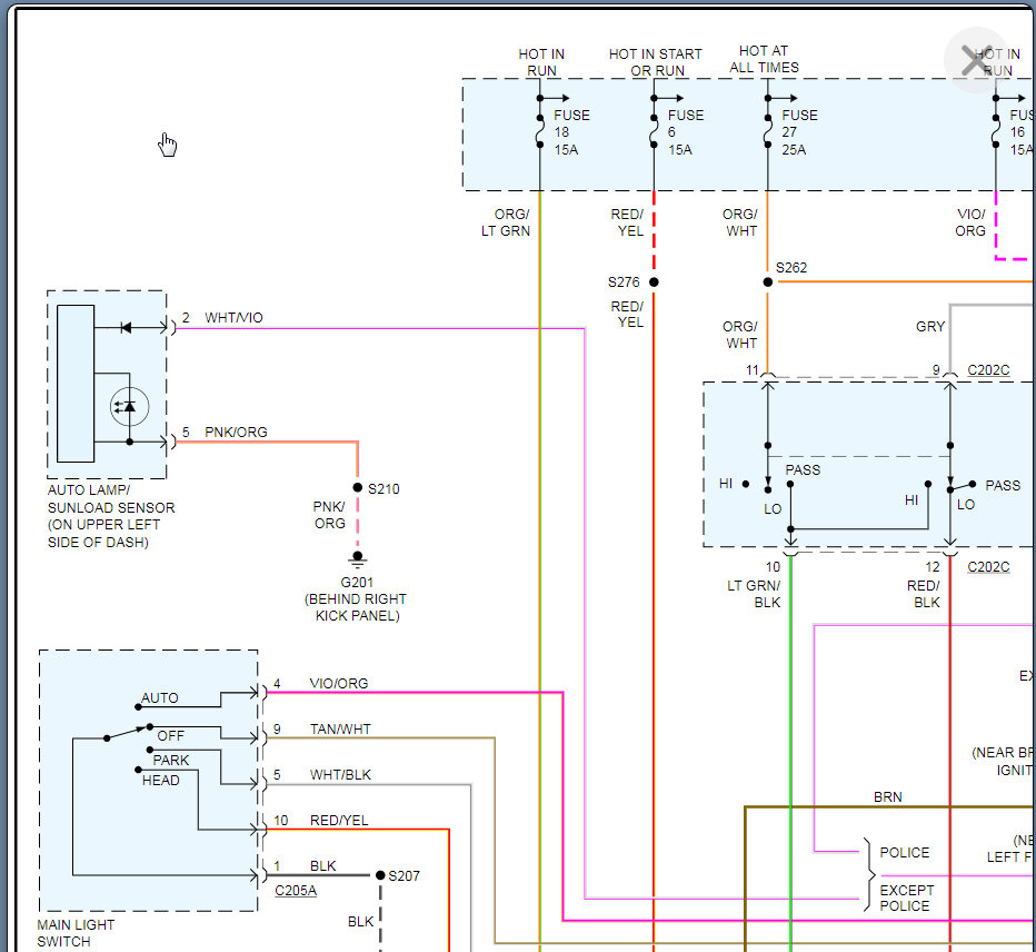
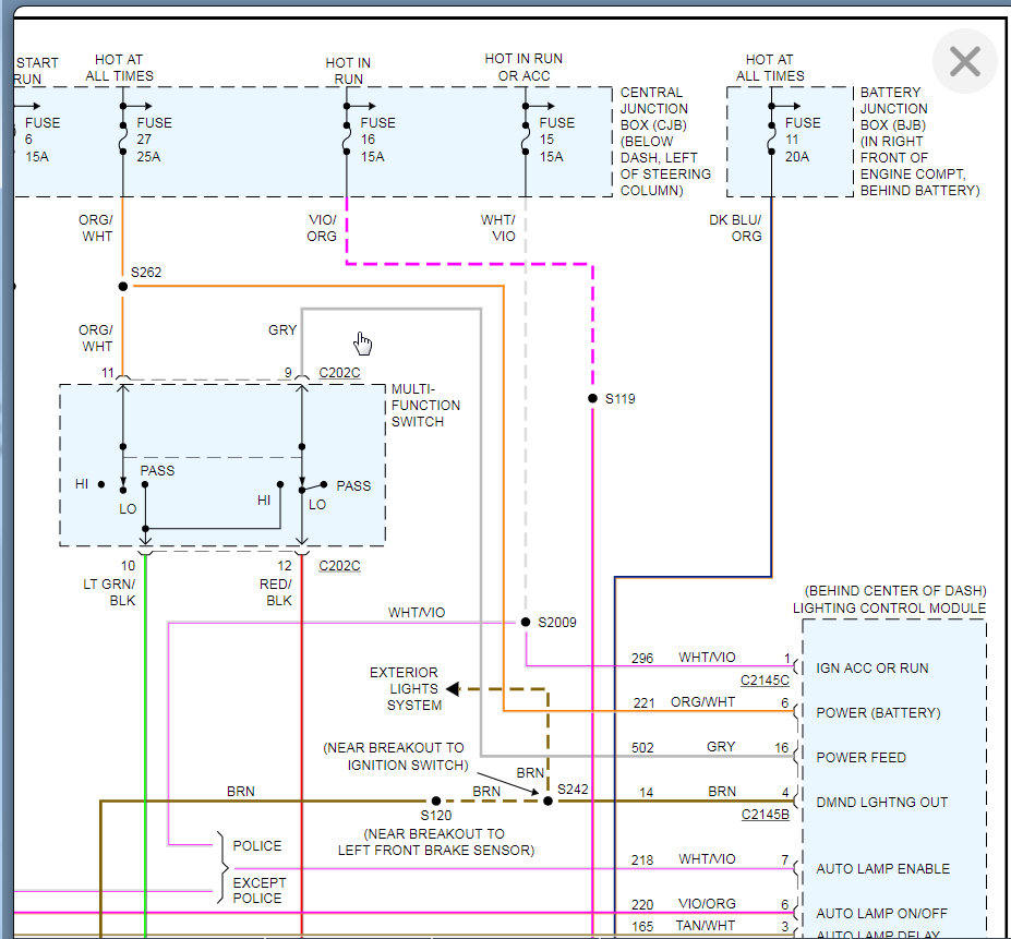
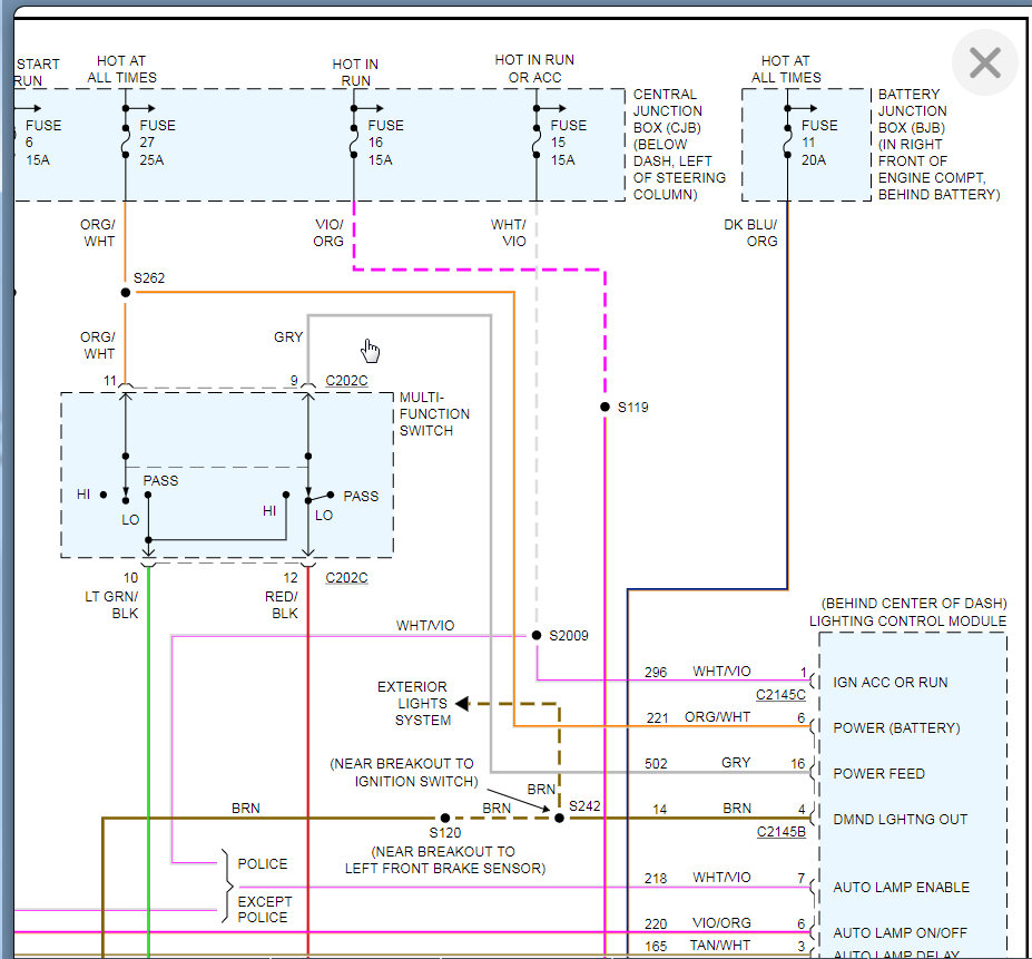
My headlights and high beams will turn off at random times. All my other lights work, and the high beams work if I manually hold the high beams toward me, but you can see how this is a real problem at night. I haven't been able to go anywhere after dark because they are so unreliable. What is the problem?











